
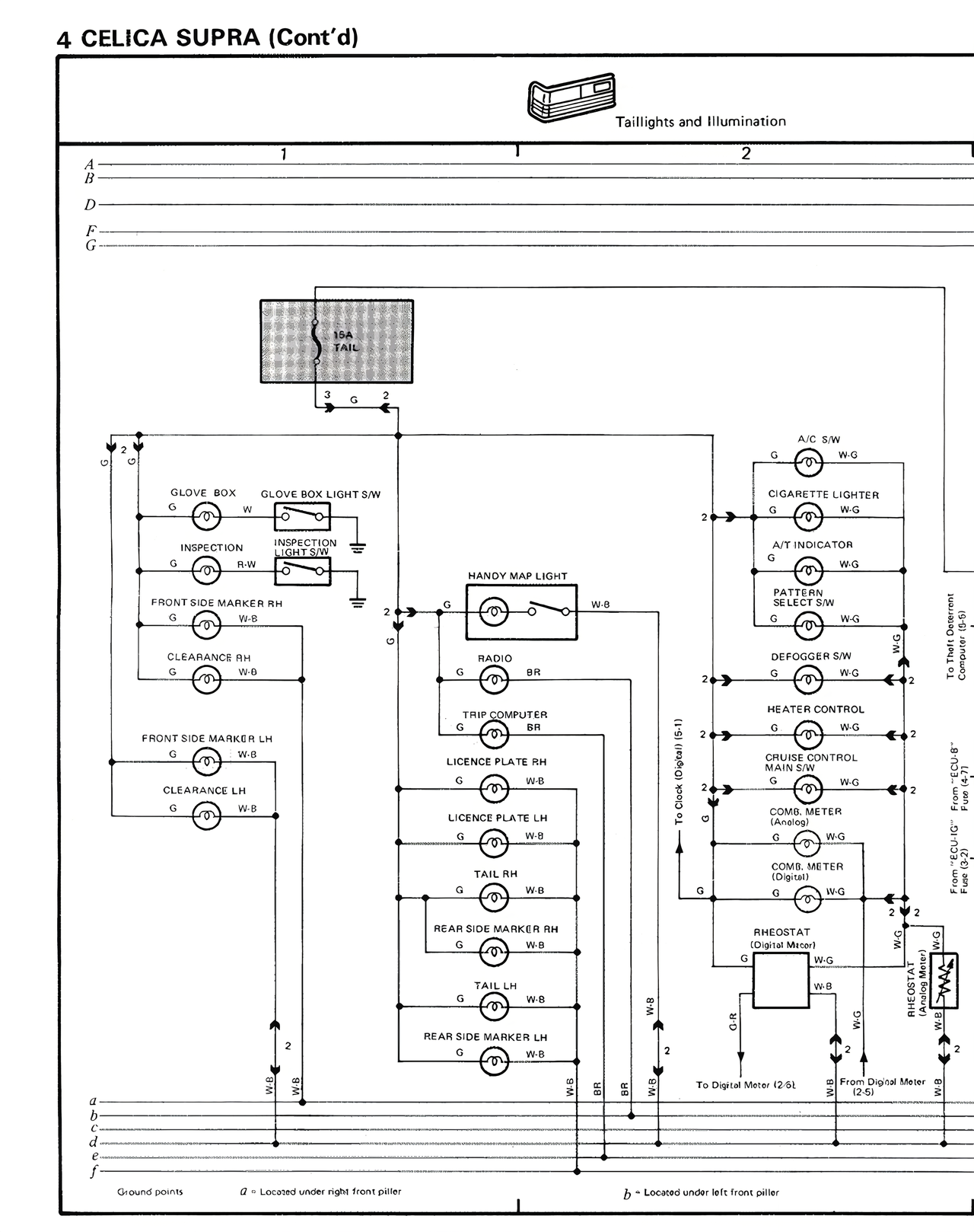
4 CELICA SUPRA (Cont'd)
Taillights and Illumination
GLOVE BOX
O W-B
INSPECTION
O B-W
FRONT SIDE MARKER RH
O W-B
CLEARANCE RH
O W-B
FRONT SIDE MARKER LH
O W-B
CLEARANCE LH
O W-B
GLOVE BOX LIGHT S/W
O
INSPECTION
O B-W
HANDY MAP LIGHT
O W-B
RADIO
O BR
HEATER/AC
O BR
LICENCE RH
O W-B
LICENCE PLATE LH
O W-B
TAIL RH
O W-B
REAR SIDE MARKER RH
O W-B
TAIL LH
O W-B
REAR SIDE MARKER LH
O W-B
A/C S/W
O
CIGAR LIGHTER
S/W
O
ASH INDICATOR
SELECT S/W
O W-G
DEFOGGER S/W
O W-G
HEATER CONTROL
O
BLOWER CONTROL
O
DRUM COUNTER
(Analog)
O W-O
COMB. METER
(Digital)
O W-O
RHEOSTAT
(Digital Meter)
O W-G
To Digital Meter (2-S)
To Front Digital Meter
RHEOSTAT
(Analog Meter)
Ground (W/H)
0 - Locates under right front pillar
b - Locates under left front pillar