Sections
26 sections · 836 pages
A
Service Specifications
AC
Air Conditioning System
AT
Automatic Transmission
B
Standard Bolt Torque Specifications
BE
Body Electrical System
BO
Body
BR
Brake System
C
SST and SSM
CH
Charging System
CL
Clutch
CO
Cooling System
D
Automatic Transmission Hydraulic Circuit
E
Electrical Wiring Diagrams
EC
Emission Control Systems
EM
Engine Mechanical
FA
Front Axle And Suspension
FI
EFI System
IG
Ignition System
IN
Introduction
LU
Lubrication System
MA
Maintenance
MT
Manual Transmission
PR
Propeller Shaft
RA
Rear Axle And Suspension
SR
Steering
ST
Starting System
TSRM
›
MK2 Supra
›
Browse Manual
SEARCH
Ctrl+K
Sections
26 sections · 836 pages
A
Service Specifications
AC
Air Conditioning System
AT
Automatic Transmission
B
Standard Bolt Torque Specifications
BE
Body Electrical System
BO
Body
BR
Brake System
C
SST and SSM
CH
Charging System
CL
Clutch
CO
Cooling System
D
Automatic Transmission Hydraulic Circuit
E
Electrical Wiring Diagrams
EC
Emission Control Systems
EM
Engine Mechanical
FA
Front Axle And Suspension
FI
EFI System
IG
Ignition System
IN
Introduction
LU
Lubrication System
MA
Maintenance
MT
Manual Transmission
PR
Propeller Shaft
RA
Rear Axle And Suspension
SR
Steering
ST
Starting System
TSRM
/
MK2 Supra
/
Electrical Wiring Diagrams
/
p.8
← 007
E · 008
009 →
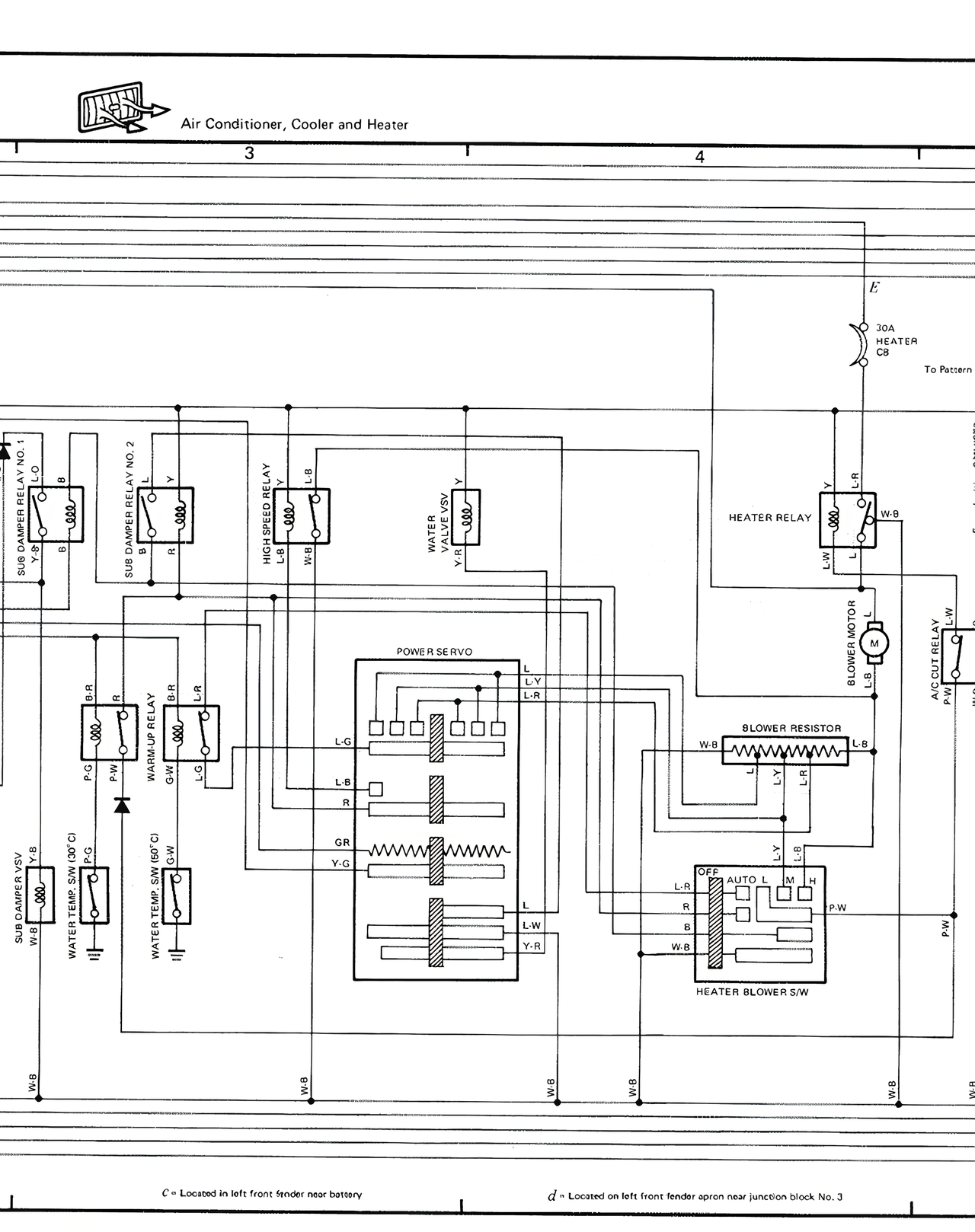
Air Conditioner, Cooler and Heater 3 4 To Return 30A FUSIBLE LINK OB HEATER RELAY BLOWER RESISTOR POWER 1st SERVO HEATER BLOWER S/W C = Located in MFL fuse/I fender near battery d = Located on left front fender apron near junction block No. 3