
100%
6
7
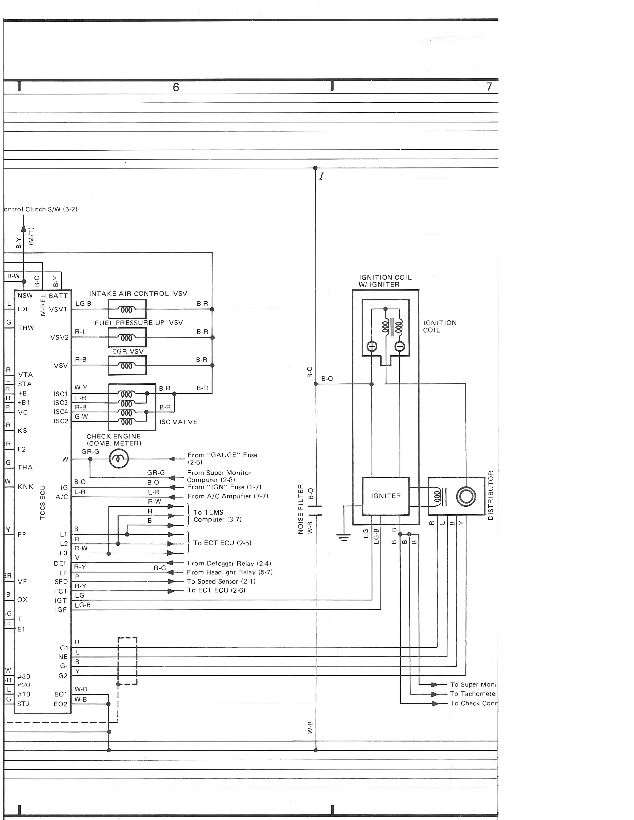
Control Clutch S/W (5-2)
B-Y
B/W
B-Y
B/W
O
B
O
B
NGW
BATT
IDL
VSV1
LG-B
INTAKE AIR CONTROL VSV
LG-B
B-R
G
VSV2
THW
FUEL PRESSURE UP VSV
R-L
B-R
VSV3
EGR VSV
R-B
B-R
R
VSV
VTA
B-O
STA
W-Y
B-R
B-R
+B
ISC1
L-R
+B1
ISC3
R-B
B-R
VC
ISC4
G-W
ISC2
ISC VALVE
KS
CHECK ENGINE
(COMB. METER)
E2
GR-G
From "GAUGE" Fuse
(2-5)
W
THA
GR-G
From Super Monitor
B-O
B-O
Computer (2-8)
KNK
IG
L-R
L-R
From "IGN" Fuse (1-7)
A/C
R-W
R-W
From A/C Amplifier (7-7)
TDCS
R
To TEMS
B
Computer (3-7)
V
L1
B
FP
L2
B
To ECT ECU (2-5)
L3
R-W
DEF
Y
R-Y
R-G
From Defogger Relay (2-4)
R
L4
R
From Headlight Relay (5-7)
VF
SPD
R-Y
To Speed Sensor (2-1)
ECT
R
R-Y
To ECT ECU (2-5)
OX
IGT
LG
IGF
LG-B
T
E1
R
G1
NE
B
G
B
G2
Y
#30
#40
#10
EO1
W-B
ST1
EO2
W-B
IGNITION COIL
W/ IGNITER
IGNITION
COOL
B-O
NOISE FILTER
B
IGNITER
LG
B
B
LG-B
B
B
B
L
L
Y
DISTRIBUTOR
WB
To Super Moni
To Tachometer
To Check Cont