
100%
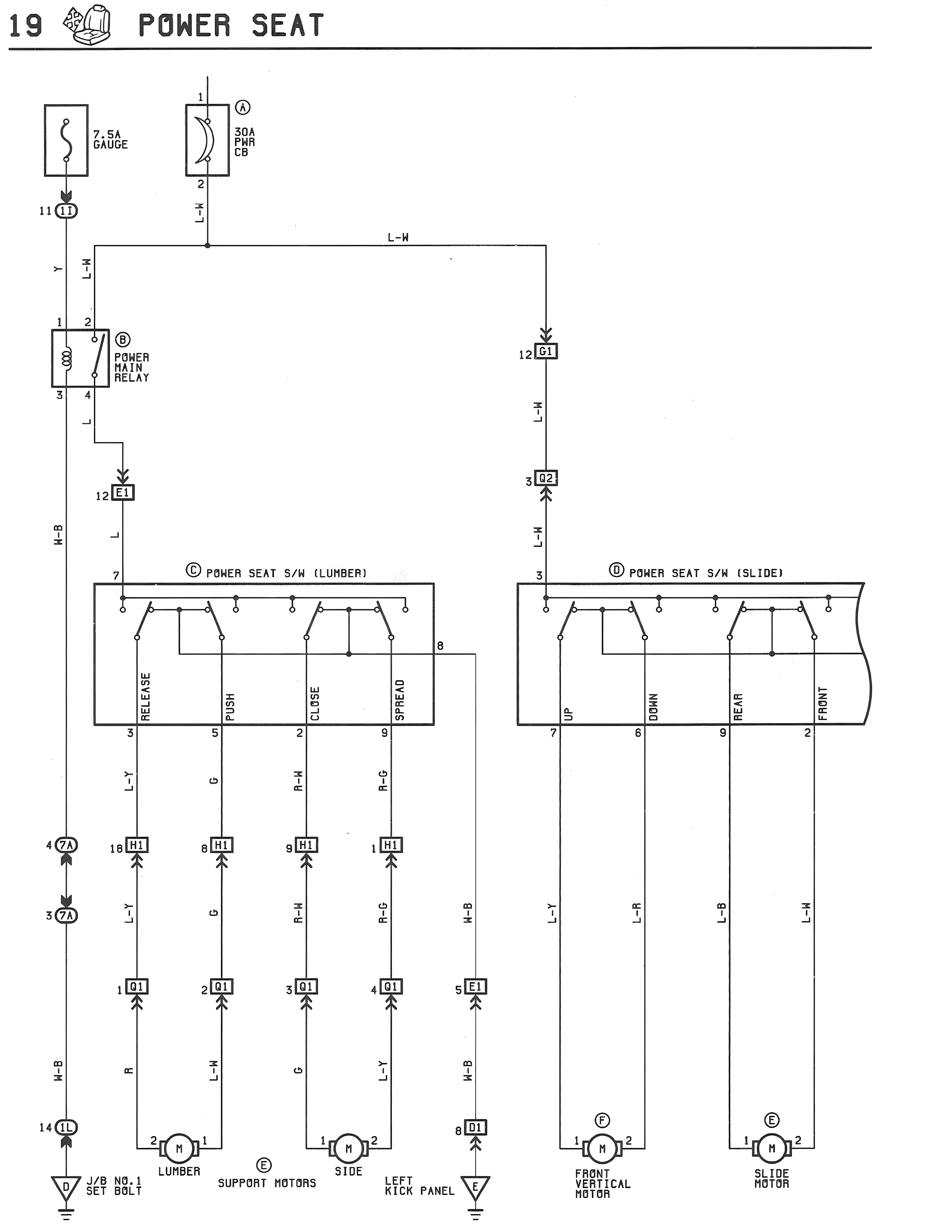
19 POWER SEAT
7.5A GAUGE
30A FOR CB
11 H
1
2
L-W
1 2
5 6 B
POWER MAIN RELAY
3 4
12 D1
W-B
12 E1
3 D2
L-Y
C POWER SEAT S/M (LUMBER)
D POWER SEAT S/M (SLIDE)
7
3
RELEASE
PUSH
CLOSE
SPREAD
UP
DOWN
REAR
FRONT
3
5
2
9
7
6
9
2
L-Y
G
R-H
R-G
L-Y
L-R
L-B
L-H
4 Z4
1B H1
8 H1
9 H1
1 H1
3 Z4
L-Y
G
R-H
R-G
W-B
L-Y
L-R
L-B
L-H
1 D1
2 D1
3 D1
4 D1
5 E1
W-B
R
L-Y
G
L-Y
W-B
14 HL
8 D1
LUMBER
E
SIDE
E
FRONT VERTICAL MOTOR
E
SLIDE MOTOR
E
SUPPORT MOTORS
J/B NO.1 (SET BOLT)
LEFT KICK PANEL