
100%
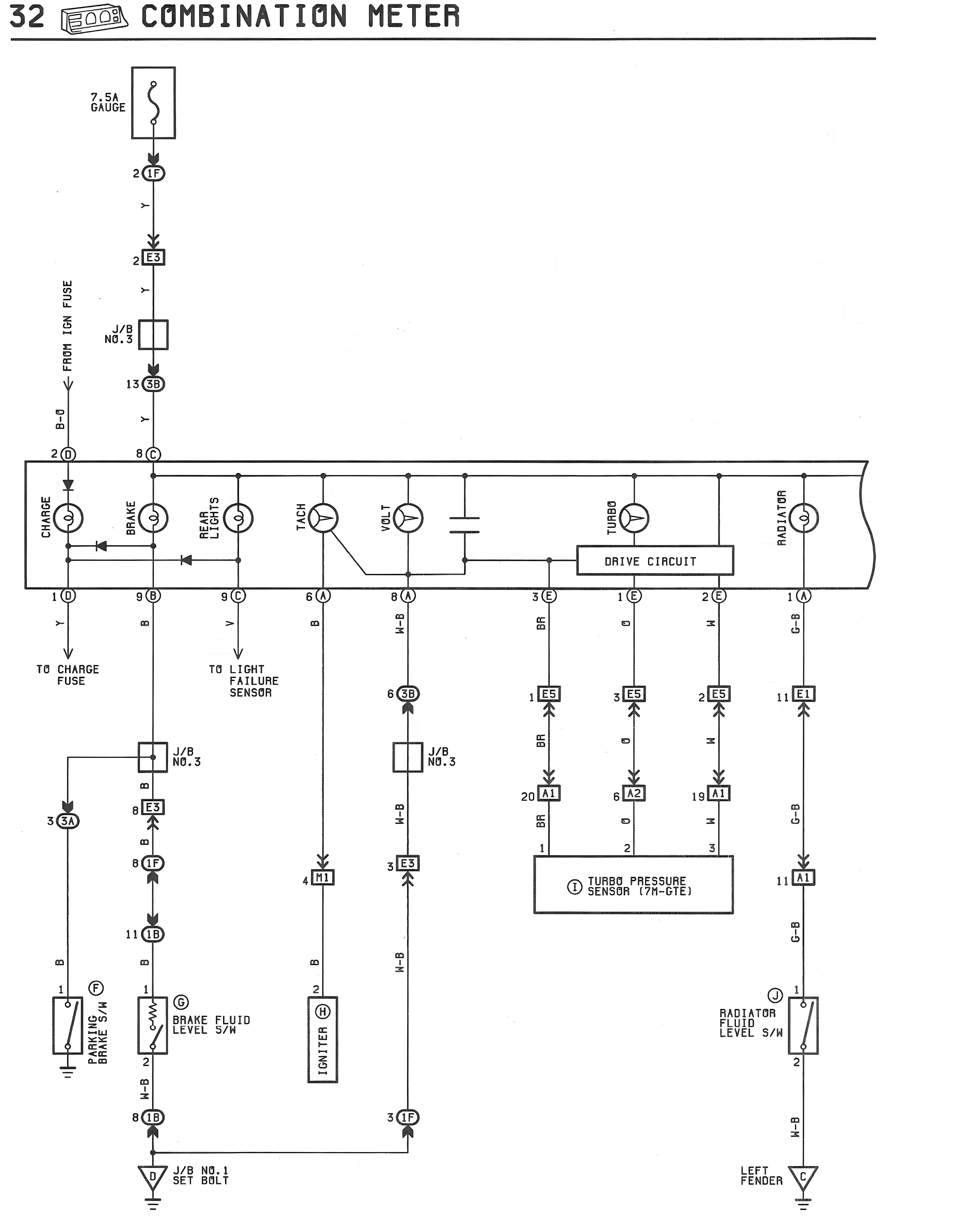
32 COMBINATION METER
7.5A GAUGE
2 F
2 E3
J/B NO.3
B-D V- FROM IGN FUSE
13 3H
2 D 8 C
CHARGE BRAKE REAR LIGHTS TACH VOLT TURBO RADIATOR
1 D 9 B 9 C 6 A 8 A 3 E 1 E 2 E 1 A
Y B Y B H-B BR IG N G-B
TO CHARGE FUSE
TO LIGHT FAILURE SENSOR
8 3H 1 E5 3 E5 2 E5 11 E1
J/B NO.3 J/B NO.3
B H-B BR IG N G-B
3 3A
8 E3 20 A1 8 A2 19 A1
B BR IG N
8 T
1 2 3
4 D1 3 E3 ① TURBO PRESSURE SENSOR (7M-GTE)
11 A1
B H-B B G-B
11 1B
B B B H-B
1 F 1 D 2 N J 1 J
2 BRAKE S/W BRAKE FLUID LEVEL S/W 2 IGNITION RADIATOR FLUID LEVEL S/W 2
H-B
8 1B 3 1F H-B
J/B NO.1 SET BOLT LEFT FENDER
DRIVE CIRCUIT