
100%
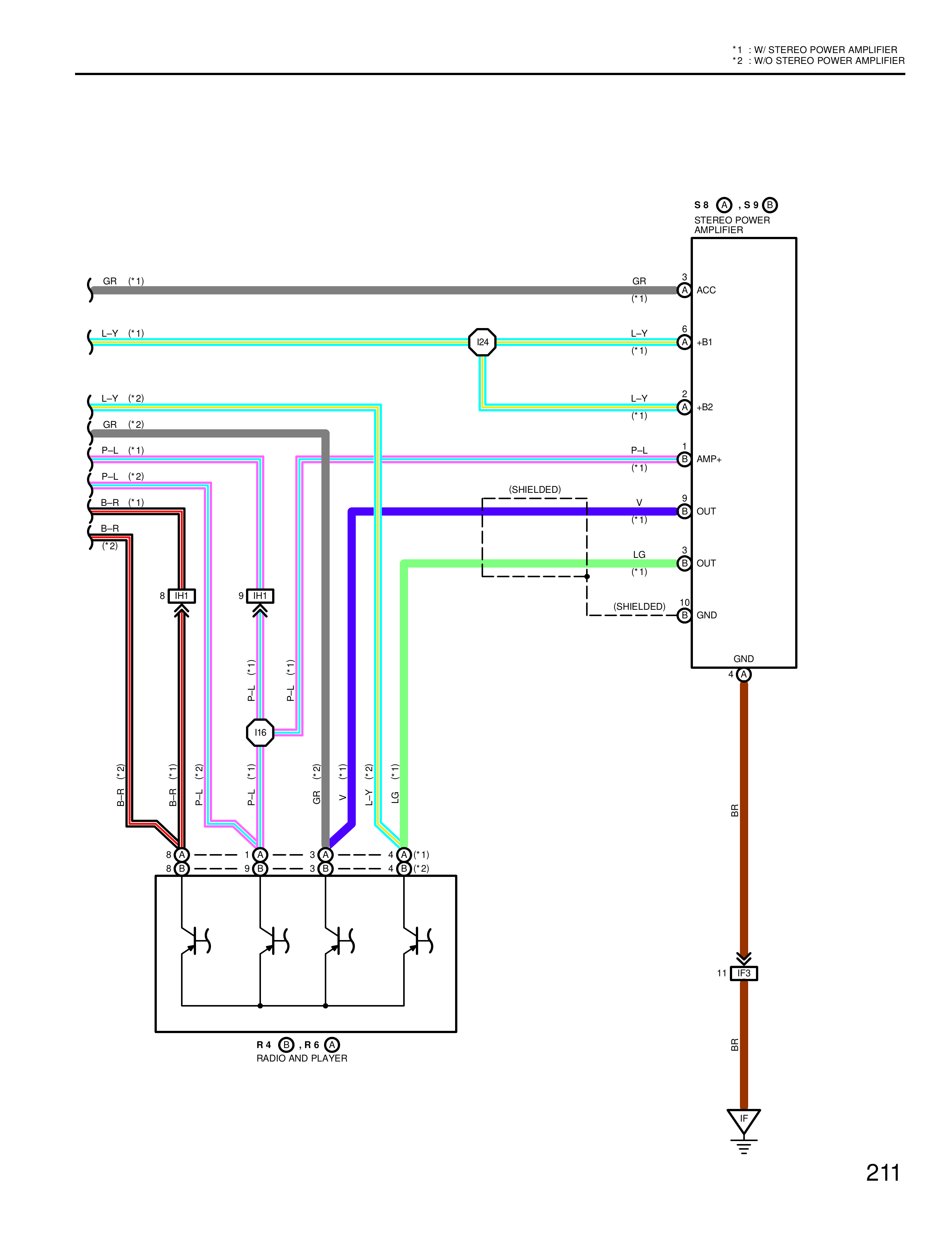
*1 : W/ STEREO POWER AMPLIFIER
*2 : W/O STEREO POWER AMPLIFIER
S 8
S 9
STEREO POWER
AMPLIFIER
GR (*1)
GR
(*1)
3
ACC
L-Y (*1)
I24
L-Y
(*1)
5
+B1
L-Y (*2)
L-Y
(*1)
6
+B2
GR (*2)
P-L (*1)
P-L
(*1)
7
AMP+
P-L (*2)
(SHIELDED)
B-R (*1)
V
(*1)
9
OUT
B-R (*2)
LG
(*1)
2
OUT
8
I11
9
I11
(SHIELDED)
10
GND
P-L (*1)
P-L (*1)
GND
+
I16
BR
B-R (*2)
B-R (*1)
P-L (*2)
P-L (*1)
GR (*2)
V (*1)
L-Y (*1)
LG (*1)
6
8
1
2
3
4 (*1)
9
7
5
4 (*2)
R 4
R 6
RADIO AND PLAYER
11
I-3
BR
211