
100%
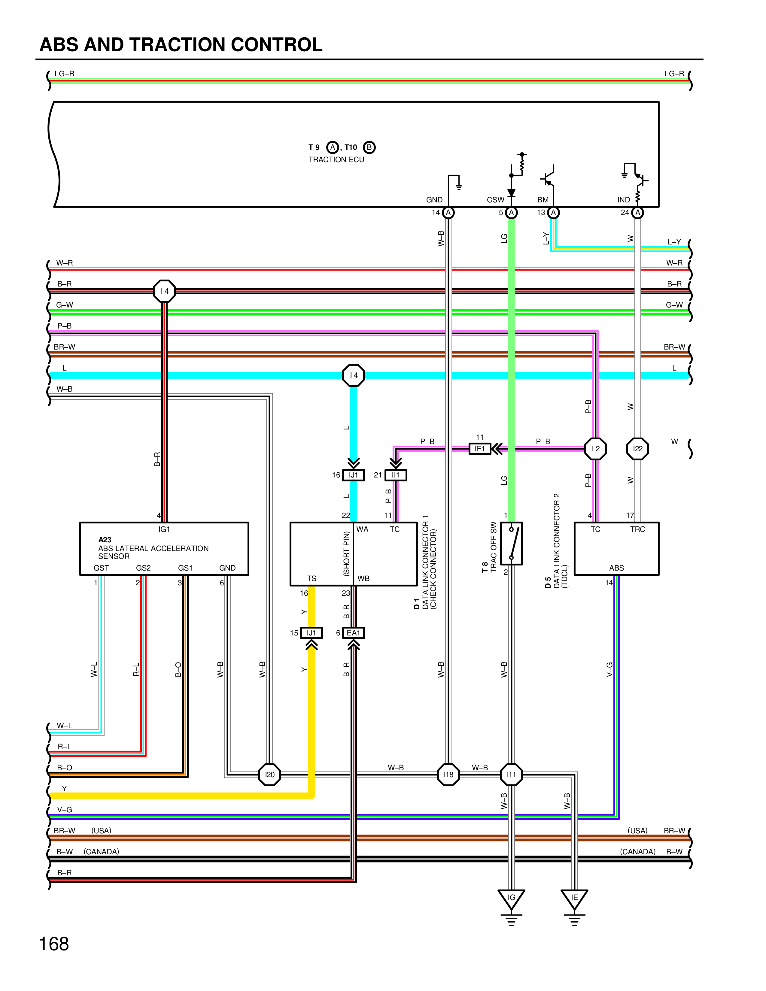
ABS AND TRACTION CONTROL
LG-R LG-R
T9 T10
TRACTION ECU
GND CSW BM IND
14 7 13 24
W-B
W-R W-R
B-R B-R
G-W G-W
P-B
BR-W BR-W
L L
W-B
L4
P-B 11 P-B W
EFI 12 22
18 M1 21 M2 TC
IG1
A23
ABS LATERAL ACCELERATION
SENSOR
GST GS2 GS1 GND
WA TC
SSSSH PIN-S D1
TS WB
16 23
Y B-R
15 M3 8 SAH
DATA LINK CONNECTOR
(OBD2 CONNECTOR)
T6 T8
D5 TRAC OFF SW
TC TRC
ABS
14
W-L R-L B-O
Y V-B
BR-W (USA) BR-W (USA) BR-W
B-W (CANADA) B-W (CANADA) B-W
B-R
I20 Y B-R W-B I13 W-B I11
168