
100%
FROM POWER SOURCE SYSTEM (SEE PAGE 56)
FROM POWER SOURCE SYSTEM (SEE PAGE 56)
10A
ECU-B
10A
ECU-IG
15A
STOP
10A
GAUGE
8
15
10
12
W-L
B-R
W
Y
B-R
15
Y
114
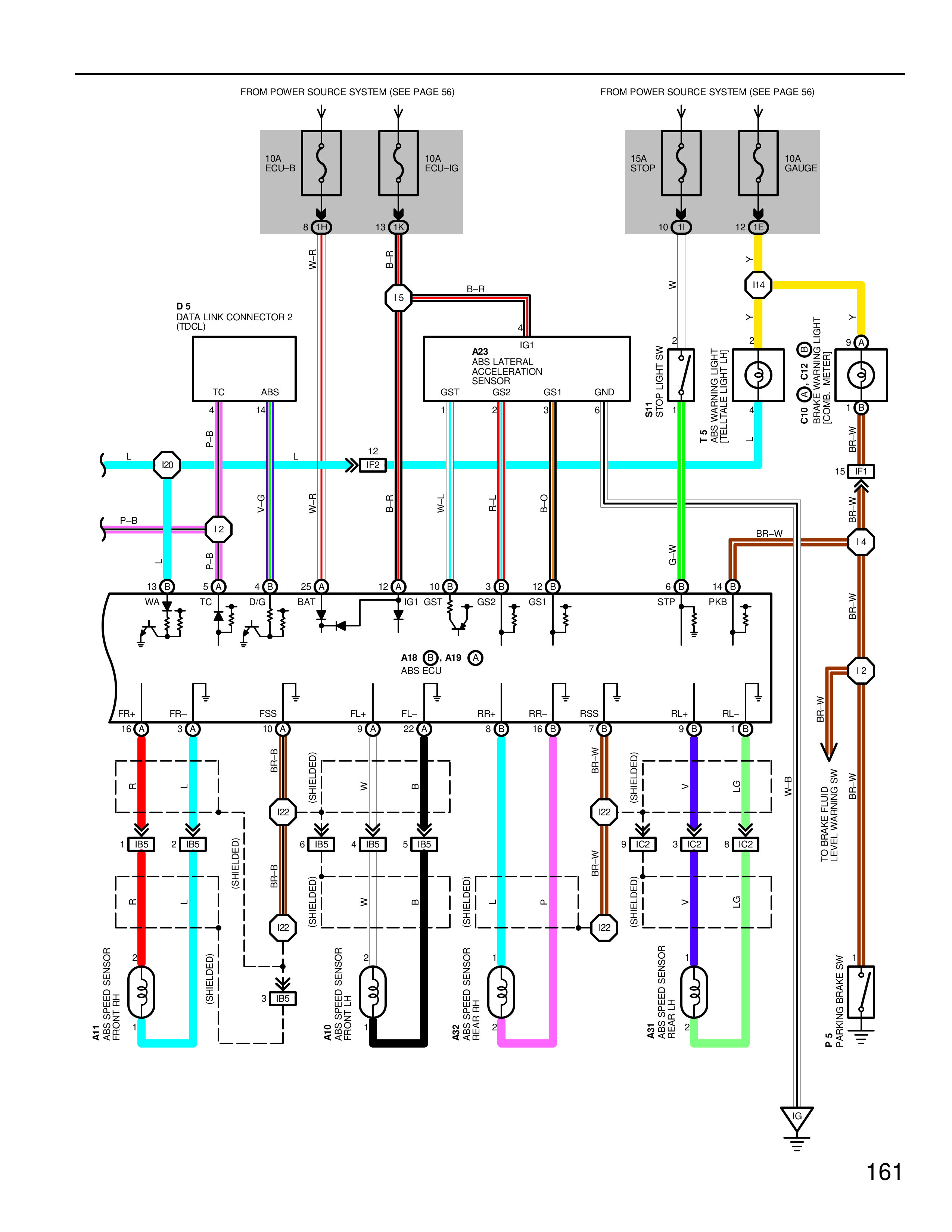
D.5
DATA LINK CONNECTOR 2
(TDCL)
Y
>
Y
>
AG1
A93
RELAY
DRL
ABS LATERAL
3
ACCELERATION
GW1
BRAKE
CG2
SENSOR
(DCV-C)
DAYTIME
METER
RUNNING LIGHT
GST
GS2
GS1
GND
RELAY
W
4
TC
ABS
1
2
3
6
G
1
STR
STOP LIGHT SW
T3
L
RELAY
D4
L
B-B
20
12
D2
L
W-L
R-L
BR-W
ERRLW
V-G
W-R
B-R
B-G
P-B
12
L4
BR-W
G-W
14
G-Y
L
P-B
13
5
4
20
12
10
3
12
6
14
WR
DG
PKB
STP
FRR
G1
GS1
GS2
GS1
A18
A19
ABS ECU
FR-
FR
FSS
FL+
FL-
RR-
RR-
RSS
RL+
RL-
18
3
10
9
22
6
16
7
9
2
BR-B
(SHIELDED)
BR-W
BR-B
Y
B
L
P
(SHIELDED)
V
LG
WR
1/2
1/2
R
L
B5
B5
B5
1
2
6
1
1
BR-B
BR-B
(SHIELDED)
(SHIELDED)
B
W
R
L
P
V
LG
(SHIELDED)
(SHIELDED)
1/2
1/2
B5
B5
4
TO BRAKE FLUID
LEVEL WARNING SW
(SEE PAGE 173)
FRONT
FRONT
FRONT
REAR
REAR
REAR
RIGHT SPEED SENSOR
LEFT SPEED SENSOR
ABS SPEED SENSOR
ABS SPEED SENSOR
ABS SPEED SENSOR
ABS SPEED SENSOR
R
BR-W
P
BRAKE BRAKE SW
5
P-B
3
161