
100%
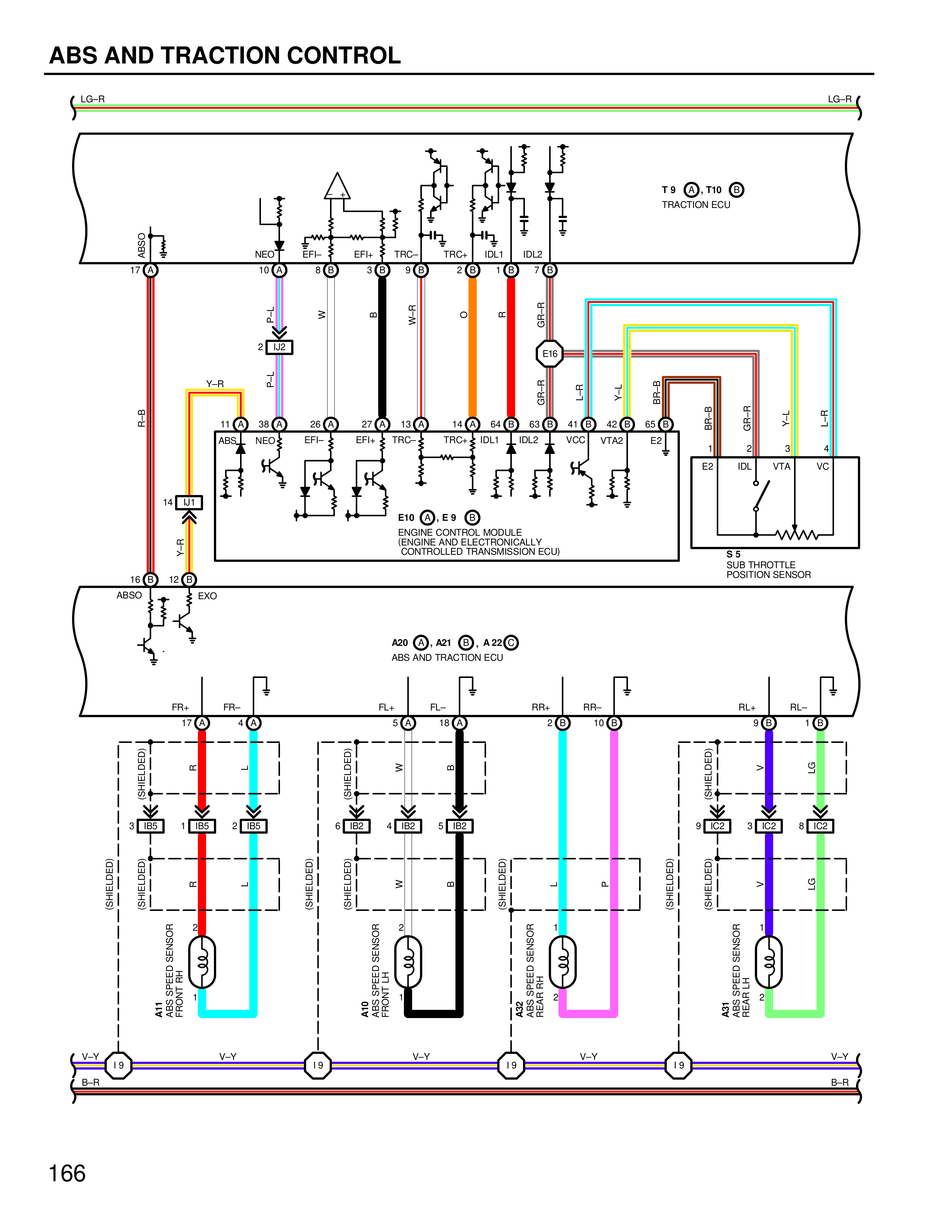
ABS AND TRACTION CONTROL
LG-R LG-R
T9 T10
TRACTION ECU
ABSO
NEO EFI+ EFI+ TRC- TRC- IDL1 IDL2
17 10 8 3 2 1
R-B
P-L
W
B
W-R
O
R
GR-B
2 IG2
E16
Y-R
GR-R L-R Y-L BR-B GR-R Y-L L-R
R-B
11 38 28 27 13 14 64 63 41 42 85
ABS+ NEO+ EFI+ EFI+ TRC+ TRC+ IDL1 IDL2 VCC VTAC E2
NEO
14 M14
E10 E9
ENGINE CONTROL MODULE
(ENGINE AND ELECTRONICALLY
CONTROLLED TRANSMISSION ECU)
E2 IDL VTA VC
Y-R
S5
SUB THROTTLE
POSITION SENSOR
16 12
ABSO EXO
A20 A21 A22
ABS AND TRACTION ECU
FR+ FR- FL+ FL- RR+ RR- RL+ RL-
17 1 15 5 7 10 9 4
SHIELDED
SHIELDED SHIELDED SHIELDED
R L W B L R Y LG
1 IG2 2 IG2 5 IG2 9 IG2 3 IG2 8 IG2
SHIELDED SHIELDED SHIELDED SHIELDED
SHIELDED SHIELDED SHIELDED SHIELDED
R L W B L R Y LG
SHIELDED SHIELDED SHIELDED SHIELDED
ABS SPEED SENSOR ABS SPEED SENSOR ABS SPEED SENSOR ABS SPEED SENSOR
FRONT RH FRONT LH REAR RH REAR LH
V-Y V-Y V-Y V-Y V-Y
19 19 19 19
B-R B-R
166