
100%
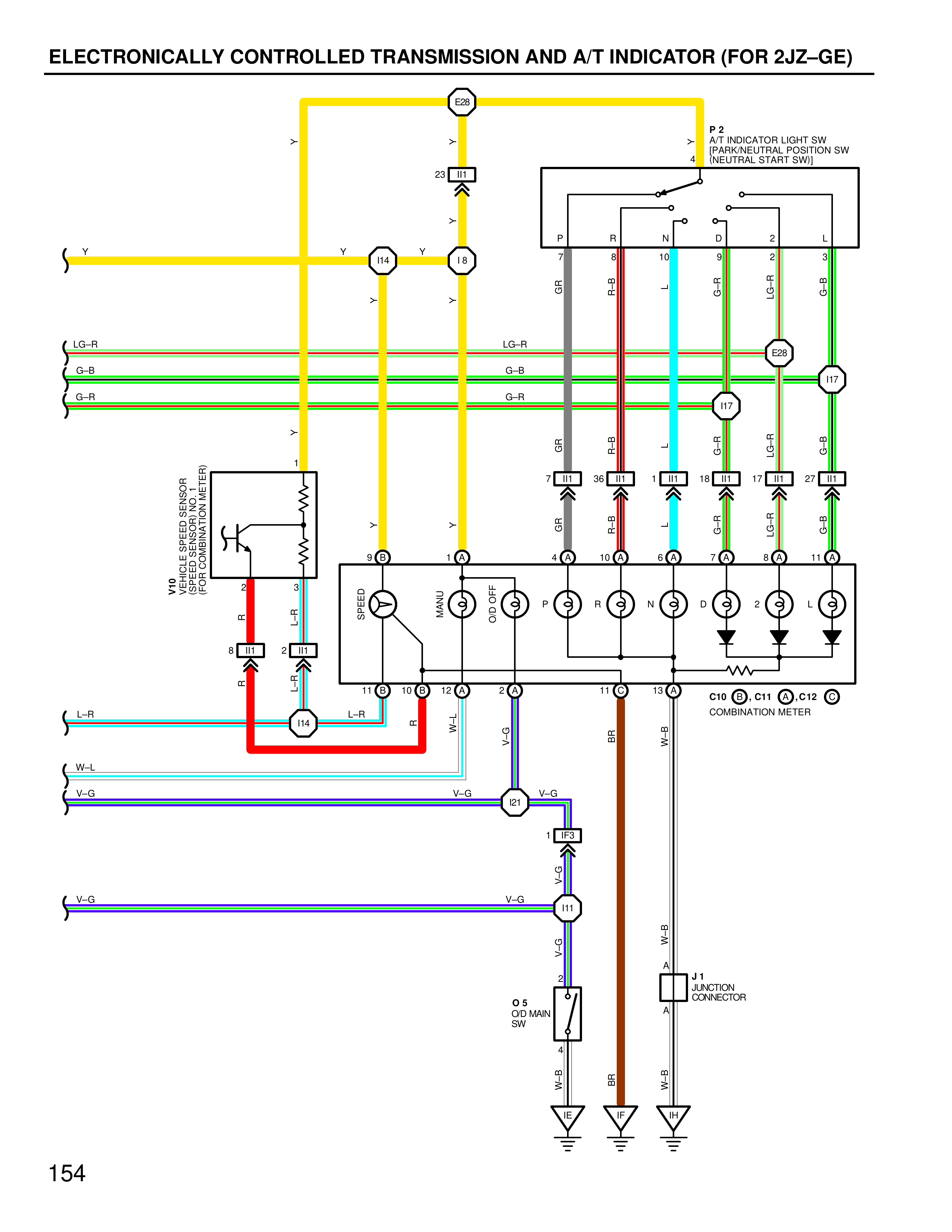
ELECTRONICALLY CONTROLLED TRANSMISSION AND A/T INDICATOR (FOR 2JZ–GE)
E26
P 2
A/T INDICATOR LIGHT SW
(PARKNEUTRAL POSITION SW
[NEUTRAL START SW])
23 I11
P R N D 2 L
7 8 10 9 2 3
GR R-B - G-R LG-R G-B
I14 I3
E26
LG-R LG-R
G-B G-B I17
G-R G-R I17
GR R-B - G-R LG-R G-B
I1 36 I11 1 I11 18 I11 17 I11 27 I11
GR R-B - G-R LG-R G-B
1 10 6 7 8 11
VHI1
(UPPER SENSOR)
(SPEED SENSOR NO.1)
[REED SWITCH NO.2]
SPEED MANU +ON– –OFF+ P R N D 2 L
GR L-R W-L V-G BR W-B
9 I11 2 I11
GR L-R
11 10 12 2 11 13 C10 C11 C12
COMBINATION METER
L-R L-R I14
W-L W-L
V-G V-G I21
I24
V-G
V-G V-G I11
V-G
J-1
JUNCTION
CONNECTOR
O 5
O/D MAIN
SW
W-B
BR W-B
154