
100%
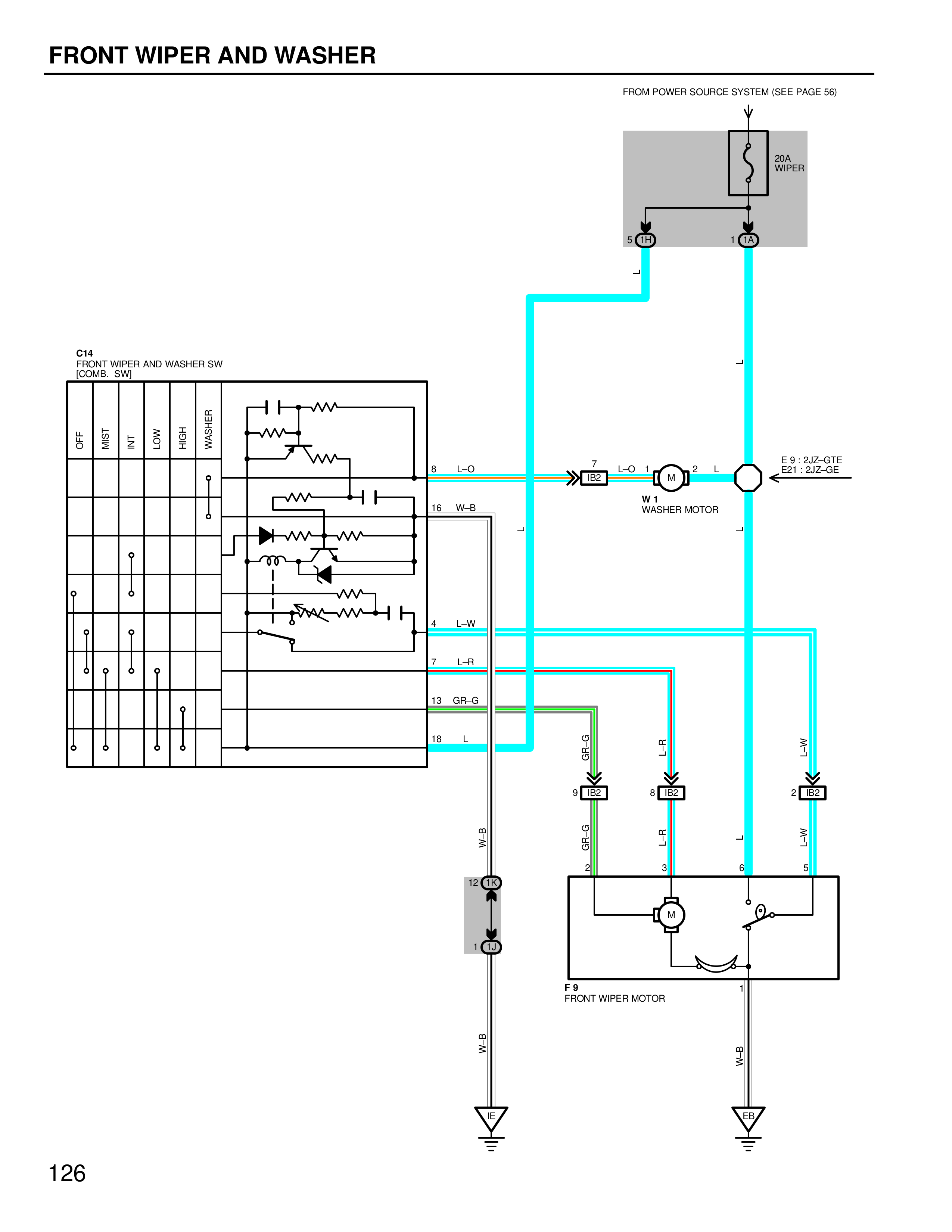
FRONT WIPER AND WASHER
FROM POWER SOURCE SYSTEM (SEE PAGE 56)
20A WIPER
5 B3
1 E4
C14
FRONT WIPER AND WASHER SW
[COMB. SW]
OFF
MIST
INT
LOW
HIGH
WASHER
8 L-O
16 W-B
4 L-W
7 L-R
13 GR-G
18 L
W-B
12 H3
H
W-B
E 9 : 2/Z-GTE
E21 : 2JZ-GE
7 L-O 1 2 L
B2
W 1
WASHER MOTOR
L-W
L-R
GR-G
9 B2
GR-G
8 B2
L-R
2 B2
L-W
2
GR-G
3
L-R
6
L-W
5
W-B
4
1
F 9
FRONT WIPER MOTOR
W-B
EB
126