
100%
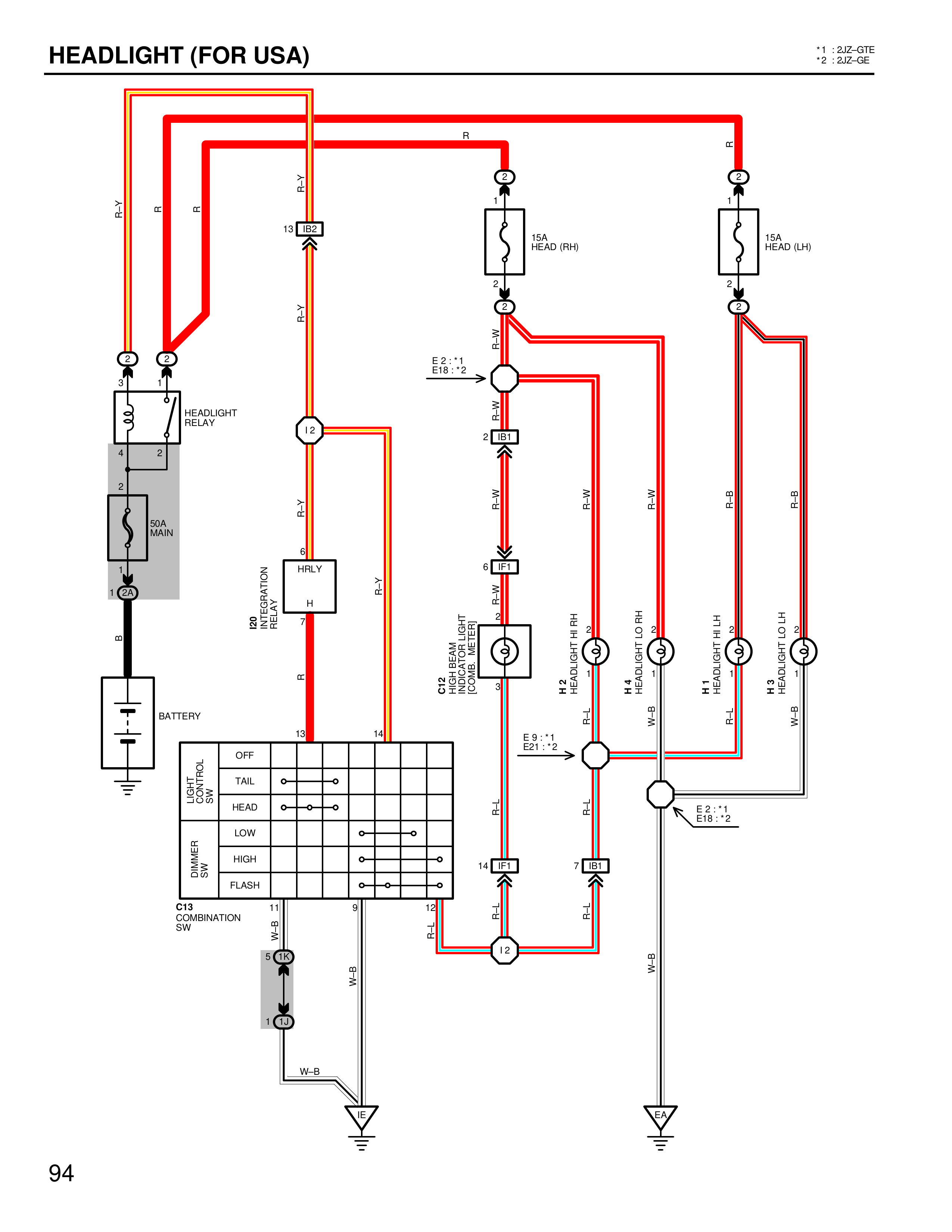
HEADLIGHT (FOR USA)
*1 :2JZ-GTE
*2 :2JZ-GE
R
G
F3
2
R-Y
R
R
R
13 RB3
15A
HEAD (RH)
15A
HEAD (LH)
R-Y
F3
1
R-W
E2:*1
E18:*2
R-W
2 RB1
R-W
R-W
R-B
R-B
HEADLIGHT
RELAY
3
7
1
12
4
2
G
HRLY
R-Y
6 RB4
2
20A
MAIN
IG2
IGNITION
RELAY
2A
H
R-W
B
7
C12
HEADLIGHT
COMBI METER
(DIMMER)
G
3
R2
HEAD (RH)
H4
HEADLIGHT LC (RH)
H1
HEADLIGHT HI-LH
H3
HEADLIGHT LO (LH)
2
3
3
3
R-L
W-B
R-L
R-L
W-B
BATTERY
13
14
E9:*1
E1:*2
OFF
LIGHT
CONTROL
SW
TAIL
1
2
3
HEAD
R-L
R-L
LOW
DIMMER
SW
HIGH
E2:*1
E18:*2
14 RB4
7 RB1
FLASH
C13
COMBINATION
SW
11
9
12
R-L
R-L
W-B
12
A3
W-B
W-B
W-B
A1
W-B
94