
100%
HOW TO USE THIS MANUAL
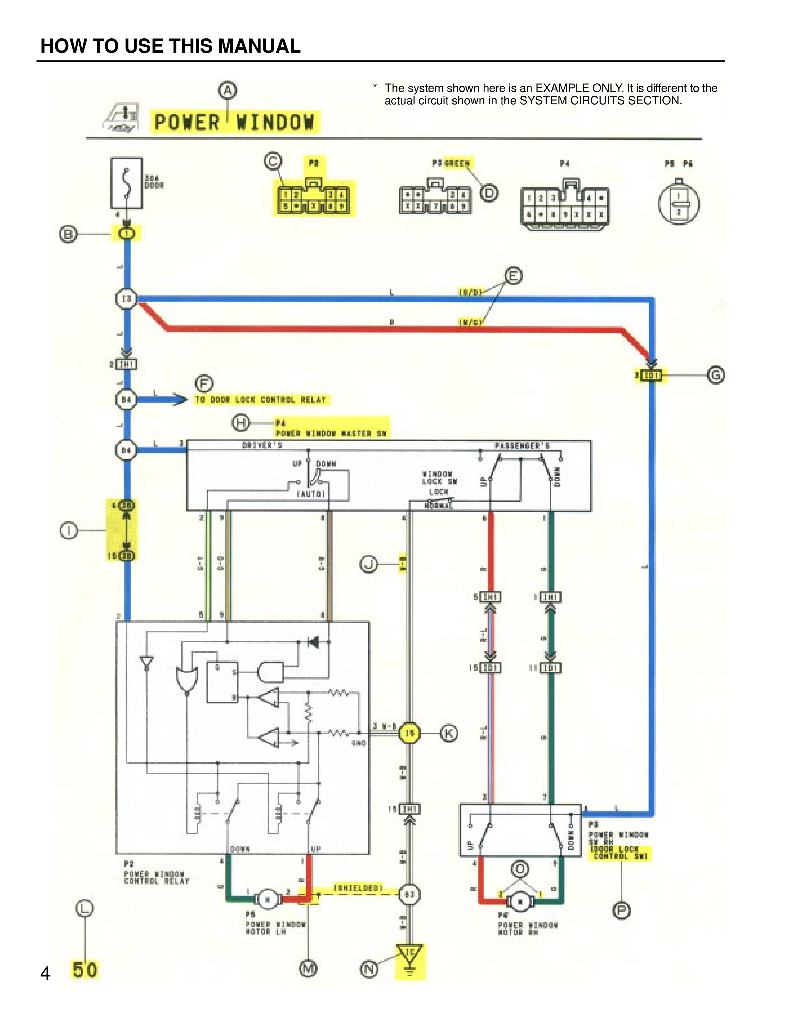
* The system shown here is an EXAMPLE ONLY. It is different to the actual circuit shown in the SYSTEM CIRCUITS SECTION.
POWER WINDOW
A
B
C D
E
F TO DOOR LOCK CONTROL RELAY
G
H P4 POWER WINDOW MASTER SW
DRIVER'S PASSENGER'S
UP DOWN WINDOW LOCK SW LOCK UNLOCK
(AUTO)
I
J
K
L P2 POWER WINDOW CONTROL RELAY
M P6 POWER WINDOW MOTOR LH
N P6 POWER WINDOW MOTOR RH
O
P P3 POWER WINDOW DOOR LOCK CONTROL SW
25A 50μF
(W/DI)
1W/DI
F4
1 UP 2 DOWN 3 5 4
2 P 6 7 8
2 EL LK
(SHIELDED)
L
3 M-B
GND
DOWN UP
P4 P4 P4 P4 P4
P4 GREEN
4 50