
100%
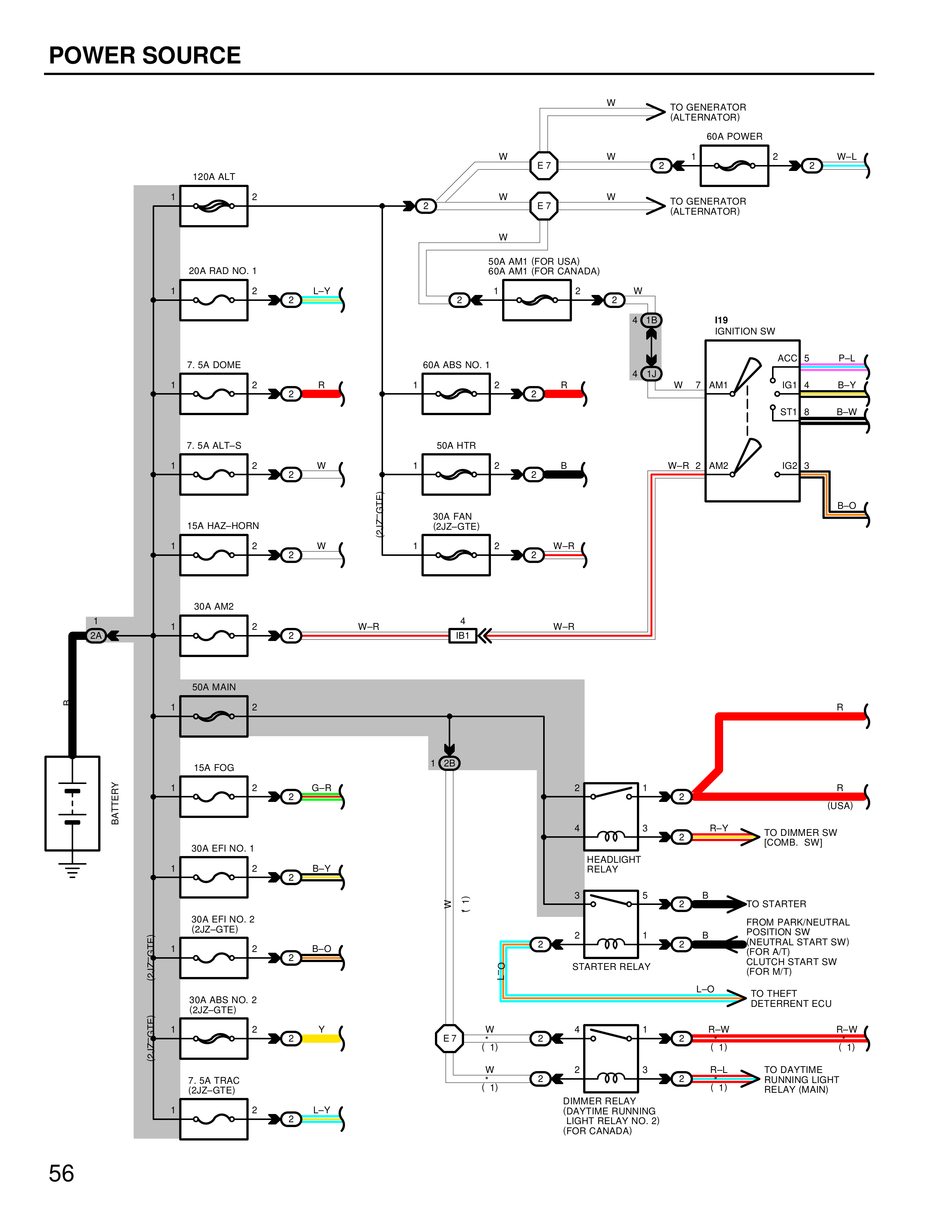
POWER SOURCE
W TO GENERATOR (ALTERNATOR)
60A POWER
W W 1 2 W-L
120A ALT
1 2
W EY W TO GENERATOR (ALTERNATOR)
W
50A AM1 (FOR USA)
20A RAD NO. 1 60A AM1 (FOR CANADA)
1 2 L-Y
1 2 W
114
I19 IGNITION SW
7. 5A DOME 60A ABS NO. 1 141
ACC 5 P-L
1 2 R R
IG1 4 B-Y
W 7 AM1
B STI 8 B-W
7. 5A ALT-S
1 2 W
50A HTR
W-R 2 AM2 IG2 3
1 2 B
B-O
30A FAN
(2JZ-GTE)
15A HAZ-HORN
1 2 W
1 2 W-R
30A AM2
W-R B1 W-R
1 2
50A MAIN
1 2
R
15A FOG B1 E01
1 2 G-R
2 1
(USA)
4 3
R-Y TO DIMMER SW
30A EFI NO. 1 (COMB. SW)
HEADLIGHT
BATTERY 1 2 B-Y RELAY
30A EFI NO. 2
6 5
(2JZ-GTE) B TO STARTER
1 2 B-O FROM PARK/NEUTRAL
2 1 POSITION SW
(NEUTRAL START SW)
B CLUTCH START SW
STARTER RELAY (FOR M/T)
30A ABS NO. 2 L-O TO THEFT
(2JZ-GTE) DETERRENT ECU
1 2 Y
4 1 R-W R-W
W ( 1) ( 1)
W 2 3
( 1) R-L TO DAYTIME
7. 5A TRAC ( 1) RUNNING LIGHT
(2JZ-GTE) RELAY (MAIN)
DIMMER RELAY
1 2 L-Y (DAYTIME RUNNING
LIGHT RELAY NO. 2)
(FOR CANADA)
56