
100%
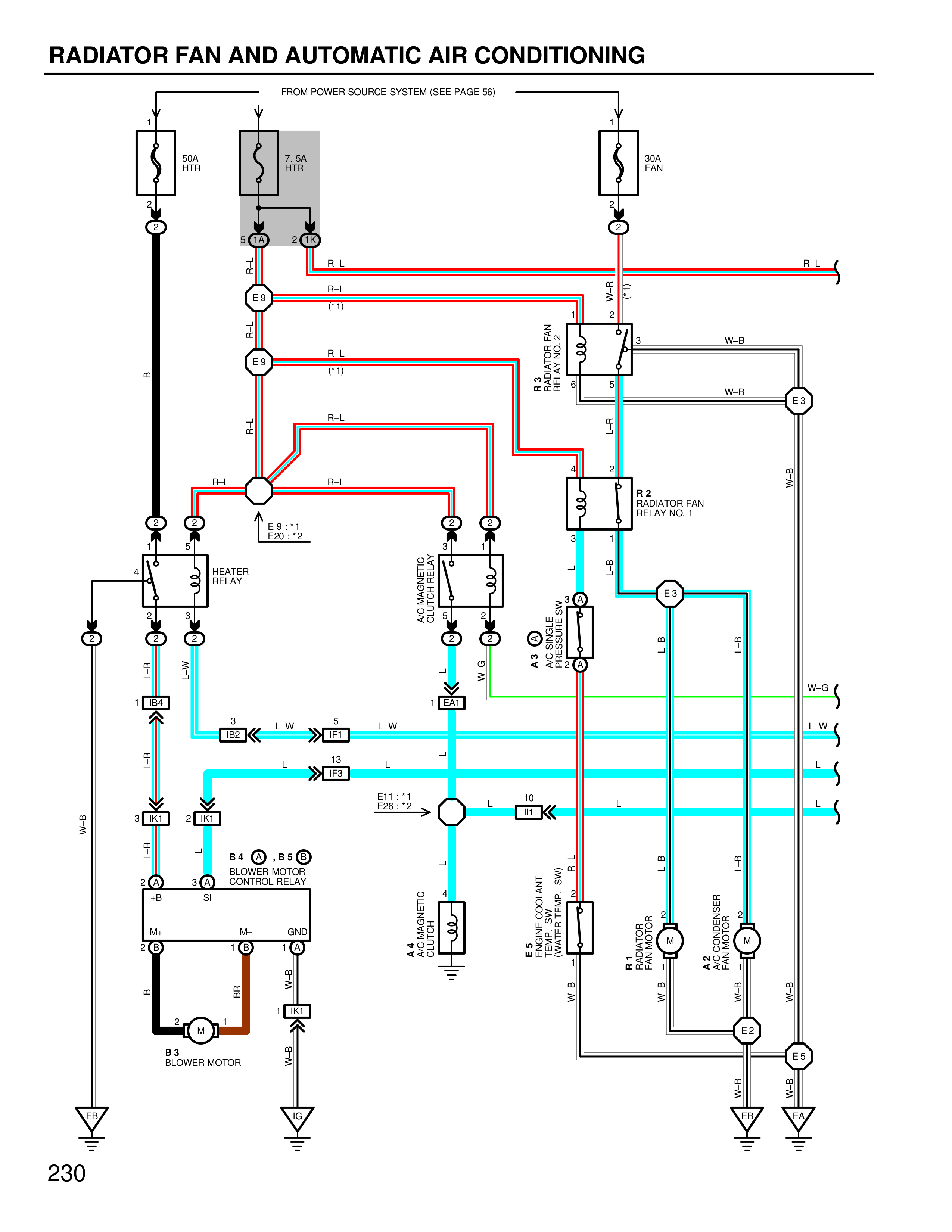
RADIATOR FAN AND AUTOMATIC AIR CONDITIONING
FROM POWER SOURCE SYSTEM (SEE PAGE 56)
1 50A HTR
2 7.5A HTR
3 30A FAN
E8 (*1) R-L R-L
E3 (*1) R-L R-L
R-L R-L R-L R-L R-L R-L
E9 : *1
E20 : *2
HEATER RELAY
A.C. MAGNETIC CLUTCH RELAY
4
L-R L-R L-B L-B L-B L-B
1 B4
R2
3 L-W B1 5 L-W
R3 4 L
E11 : *1
E26 : *2
3 K1 2 K1
W-B
B4 B5
BLOWER MOTOR CONTROL RELAY
2 1 3
-B SI
M+ M- GND
B 1
M
B3 BLOWER MOTOR
W-B
1 K1
W-B
A.C. MAGNETIC CLUTCH
EX1
L 10 I1
E5 REFRIGERANT TEMPERATURE SWITCH SW
-B
R2 RADIATOR FAN RELAY NO. 1
3 1
2
L-B L-B
R1 RADIATOR FAN MOTOR
2 1
M
W-B W-B
A2 CONDENSER FAN MOTOR
2 1
M
E2
W-B W-B
E6
W-B
L-W L-W L L
W-G L-W L L
R8 RADIATOR FAN RELAY NO. 2
7 3
5 6
W-R L L L
2 1
L-B
W-B
E3
W-B
230