
100%
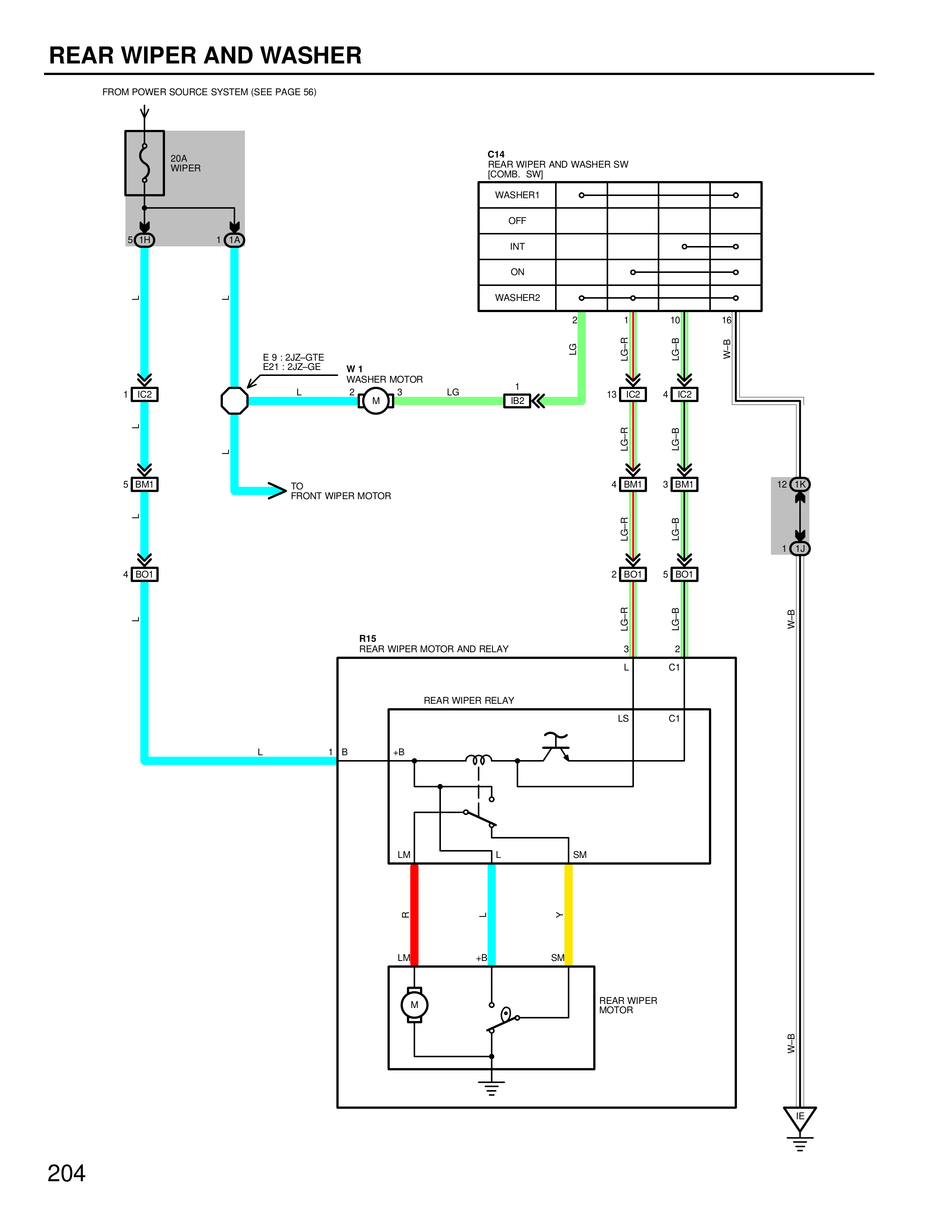
REAR WIPER AND WASHER
FROM POWER SOURCE SYSTEM (SEE PAGE 56)
20A
WIPER
B1
14
E9 : 2JZ-GTE
E21 : 2JZ-GE
W 1
WASHER MOTOR
L
M
3
1
LG
B2
C2
1
5 BW1
4 BG1
R15
REAR WIPER MOTOR AND RELAY
REAR WIPER RELAY
1 B
+B
LS
C1
LM
L
SM
R
L
Y
LM
+B
SM
M
REAR WIPER
MOTOR
C14
REAR WIPER AND WASHER SW
(COMB. SW)
WASHER1
OFF
INT
ON
WASHER2
2
1
10
16
LG
LG-R
LG-B
W-B
13 C2
4 C4
4 BW1
3 BW1
2 BG1
5 BG1
LG-R
LG-B
LG-R
LG-B
3
2
L
C1
15 H4
1 I1
W-B
204