
100%
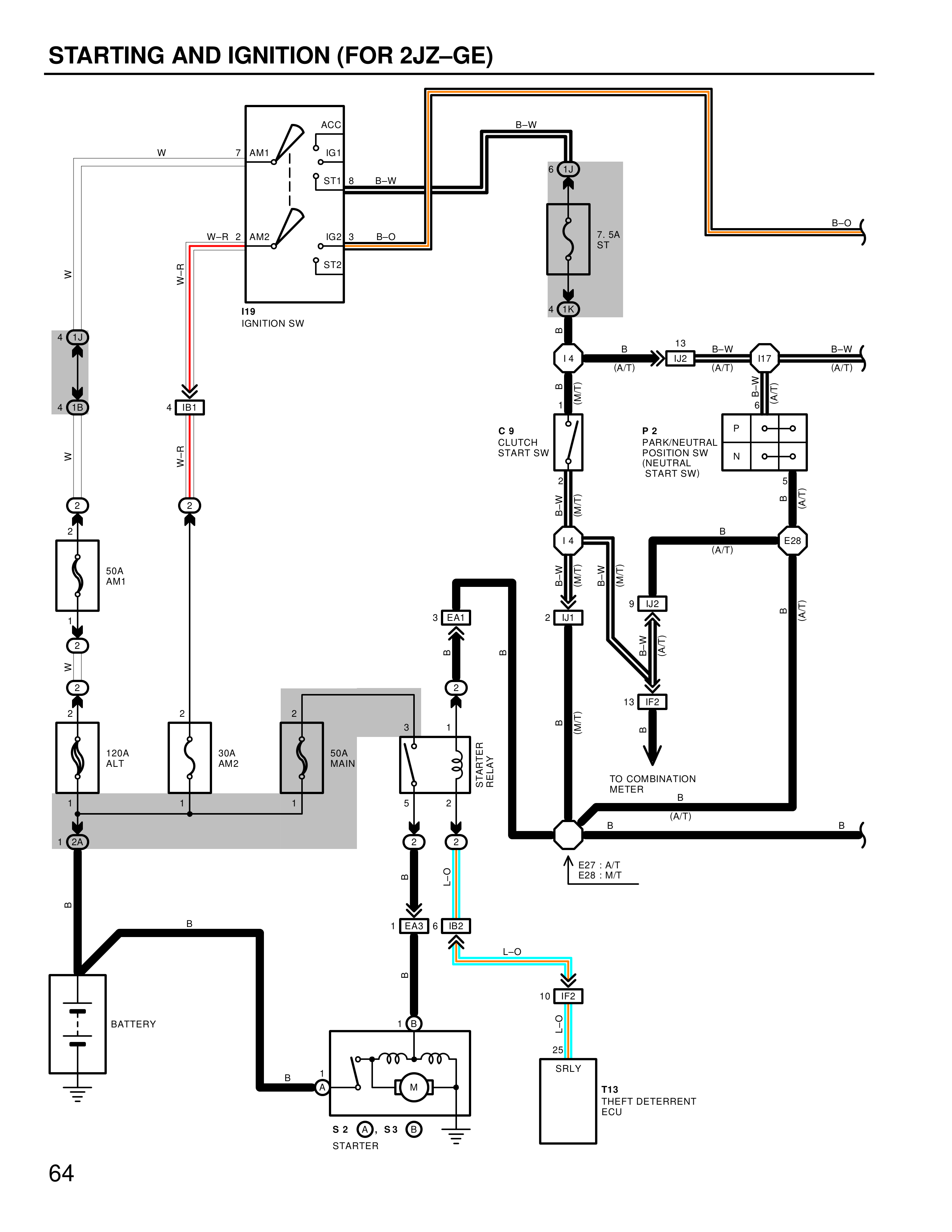
STARTING AND IGNITION (FOR 2JZ-GE)
W 7 AM1 ACC D IG1 ST1 8 B-W
W-R 2 AM2 IG2 3 B-O ST2
W W-R
I19 IGNITION SW
4 M4 4 IB1 4
W W-R
2 2
50A AM1
2 2
120A ALT
1 30A AM2 1 1 50A MAIN 2
E2A
1 22a
B B
1 EA5 3 IB2
BATTERY
1 G
S 2 S3 C M
STARTER
B-W B-W
6 7.5A ST
4 B
I 4
B
13 B-W I17 B-W
I 2 (A/T) (A/T) 2 (A/T)
B B
6
C 9 P 2 P
CLUTCH PARK/NEUTRAL
START SW POSITION SW N
(NEUTRAL 3
2 START SW) 9
3-W
3-W
I 4
B E28
(A/T)
3-W 3-W
9 U2
B
3 LM1 3 LM1 (A/T)
3-W
B B
13 IP4
B
(M/T)
TO COMBINATION METER
B
(A/T)
B
E27 : A/T
E28 : M/T
L-O
B
10 IP2
25
SRLY
T13 THEFT DETERRENT ECU
64