
100%
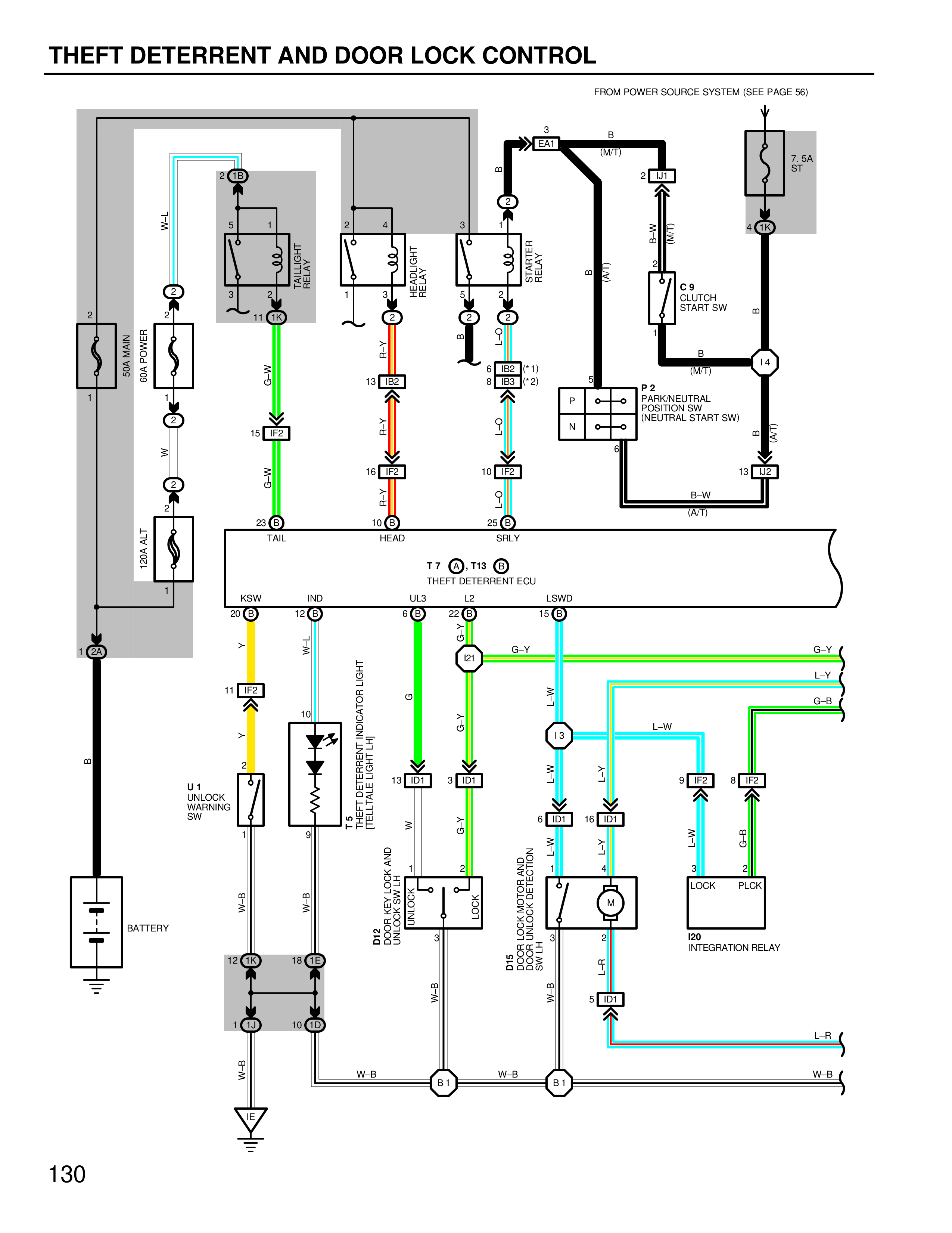
THEFT DETERRENT AND DOOR LOCK CONTROL
FROM POWER SOURCE SYSTEM (SEE PAGE 56)
3 EAT B (M/T) B 7.5A ST 2 J/1 P2 B (M/T) 4 J/3 C9 CLUTCH START SW B (M/T) I/1 P2 PARK/NEUTRAL POSITION SW/ NEUTRAL START SW) P N B (M/T) 13 U5 B-W (A/T)
2 J/3 T-W 1 1 W J/2 11 J/3 J/2 J/2 J/2 19 J/2 18 J/32 (*1) J/32 (*2) G-W G-W 15 J/2 L-O 16 J/3 10 J/2 TAIL HEAD SRLY 23 O 10 O 25 O T7 O T13 G THEFT DETERRENT ECU KSW IND UL3 L2 LSWD 20 L 12 L 6 L 23 L 14 L Y W-I G-Y G-Y L-Y G-B L-W 11 J/2 10 J/3 13 J/31 8 J/21 G-Y Y-L 18 L-W U1 UNLOCK INDICATOR SW 9 THEFT DETERRENT INDICATOR LIGHT ILLUMINATION LIGHT 9 J/2 8 J/2 G-Y L-W Y W 6 J/31 16 J/31 G-Y L-W LOCK PLOCK I20 INTEGRATION RELAY D02 DOOR KEY UNLOCK WARNING LOCK 1 LOCK 1 D01 DOOR UNLOCK/LOCK DRIVER DOOR MOTOR SWITCH L-B L-B W-B W-B 5 J/31 W-B W-B BATTERY 12 L/C 18 L/3 W-B 1 O 10 L/3 W-B W-B B1 D1 W-B
130