
TOYOTA SUPRA
Eol (7M-GTE)
7 I 8
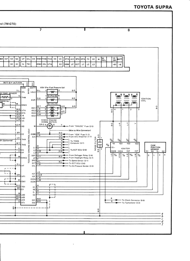
[THIS IS DIAGRAM: Complex electrical wiring diagram showing various connections and components including:
- Battery connections
- VSV (For Fuel Pressure Up)
- Charge/Exhaust switch-Over VSV
- Various ECU connections
- IGN, IGF, and ECT inputs
- Oil cooler bypass VSV
- CAM Position Sensor
- Multiple relay and connector points
Key components labeled:
- BATT
- CHK
- E02
- VSV connections
- Multiple numbered terminals and pins
- Notes indicating wire colors (B/R, B/W, etc.)
- References to "From GAUGE Fuse (2.5)", "From IGN Fuse (1.7)", "From A/C Amplifier (1.7)"
- "To ECT ECU (2.5)"
- "To Oil Charger Relay (2.4)"
- "To ABS & TRAC Relay (5.7)"
- "To Speed Sensor (5.1)"
- "To ECT ECU (2.6)"
- "To Oil Pressure Sender (3.3)"
- "To Check Connector (8.6)"
- "To Tachometer (2.5)"
Ignition coil symbol shown in upper right
Various numbered connection points: 100A, 102A, 101A, 103A, 104A, 105A]