
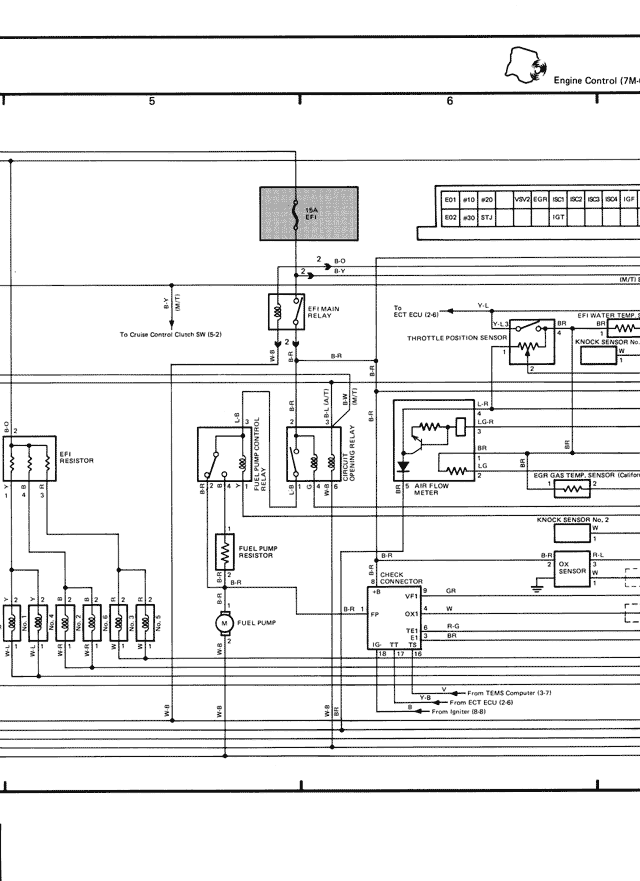
Engine Control (7M-GE, 7M-GTE)
5
6
7M-
EG1 W10 KNO VF02 EG31 IG3 IG2 IG33 IG34 IGT
FG2 IDO ST2 IGT
THROTTLE POSITION SENSOR
EFI WATER TEMP SENSOR
KNOCK SENSOR No. 1
AIR FLOW METER
COLD START INJECTOR
KNOCK SENSOR No. 2
O2 SENSOR
CHECK CONNECTOR
EFI MAIN RELAY
ECT ECU (2-6)
INJ1
INJ2
INJ3
INJ4
INJ5
INJ6
FUEL PUMP RESISTOR
FUEL PUMP
From TEMS Computer (3-7)
From ECT ECU (2-6)
Ignitor (6-8)
To Cruise Control Clutch SW (5-2)
EFI RESISTOR