
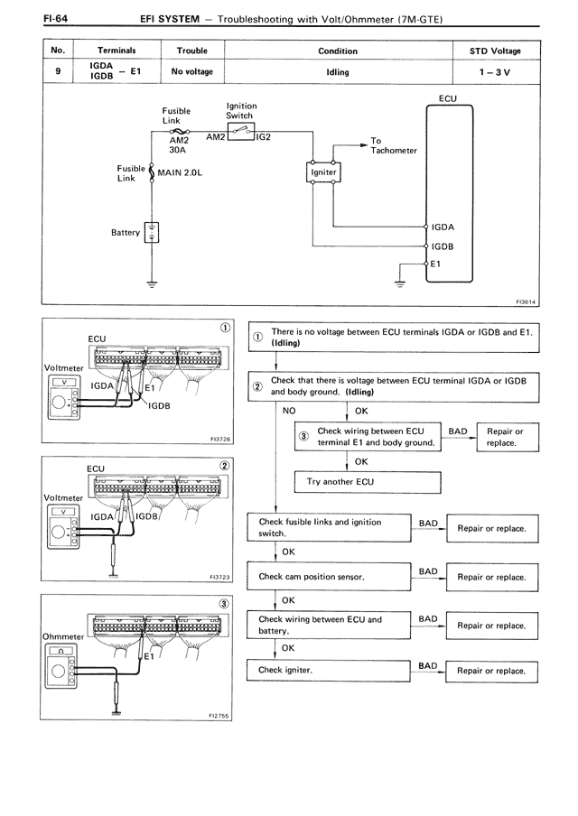
FI-64 EFI SYSTEM — Troubleshooting with Volt/Ohmmeter (7M-GTE)
No. | Terminals | Trouble | Condition | STD Voltage
9 | IGDA — E1 | No voltage | Idling | 1 — 3 V
IGDB
[CIRCUIT DIAGRAM showing:
- ECU
- Fusible Link
- AM2 (30A)
- AM2
- MAIN 2.0L
- Fusible Link
- Battery
- IG2
- Ignition Switch
- Igniter
- To Tachometer
- IGDA
- IGDB
- E1
FD343]
[DIAGRAM 1 showing ECU with voltmeter connected to IGDA, E1, and IGDB terminals]
FD372b
1. There is no voltage between ECU terminals IGDA or IGDB and E1. (Idling)
2. Check that there is voltage between ECU terminal IGDA or IGDB and body ground. (Idling)
NO | OK
3. Check wiring between ECU terminal E1 and body ground. BAD → Repair or replace.
OK
Try another ECU
Check fusible links and ignition switch. BAD → Repair or replace.
OK
Check cam position sensor. BAD → Repair or replace.
OK
Check wiring between ECU and battery. BAD → Repair or replace.
OK
Check igniter. BAD → Repair or replace.
[DIAGRAM 2 showing ECU with voltmeter connected to IGDA, IGDB and ground]
FD372a
[DIAGRAM 3 showing Ohmmeter connected to E1 and ground]
FD375a