
EFI SYSTEM — Troubleshooting with Volt/Ohmmeter (7M-GTE) FI-63
No. | Terminals | Trouble | Condition | STD Voltage
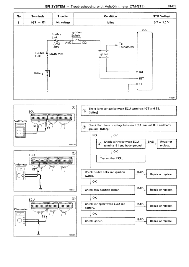
8 | IGT — E1 | No voltage | Idling | 0.7 — 1.0 V
[DIAGRAM: Circuit diagram showing Battery, MAIN 2.0L Fusible Link, AM2 30A, Ignition Switch with AM2 and IG2, ECU with connections to Tachometer, Igniter, IGF, IGT, and E1, with ground connections]
FI0814
[DIAGRAM 1: ECU connector diagram showing Voltmeter connected to IGT and E1 terminals]
1. There is no voltage between ECU terminals IGT and E1. (Idling)
2. Check that there is voltage between ECU terminal IGT and body ground. (Idling)
NO | OK
3. Check wiring between ECU terminal E1 and body ground. | BAD | Repair or replace.
OK
Try another ECU.
FI2770
[DIAGRAM 2: ECU connector diagram showing Voltmeter connected to IGT terminal and ground]
Check fusible links and ignition switch. | BAD | Repair or replace.
OK
Check cam position sensor. | BAD | Repair or replace.
OK
Check wiring between ECU and battery. | BAD | Repair or replace.
OK
Check igniter. | BAD | Repair or replace.
FI2771
[DIAGRAM 3: ECU connector diagram showing Ohmmeter connected to E1 terminal and ground]
FI2754