
100%
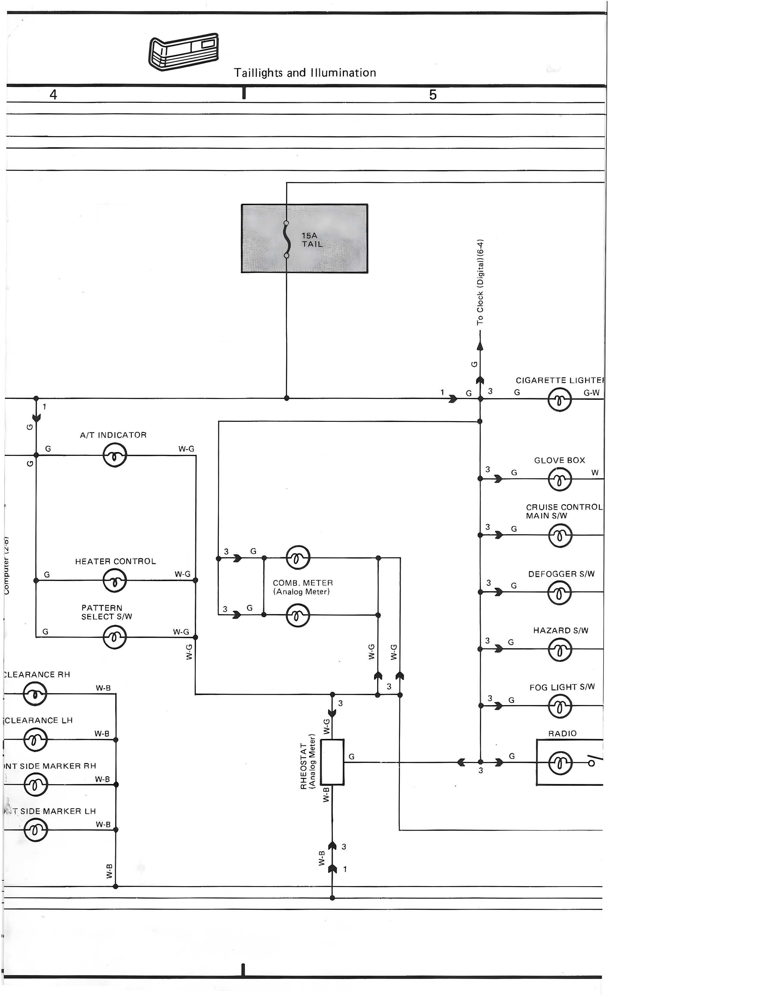
Taillights and Illumination
4
5
15A TAIL
To Clock (Digital) (E21)
G
3
CIGARETTE LIGHTER
G
G-W
G
A/T INDICATOR
W-G
G
GLOVE BOX
3
G
W
CRUISE CONTROL MAIN S/W
3
G
3
G
HEATER CONTROL
W-G
COMB. METER (Analog Meter)
DEFOGGER S/W
3
G
3
G
PATTERN SELECT S/W
W-G
HAZARD S/W
3
G
G
W-G
W-G
W-G
CLEARANCE RH
3
W-B
FOG LIGHT S/W
3
3
G
CLEARANCE LH
W-B
RADIO
G
G
3
RHEOSTAT (Analog Meter)
NT SIDE MARKER RH
W-B
G
W-B
NT SIDE MARKER LH
W-B
W-B
3
W-B
1