
100%
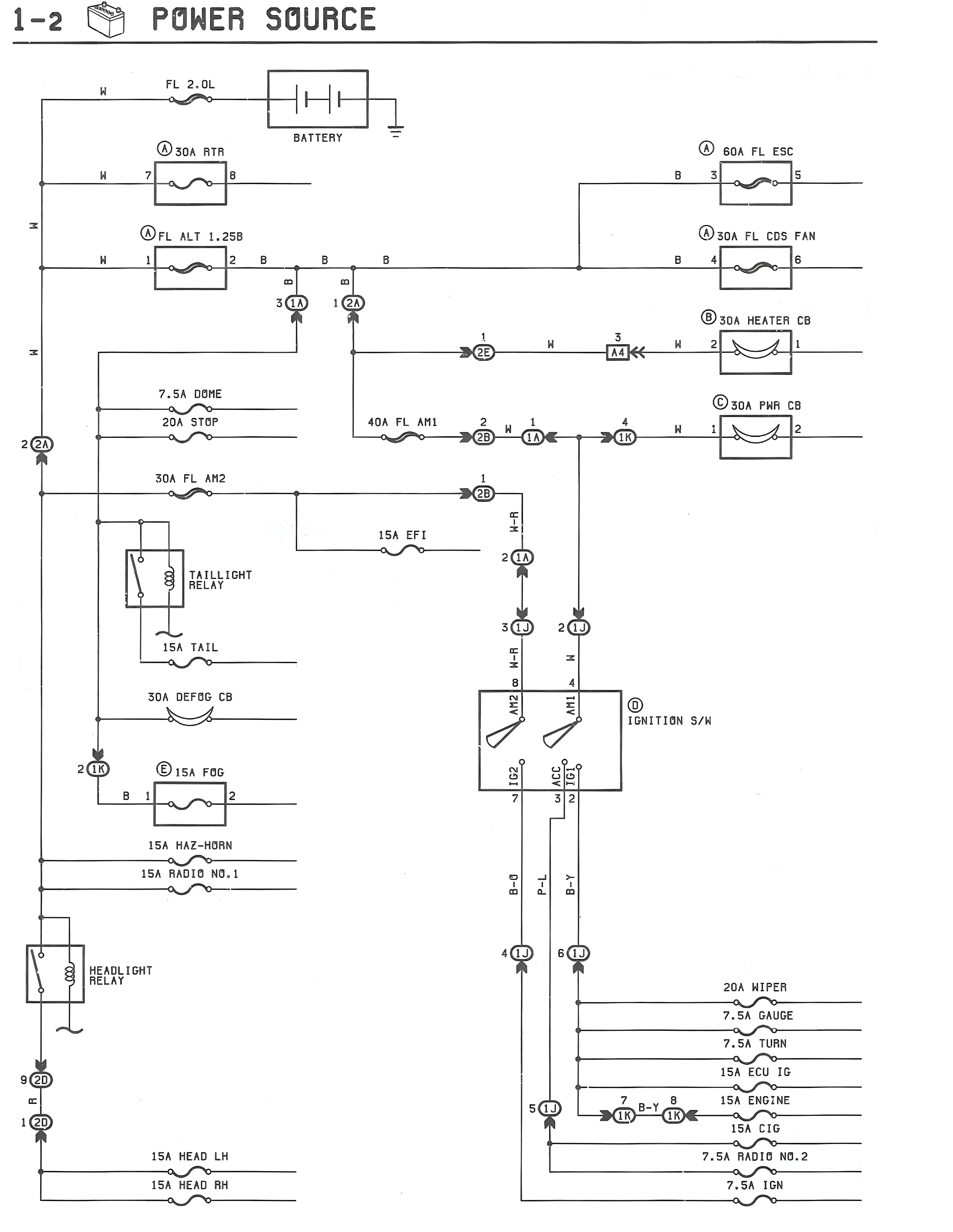
1-2 POWER SOURCE
W
FL 2.0L
BATTERY
A 30A ATM
W 7 8
A FL ALT 1.25B
W 1 2 B B B
3 C1A 1 C2A
7.5A DOME
20A STOP
2 C21
30A FL AM2
15A EFI
2 C1A
TAILLIGHT RELAY
15A TAIL
3 C1A 2 C1A
30A DEFOG CB
2 C16
E 15A FOG
B 1 2
15A HAZ-HORN
15A RADIO NO.1
HEADLIGHT RELAY
9 C20
1 C20
15A HEAD LH
15A HEAD RH
A 60A FL ESC
B 3 5
A 30A FL CDS FAN
B 4 6
D 30A HEATER CB
W 2 1
7 C7
C 30A PMR CB
40A FL AM1 25 H 1A 1C
W 1 2
W+R
2B
W+R
2B
IGN1
W+R
8
IGN2
7
D IGNITION S/W
B+B
4
P+L
3
B+Y
2
4 C13 6 C13
20A WIPER
7.5A GAUGE
7.5A TURN
15A ECU IG
5 C13 7 B-Y B 1A 1M
15A ENGINE
15A CIG
7.5A RADIO NO.2
7.5A IGN