
100%
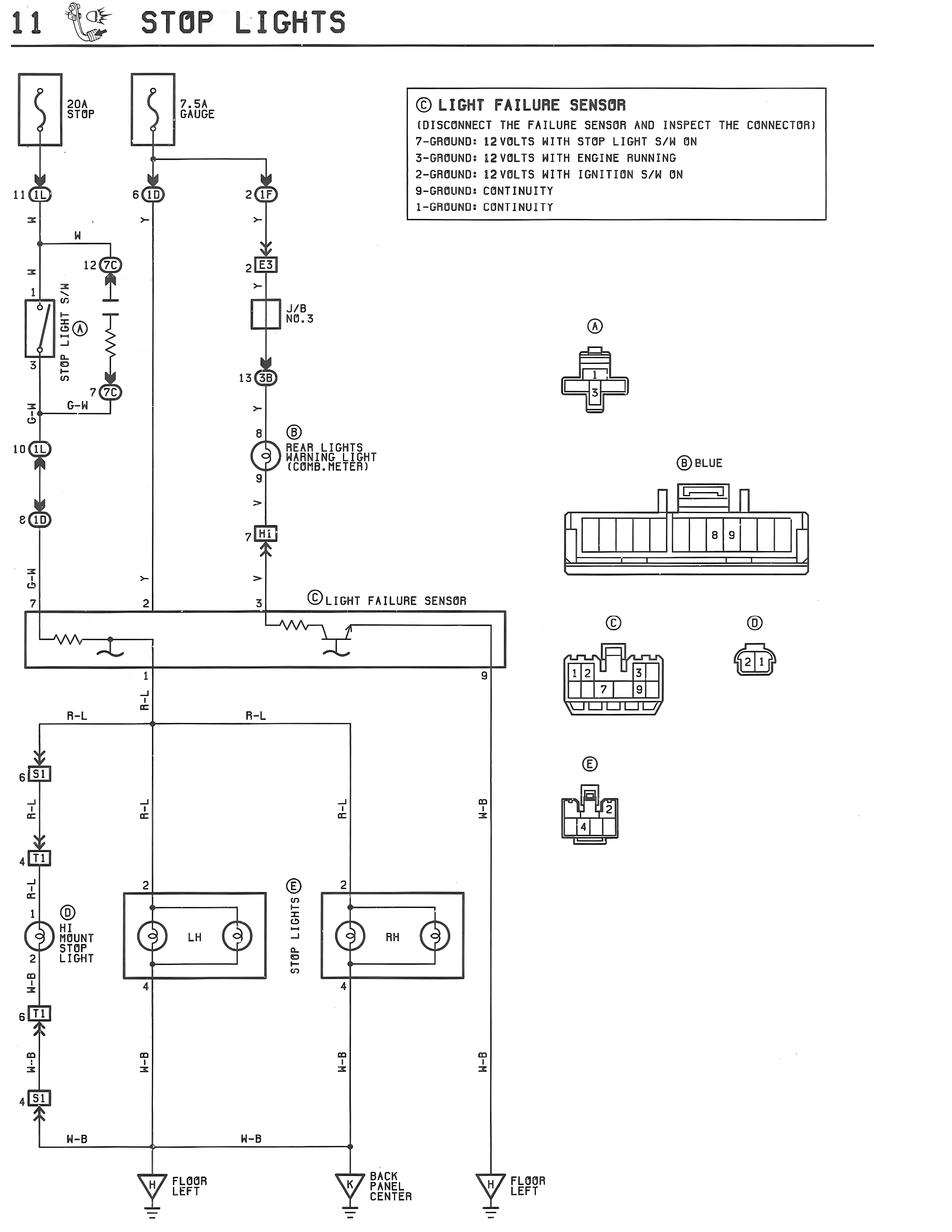
11 STOP LIGHTS
20A STOP
7.5A GAUGE
© LIGHT FAILURE SENSOR
(DISCONNECT THE FAILURE SENSOR AND INSPECT THE CONNECTOR)
7-GROUND: 12 VOLTS WITH STOP LIGHT S/W ON
3-GROUND: 12 VOLTS WITH ENGINE RUNNING
2-GROUND: 12 VOLTS WITH IGNITION S/W ON
9-GROUND: CONTINUITY
1-GROUND: CONTINUITY
11 I1
8 I1
2 I1
W
12 7P
2 S3
S/W
J/B NO.3
5 ①
STOP
7 7P
G-W
13 3D
10 I1
B
8 I0
8 HIGH MOUNT STOP LIGHT (COMB.METER)
9
7 M1
©LIGHT FAILURE SENSOR
7 2 3
1 9
R-L R-L
6 S1
R-L R-L R-L W-B
4 I1
① RH MOUNT STOP LIGHT
2
W-B
5 I1
W-B W-B
4 S1
W-B
FLOOR LEFT
Ⓐ
ⒷBLUE
8 9
©
① ②③
7 9
②
2 1
Ⓔ
1 2
4
Ⓑ STOP LIGHTS ⑧
LH RH
2 4
PANEL CENTER
FLOOR LEFT