
100%
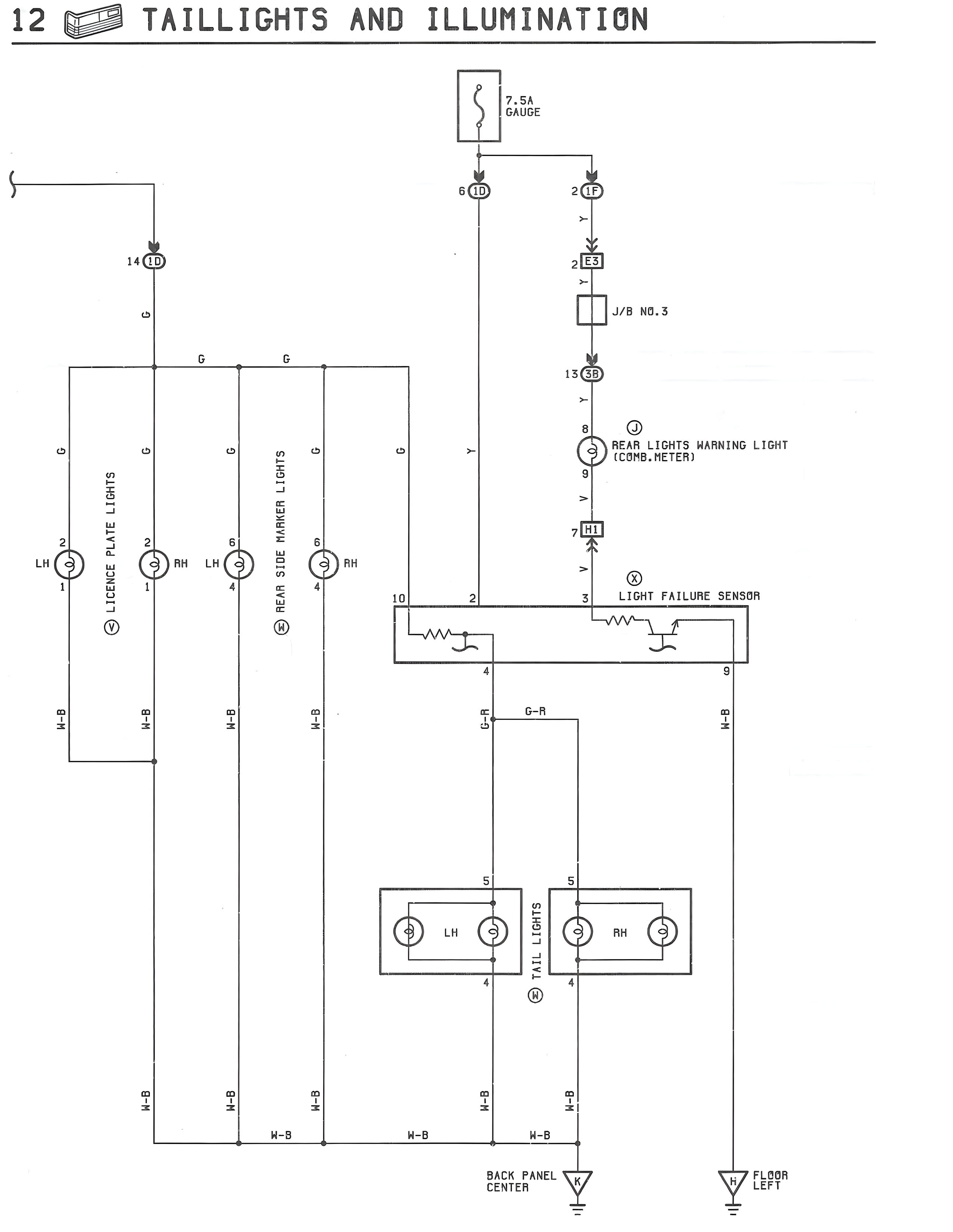
12 TAILLIGHTS AND ILLUMINATION
7.5A GAUGE
6 D
2 F
14 D
2 E3
J/B NO.3
13 SB
8
J
REAR LIGHTS WARNING LIGHT (COMB. METER)
9
7 M1
X
LIGHT FAILURE SENSOR
G
G
G
G
G
LICENCE PLATE LIGHTS
REAR SIDE MARKER LIGHTS
2
2
6
6
LH
3
RH
LH
3
RH
1
4
1
4
V
W
10
2
3
4
9
W-B
W-B
W-B
W-B
G-R
W-B
5
5
8
LH
3
RH
3
TAIL LIGHTS
4
4
W
W-B
W-B
W-B
W-B
W-B
W-B
BACK PANEL CENTER
FLOOR LEFT