
100%
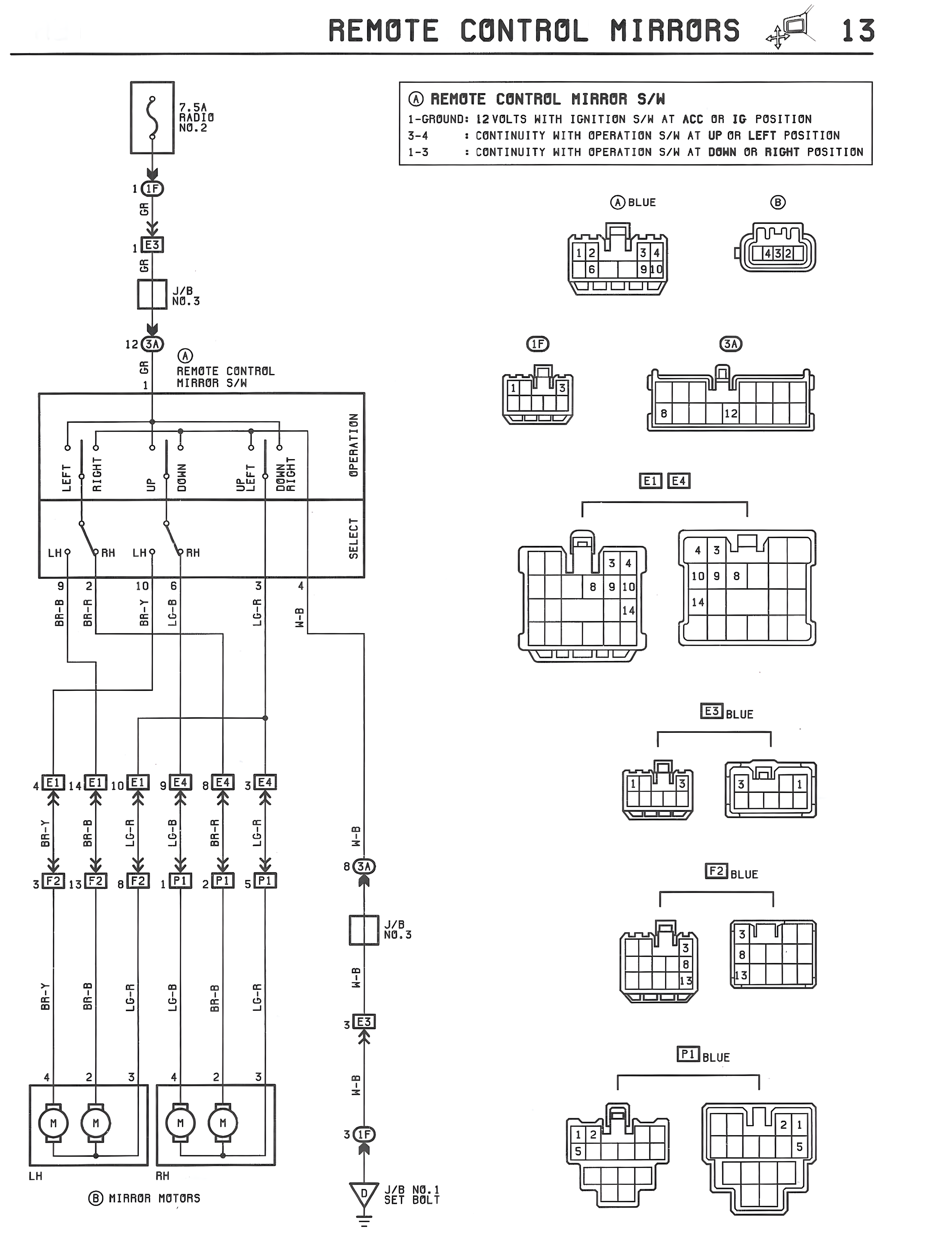
REMOTE CONTROL MIRRORS 13
7.5A RADIO NO.2
IG
OR
E3
OR
J/B NO.3
CA
A REMOTE CONTROL MIRROR S/W
OR
1
A REMOTE CONTROL MIRROR S/W
1-GROUND: 12 VOLTS WITH IGNITION S/W AT ACC OR IG POSITION
3-4 : CONTINUITY WITH OPERATION S/W AT UP OR LEFT POSITION
1-3 : CONTINUITY WITH OPERATION S/W AT DOWN OR RIGHT POSITION
A BLUE
B
1 2
3 4
9 10
1 2 3
IF
SA
B
12
E1 E4
4 5
3 4
8 9 10
10 9 8
14
14
E3 BLUE
F2 BLUE
3 W
B
3
F1 BLUE
1 2
2 1
5
5
LEFT
RIGHT
UP
DOWN
LEFT
RIGHT
OPERATION
SELECT
LH9 RH
LH9 RH
3 2
10 6
5 4
BR-Y
BR-B
BR
LG-B
LG-R
W-B
4 E1 4 E1 10 E1 9 E4 8 E4 3 E4
BR-Y
BR-B
LG-R
LG-B
BR-R
LG-R
5 F2 13 F2 3 F2 1 F1 2 F1 5 F1
BR-Y
BR-B
LG-R
LG-B
BR-B
LG-R
8 SA
W-B
J/B NO.3
5 E3
W-B
3 IF
W-B
J/B NO.1 SET BOLT
4 2 3 4 2 3
M M M M
LH RH
B MIRROR MOTORS