
100%
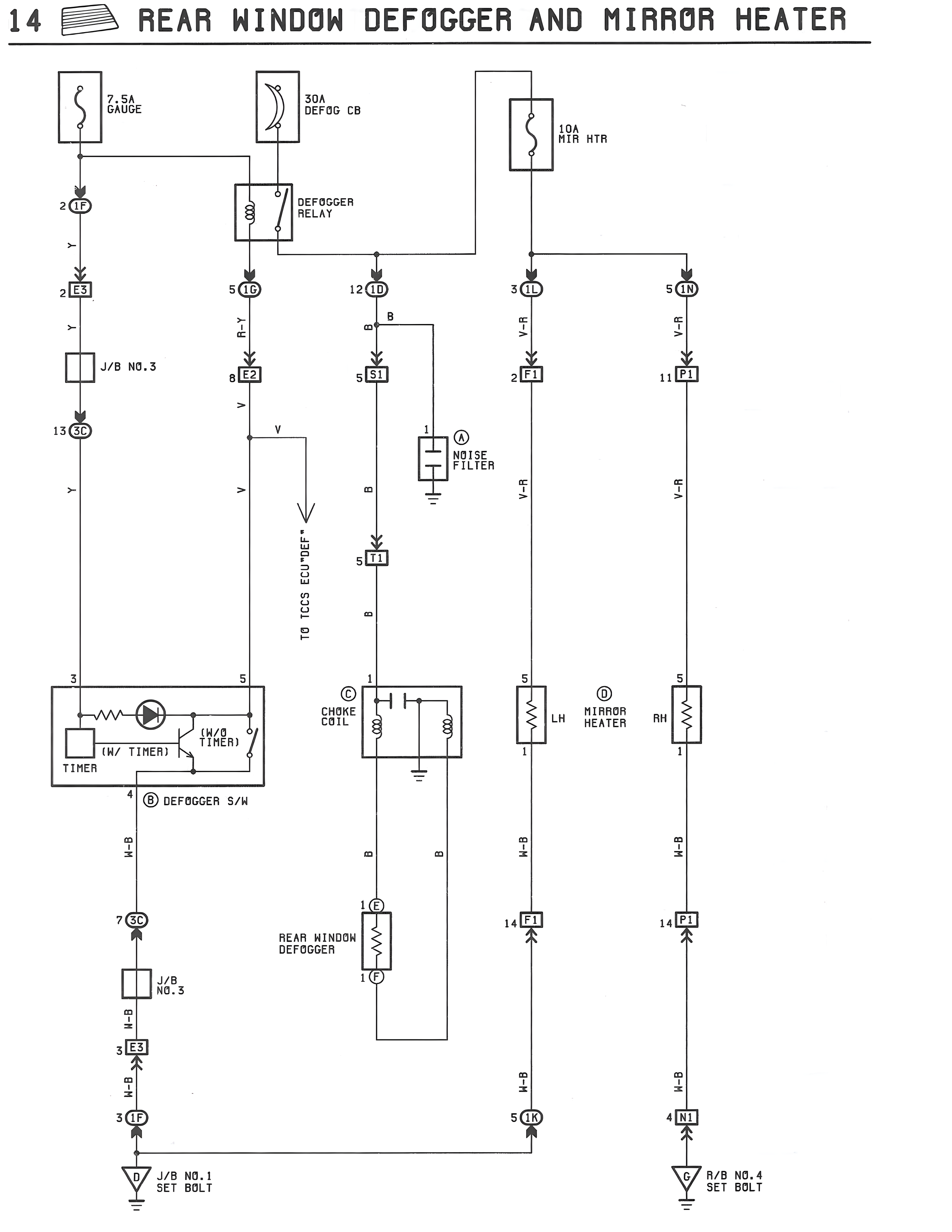
14 REAR WINDOW DEFOGGER AND MIRROR HEATER
2.5A GAUGE
30A DEFOG CB
10A MIR HTR
2 I7
DEFOGGER RELAY
2 7
5 16
12 10
3 11
5 11
2 E2
J/B NO.3
8 E2
5 B1
2 E1
11 P1
13 GC
NOISE FILTER
V
TO DOCS ECU(DEF)
5 L1
3
5
M/A TIMER
TIMER
4
CHOKE COIL
MIRROR HEATER
LH
RH
B DEFOGGER S/M
REAR WINDOW DEFOGGER
7 GC
J/B NO.3
3 E3
3 10
14 E1
14 P1
5 13
4 M1
J/B NO.1 SET BOLT
R/B NO.4 SET BOLT