
100%
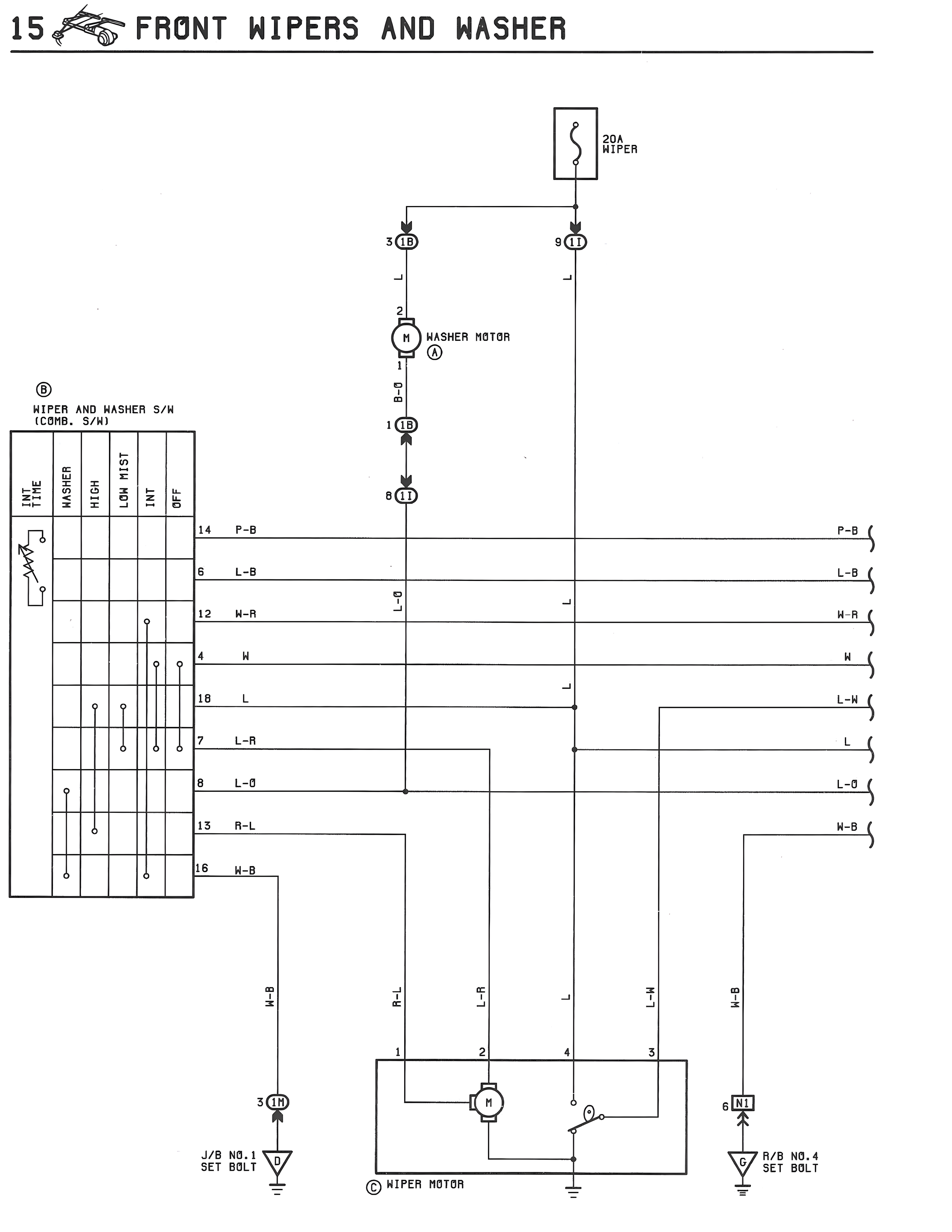
15 FRONT WIPERS AND WASHER
20A
WIPER
3 B
9 LI
2
n WASHER MOTOR
4
T
B-D
1 B
8 LI
B
WIPER AND WASHER S/W
(COMB. S/W)
INT
TIME
WASHER
HIGH
LGN MIST
INT
OFF
14 P-B P-B
6 L-B L-B
LI
LI
12 W-R W-R
4 W W
LI
16 L L-W
7 L-R L
8 L-O L-O
13 R-L W-B
16 W-B
W-B
W-L
L-R
L
L-W
W-B
1
2
4
3
3 R
6 WI
J/B NO.1
SET BOLT
K
R/B NO.4
SET BOLT
C WIPER MOTOR