
100%
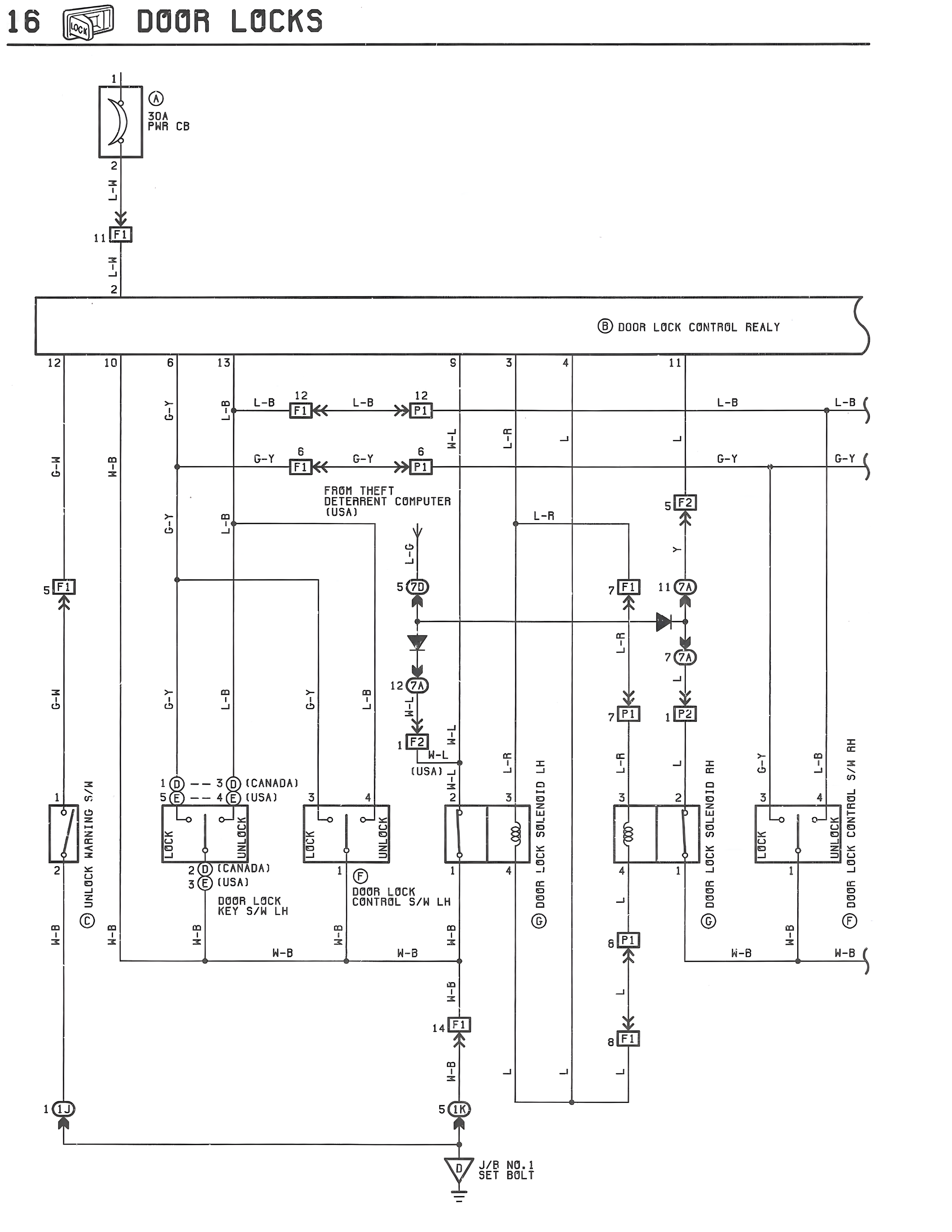
16 DOOR LOCKS
30A
PWR CB
11 E1
DOOR LOCK CONTROL RELAY
12 10 6 13 9 3 4 11
L-B 12 L-B 12 L-B L-B
E1 11
G-Y B G-Y 9 11 G-Y G-Y
E1
FROM THEFT
DETERRENT COMPUTER
(USA)
L-R 5 E2
L-G
5 7D
7 E1 11 7A
L-T
7 7A
12 7A
7 E1 1 E2
1 E2
W-L
(USA)
1 D = 3 C (CANADA)
2 E = 2 E (USA)
DOOR LOCK UNLOCK
DOOR LOCK UNLOCK
DOOR LOCK SOLENOID LH
DOOR LOCK SOLENOID RH
DOOR LOCK CONTROL S/M RH
2 D (CANADA)
2 E (USA)
DOOR LOCK
KEY S/M LH
DOOR LOCK
CONTROL S/M LH
LOCK UNLOCK
LOCK UNLOCK
LOCK UNLOCK
DOOR LOCK WARNING S/W
C-M
W-B
G-Y
L-B
G-Y
L-B
W-B
5 E1
G-M
W-B
W-B
W-B
W-B
W-B
W-B
C M
14 E1
8 E1
8 E1
1 11
5 10
J/B NO.1
SET BOLT