
100%
20
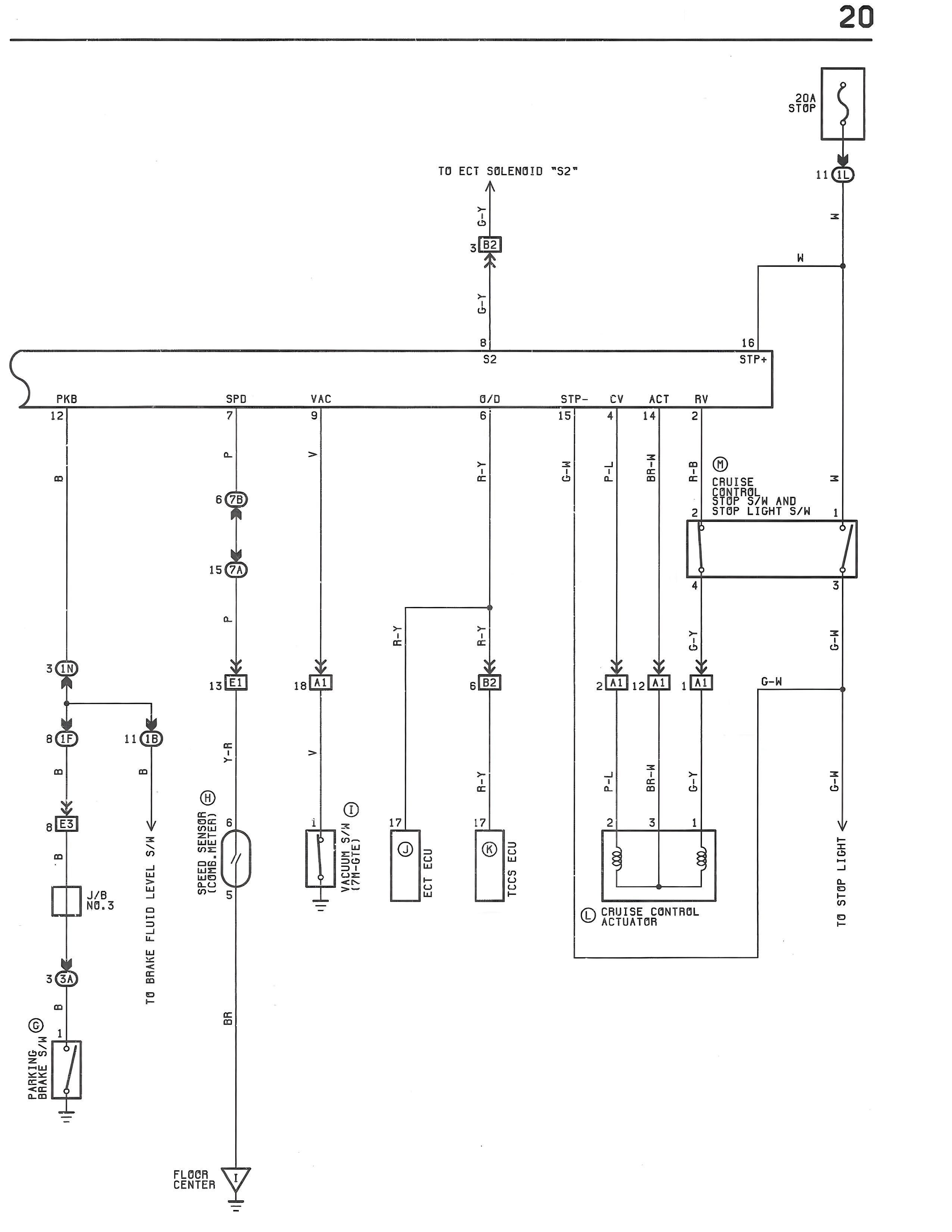
20A STOP
11
TO ECT SOLENOID "S2"
B2
3
S2
8
16
STP+
PKB
12
SPD
7
VAC
9
D/D
6
STP-
15
CV
4
ACT
14
RV
2
M
P-L
P-Y
BR-L
P-B
CRUISE CONTROL
SW-L/W AND
STOP LIGHT S/M
2
1
7
B
7P
8
15
7A
P-L
4
3
P-Y
C-Y
C-Y
3
10
13
E1
18
A1
B2
6
A1
2
A1
12
A1
1
G-W
8
1F
11
1F
Y-R
V
P-Y
P-L
BR-L
C-Y
C-Y
B
B
8
E3
S/M
M
USGR SENSOR
S HANGER
S7
VEHICLE
S/W
BR
6
1
17
17
ECT ECU
TCCS ECU
L
100
100
2
3
1
J/B
NO.5
CRUISE CONTROL
ACTUATOR
TO BRAKE FLUID LEVEL S/M
3
S1
B
PARKING
B/M
7
FLOOR CENTER