
100%
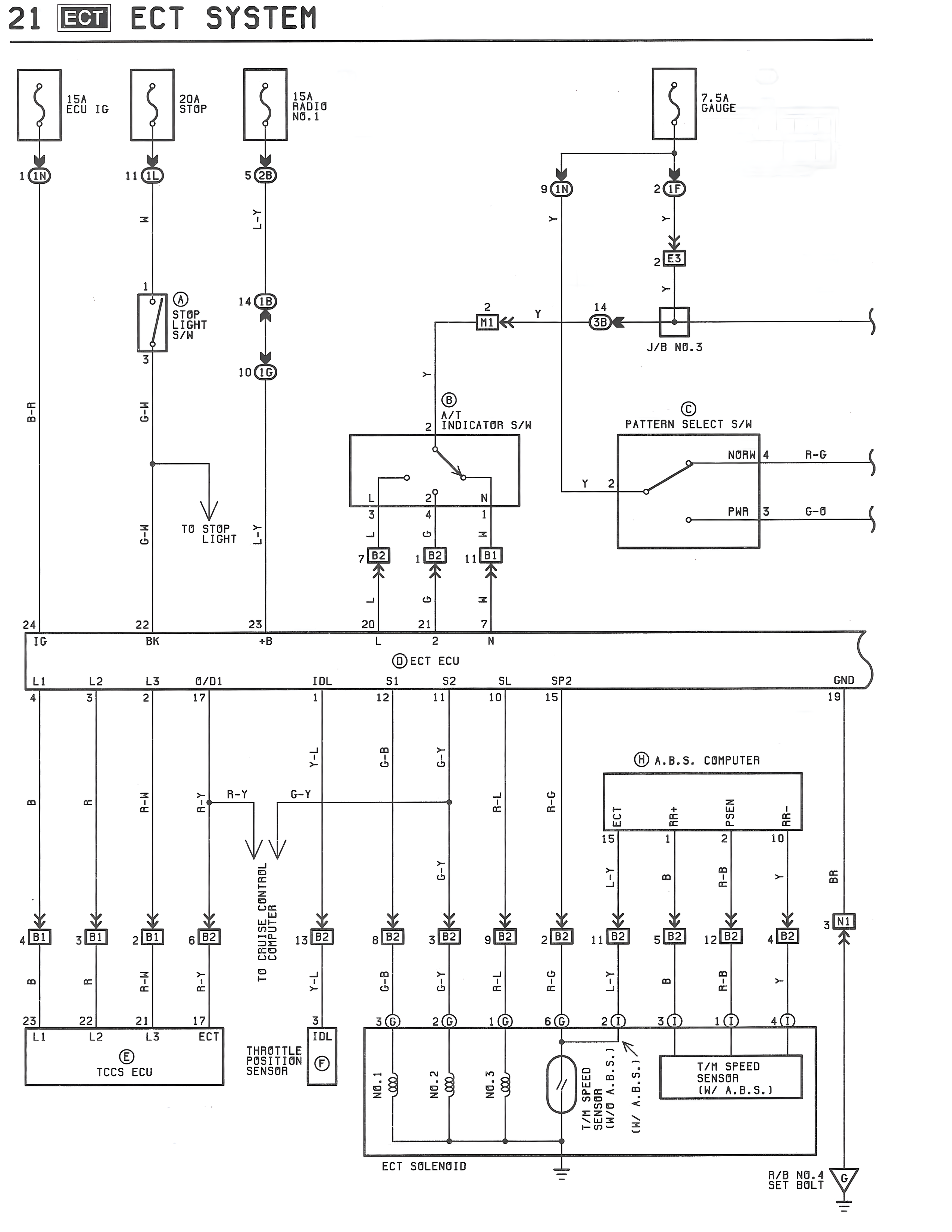
21 ECT ECT SYSTEM
15A ECU IG | 20A STOP | 15A RADIO NO.1 | 7.5A GAUGE
1 IG | 11 H | 5 2D
H- | -H | -Y | >- | >-
9 7 A STOP LIGHT S/W | 14 1B
3
-H | -B
TO STOP LIGHT I
G-W
24 | 22 | 23
IG | BK | +B
L | B | N
© ECT ECU
L1 L2 L3 O/D1 IDL S1 S2 SL SP2 GND
4 | 3 | 2 | 17 | 1 | 12 | 11 | 10 | 15 | 18
Y-L | G-B | G-Y | R-L | R-G
B | R | H-W | R-Y | R-Y | G-Y
4 B1 | 3 B1 | 2 B1 | 6 B2
B | R | H-W | R-Y
23 | 22 | 21 | 17
L1 | L2 | L3 | ECT
E TCCS ECU
THROTTLE POSITION SENSOR ©
TO CRUISE CONTROL COMPUTER
13 D2
Y-L
3
IDL
8 B2 | 5 B2 | 9 B2 | 2 B2 | 11 B2
G-B | G-Y | R-L | R-G | L-T
3 G | 2 G | 1 G | 8 G | 2 T
NO.1 NO.2 NO.3
ECT SOLENOID
T/M SPEED SENSOR (W/ A.B.S.) (W/O A.B.S.)
9 LW
2 LF
2 E3
>-
2 M | Y
B A/T INDICATOR S/M
L | 3 | 4 | 1
7 B2 | 1 B2 | 11 B1
T | G | N
20 | 21 | 7
14 3B
J/B NO.3
C PATTERN SELECT S/M
Y | 2
NORM 4 | A-G
PWR 5 | G-O
17 A.B.S. COMPUTER
15 | 1 | 2 | 10
ECT | BRAK | TSEN | BK
L-T | B | H-B | Y | BR
5 B2 | 3 T | 12 B2 | 4 B2 | 3 D1
B | H-B | Y | BR
3 T | 1 T | 4 T
A/B NO.4 SET BOLT