
100%
21
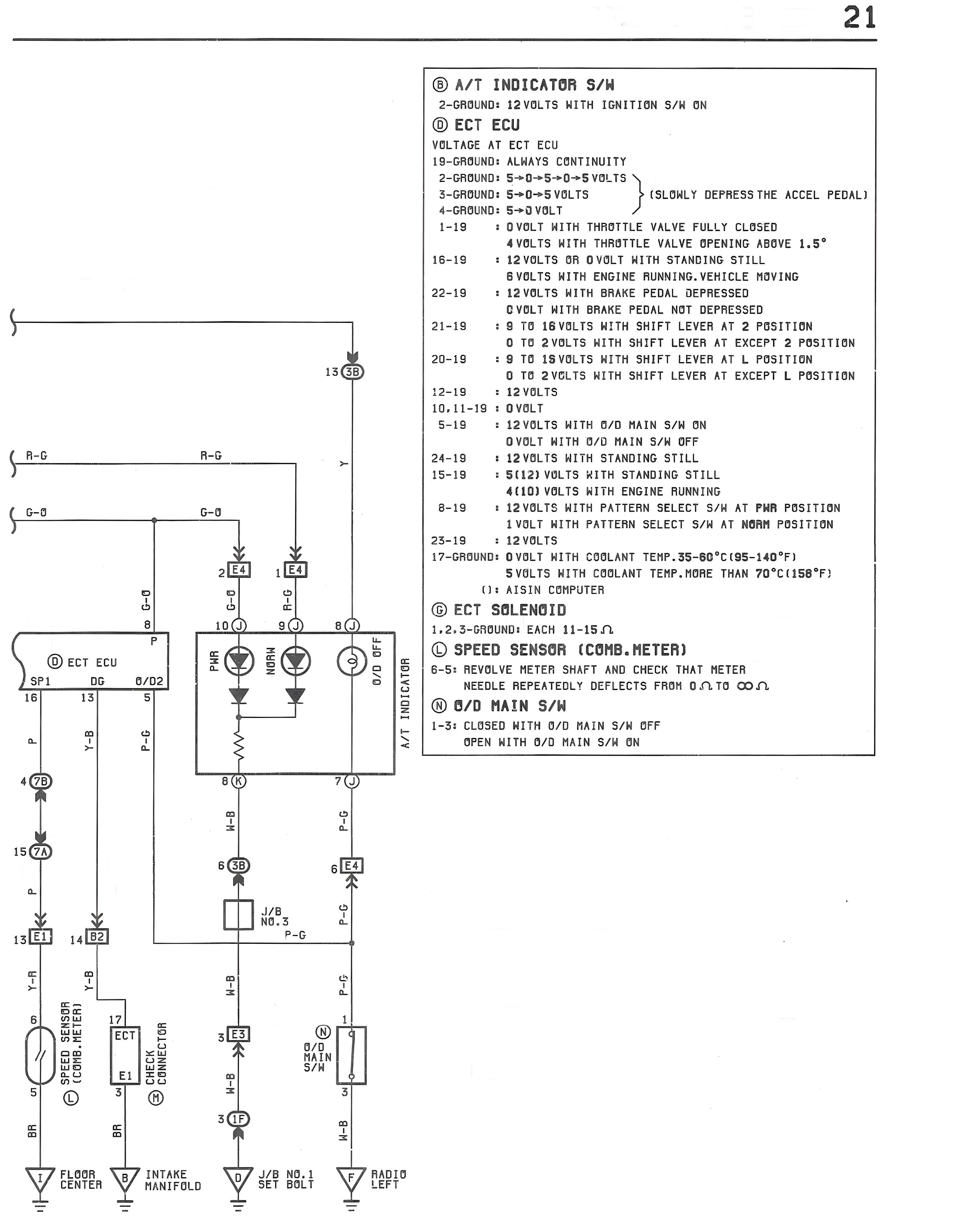
⑧ A/T INDICATOR S/W
2-GROUND: 12 VOLTS WITH IGNITION S/W ON
⑩ ECT ECU
VOLTAGE AT ECT ECU
10-GROUND: ALWAYS CONTINUITY
2-GROUND: 5→0→5→0→5 VOLTS } (SLOWLY DEPRESS THE ACCEL PEDAL)
3-GROUND: 5→0→5 VOLTS
4-GROUND: 5→0 VOLT
1-19 + 0 VOLT WITH THROTTLE VALVE FULLY CLOSED
4 VOLTS WITH THROTTLE VALVE OPENING ABOVE 1.5°
16-19 + 12 VOLTS OR 0 VOLT WITH STANDING STILL
8 VOLTS WITH ENGINE RUNNING, VEHICLE MOVING
22-19 + 12 VOLTS WITH BRAKE PEDAL DEPRESSED
0 VOLT WITH BRAKE PEDAL NOT DEPRESSED
21-19 + 9 TO 16 VOLTS WITH SHIFT LEVER AT 2 POSITION
0 TO 2 VOLTS WITH SHIFT LEVER AT EXCEPT 2 POSITION
20-19 + 9 TO 16 VOLTS WITH SHIFT LEVER AT L POSITION
0 TO 2 VOLTS WITH SHIFT LEVER AT EXCEPT L POSITION
12-19 + 12 VOLTS
10,11-19 + 0 VOLT
5-19 + 12 VOLTS WITH O/D MAIN S/W ON
0 VOLT WITH O/D MAIN S/W OFF
24-19 + 12 VOLTS WITH STANDING STILL
15-19 + 5(12) VOLTS WITH STANDING STILL
4(10) VOLTS WITH ENGINE RUNNING
8-19 + 12 VOLTS WITH PATTERN SELECT S/W AT PWR POSITION
1 VOLT WITH PATTERN SELECT S/W AT NORM POSITION
23-19 + 12 VOLTS
17-GROUND: 0 VOLT WITH COOLANT TEMP.35-80°C(95-140°F)
5 VOLTS WITH COOLANT TEMP.MORE THAN 70°C(158°F)
(1: AISIN COMPUTER
⑥ ECT SOLENOID
1,2,3-GROUND: EACH 11-15Ω
⑦ SPEED SENSOR (COMB.METER)
0-5: REVOLVE METER SHAFT AND CHECK THAT METER
NEEDLE REPEATEDLY DEFLECTS FROM 0Ω TO ∞Ω
⑧ O/D MAIN S/W
1-3: CLOSED WITH O/D MAIN S/W OFF
OPEN WITH O/D MAIN S/W ON
13 SB
R-G R-G
G-O G-O
2 E4 1 E4
P-G P-G R-G
8 10 9 8
PWR NORM D/D OFF
P
⑩ ECT ECU
SP1 DG 0/D2
16 13 5
P-G P-G
4 ZD
15 ZA
P-G
13 E1 14 B2
Y-R Y-B
J/B NO.3
P-G
5 6 17 ECT
L SPEED SENSOR (COMB.METER)
E1 3
N DATA LINK CONNECTOR
BR BR
FLOOR CENTER INTAKE MANIFOLD J/B NO.1 SBF BOLT RADIO LEFT
3 CF
P-G
1 O/D MAIN S/W
3
H-B H-B P-G H-B
W-B P-G
A/T INDICATOR
Y