
100%
22
15A ECU-IG
20A STOP
1 C10
11 C11
B-R
W
Y
B1
L
NEUTRAL START S/W (A/T)
2
N P R
1 6
11 B1
10 B2
TO ECT ECU
W
B-R
B-R
W
W
W
M
11 E
ML
12 E
PL
7 F
+B
6 F
BAT
S/W
17
STOP LIGHT S/W
ECT
PKG
STP
15 E
16 E
3 E
T
B
G-W
G-W
W/T
11 B2
G-W
3 C10
ECU
B C10
B
TO ECT ECU
TO PARKING BRAKE S/W
TO LIGHT FAILURE SENSOR
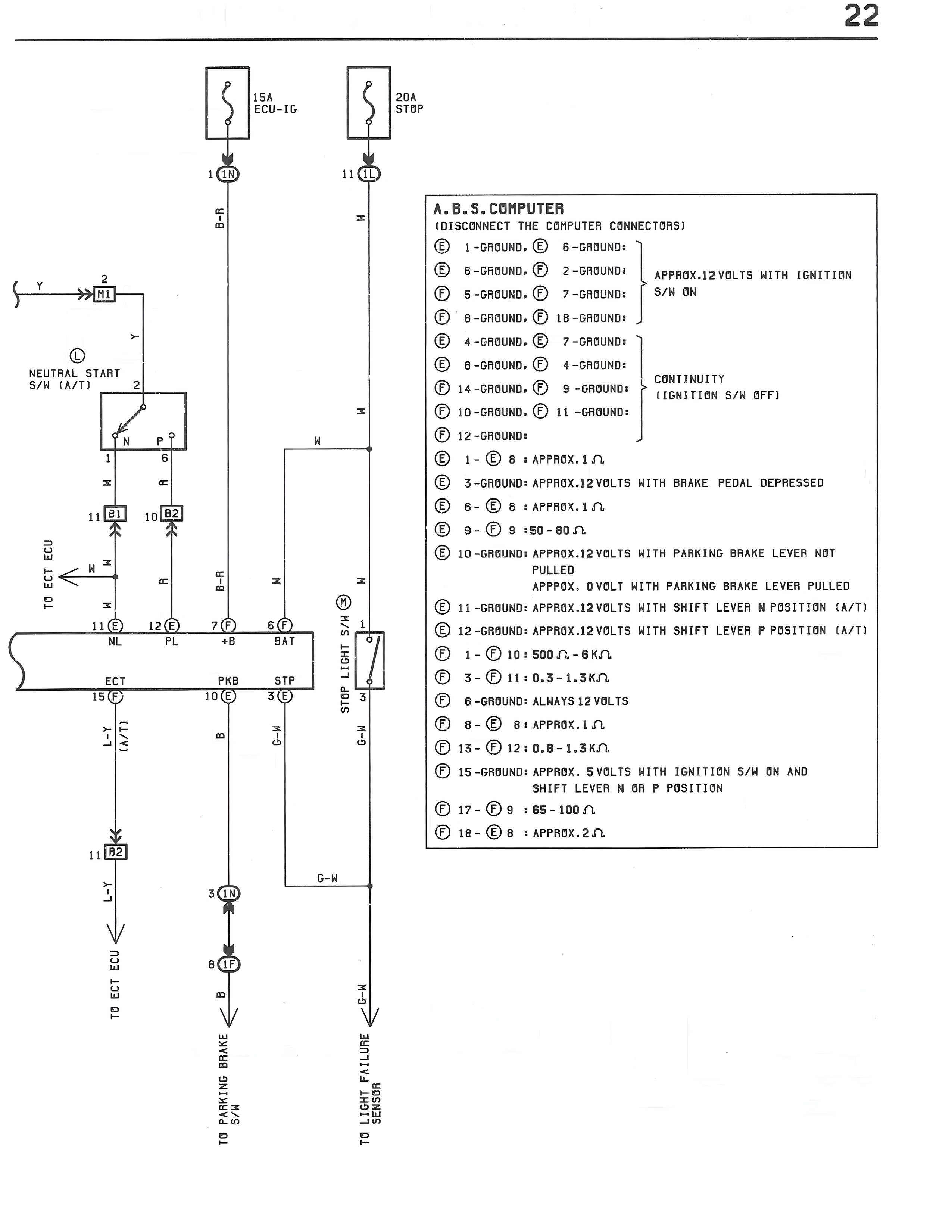
A.B.S.COMPUTER
(DISCONNECT THE COMPUTER CONNECTORS)
E 1-GROUND, E 6-GROUND+
E 8-GROUND, E 2-GROUND+ APPROX.12 VOLTS WITH IGNITION S/W ON
F 5-GROUND, F 7-GROUND+
F 8-GROUND, F 16-GROUND+
E 4-GROUND, E 7-GROUND+
E 8-GROUND, E 4-GROUND+ CONTINUITY (IGNITION S/W OFF)
F 14-GROUND, F 9-GROUND+
F 10-GROUND, F 11-GROUND+
F 12-GROUND+
E 1- E 8: APPROX.1Ω
E 3-GROUND+ APPROX.12 VOLTS WITH BRAKE PEDAL DEPRESSED
E 6- E 8: APPROX.1Ω
E 9- E 8 +50~80Ω
E 10-GROUND+ APPROX.12 VOLTS WITH PARKING BRAKE LEVER NOT PULLED
APPROX.0 VOLT WITH PARKING BRAKE LEVER PULLED
E 11-GROUND+ APPROX.12 VOLTS WITH SHIFT LEVER N POSITION (A/T)
E 12-GROUND+ APPROX.12 VOLTS WITH SHIFT LEVER P POSITION (A/T)
F 1- F 10: 500Ω~6kΩ
F 3- F 11: 0.3~1.3kΩ
F 6-GROUND+ ALWAYS 12 VOLTS
F 8- F 8: APPROX.1Ω
F 13- F 12: 0.8~1.3kΩ
F 15-GROUND+ APPROX. 5 VOLTS WITH IGNITION S/W ON AND SHIFT LEVER N OR P POSITION
F 17- F 9 +65~100Ω
F 18- F 8: APPROX.2Ω