
100%
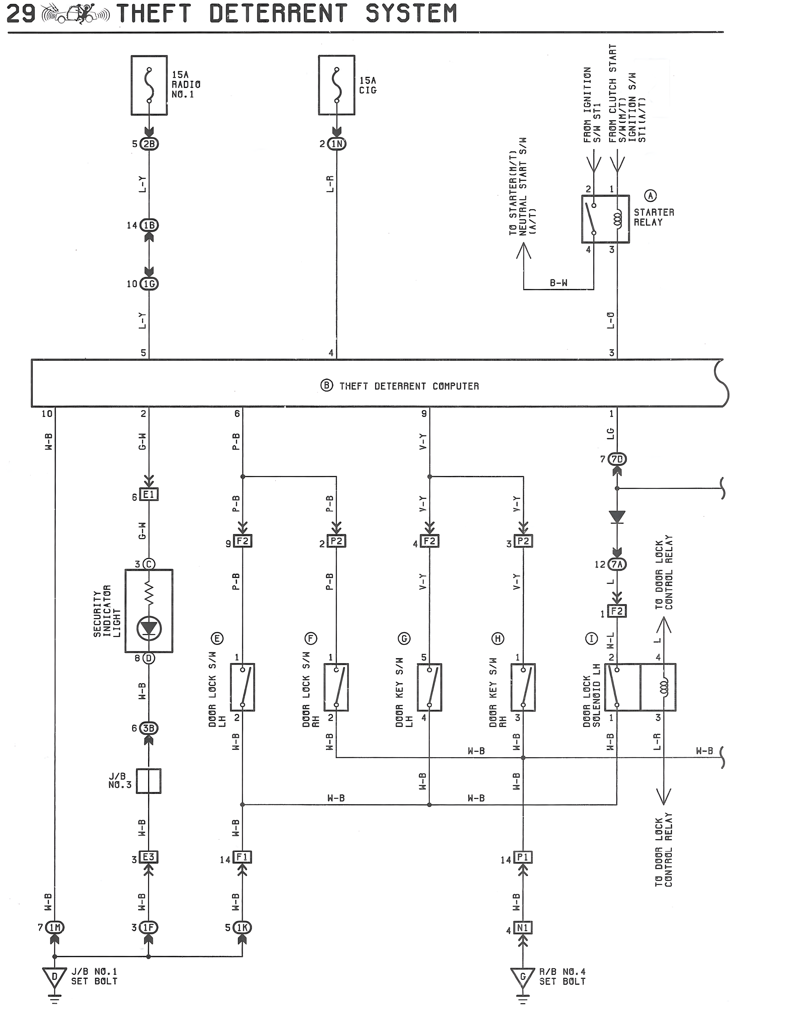
29 THEFT DETERRENT SYSTEM
15A RADIO NO.1
5 2B
L-Y
L-Y
14 D5
10 C5
L-Y
5
15A CIG
2 1N
L-R
4
TO STARTER RELAY MAIN START S/A
FROM IGNITION SW S1
FROM CLUTCH START S/A
SW NO.2 (M/T)
SW (A/T)
2 1
4 3
STARTER RELAY
B-H
L-B
3
B THEFT DETERRENT COMPUTER
10 2 6 9 1
W-B G-A P-B Y-Y L-G
8 E1
G-A
9 E2
P-B
2 E2
P-B
4 E2
Y-Y
3 E2
Y-Y
7 7D
12 7A
L-G
1 F2
V-L
SECURITY INDICATOR
3 O
W-B
8 O
W-B
6 3D
J/B NO.3
W-B
3 E3
W-B
14 E1
W-B
14 E1
W-B
7 1D
3 1F
5 1D
4 N1
W-B
J/B NO.1 SET BOLT
R/B NO.4 SET BOLT
DOOR LOCK S/A
1 7
2
LH
W-B
C
DOOR LOCK S/A
1 7
2
RH
W-B
C
DOOR KEY S/A
5 7
4
LH
W-B
C
DOOR KEY S/A
5 7
4
RH
W-B
H
DOOR LOCK SOLENOID LN
2 C
1
W-B
I
TO DOOR LOCK CONTROL RELAY
L-R
4 C
3
W-B
TO DOOR LOCK CONTROL RELAY
W-B
L-B