
100%
3-1 EFI EFI SYSTEM(7M-GTE)
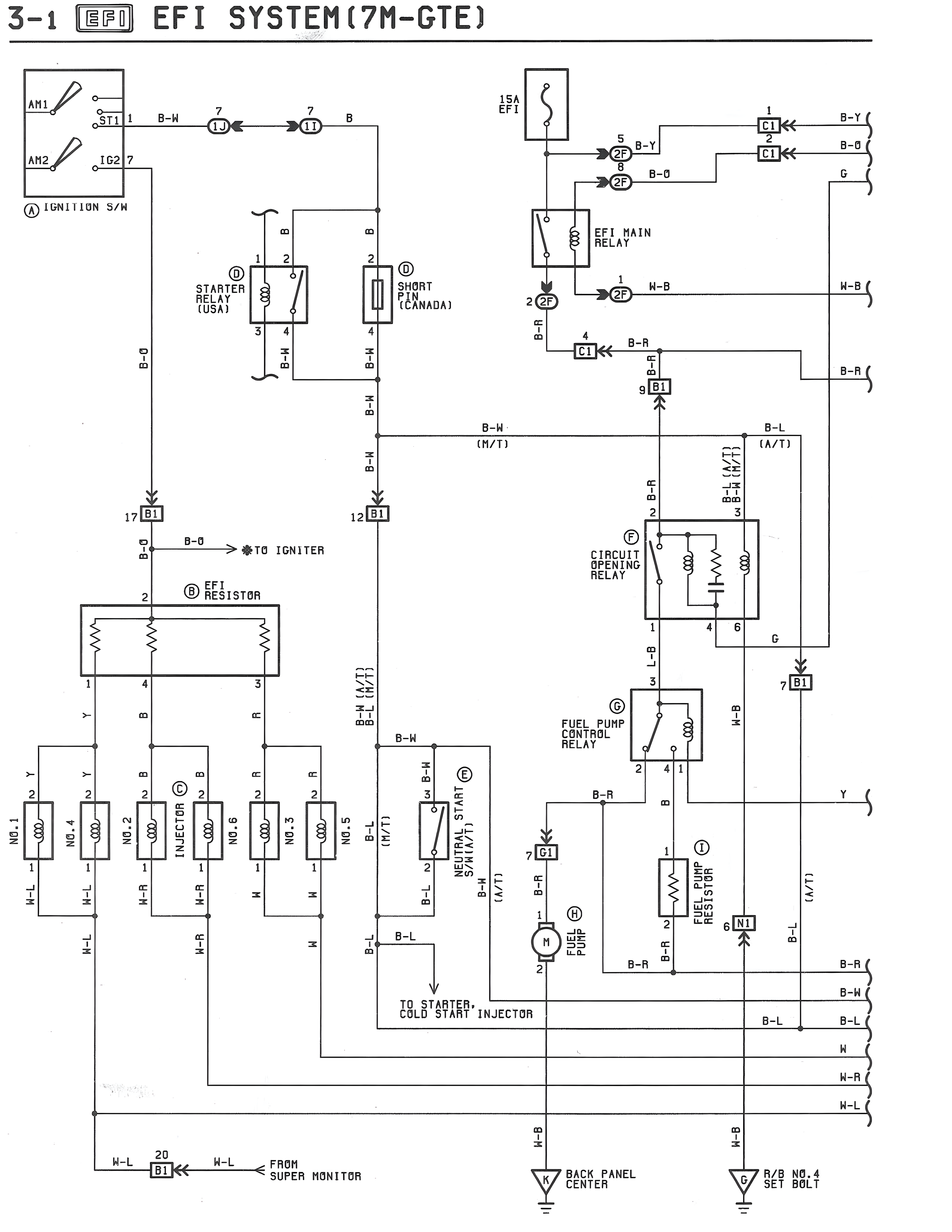
AM1 ST1 1 B-W Z 7 Z 1 B B-Y 15A EFI1 C S B-Y G E B-O C AM2 IG2 7 2F B-O G 2F A IGNITION S/W 16 B B B EFI MAIN RELAY B A 1 2 2 B B 37 SHORT PIN D STARTER (YAMADA) RELAY 2 2F 2F W-B W-B (USA) B-R 3 1 3 1 B-R B-R B-R C1 B-R B-R B1 8 B-R B-R B-W B-L (M/T) (A/T) B-R F 17 B1 12 B1 2 3 CIRCUIT OPENING B-O B-O > TO IGNITER RELAY 1 4 6 B EFI G RESISTOR 2 1 4 3 G 7 B1 3 G FUEL PUMP B-R CONTROL RELAY B-W 2 4 1 E B NEUTRAL START Y Y 2 B R R SWITCH 3 (M/T) B-R B-L Y 7 B1 (A/T) NO.1 NO.4 NO.2 NO.3 NE.1 NE.2 NO.6 NO.5 NO.3 2 2 2 2 2 2 1 2 D FUEL PUMP 1 1 1 1 1 1 1 RESISTOR 2 6 B1 B-R B-R (M/T) (A/T) H B-R H FUEL B-L H H (M/T) TO STARTER, B-L COLD START INJECTOR B-R B-W B-L B-L W W-R N-L 20 W-L N-L B1 < FROM BACK PANEL SUPER MONITOR R/B NO.4 CENTER SET BOLT
B-Y
B-O
W-B
B-R