
100%
3-1
B-R
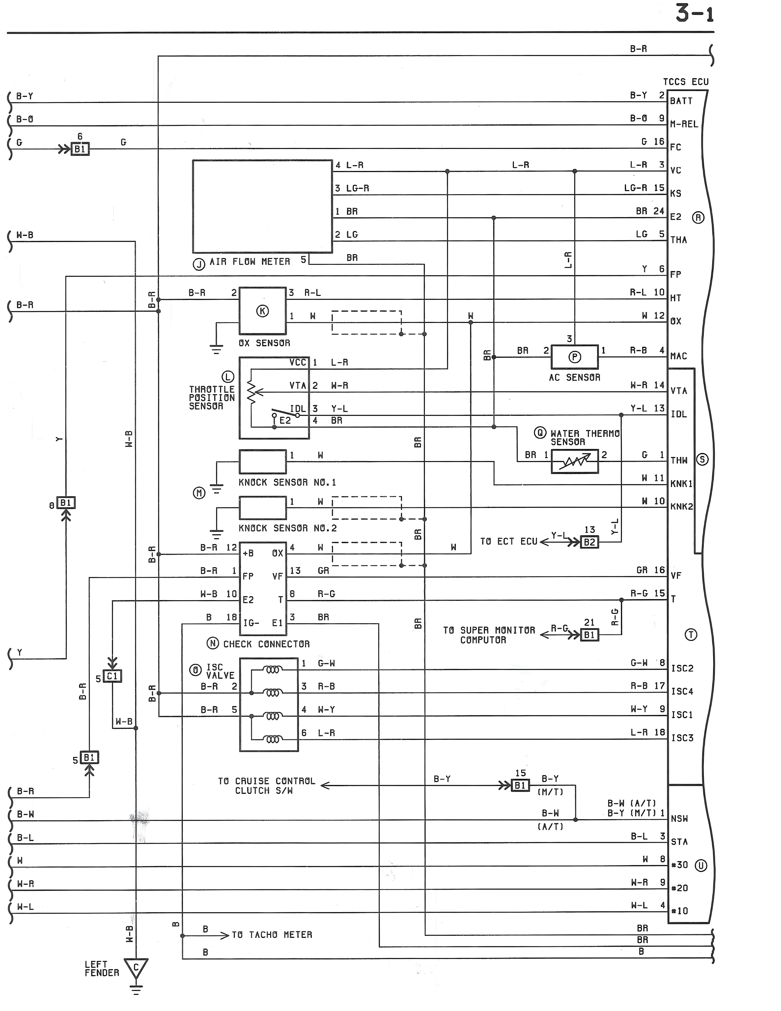
TCCS ECU
B-Y
B-Y 2
BATT
B-G
B-G 9
M-REL
G
B1
G
G 16
FC
4 L-R
L-R
L-R 3
VC
3 LG-R
LG-R 15
KS
1 BR
BR 24
E2 8
M-B
2 LG
LG 5
THA
J AIR FLOW METER 5
BR
LF
Y 6
E2
B-R
2
3 R-L
R-L 10
HT
K
1 W
W
W 12
OX
B-R
OX SENSOR
3
VCC 1 L-R
BR
BR 2
P
1 R-B 4
MAC
L
AC SENSOR
THROTTLE
VTA 2 M-R
M-R 14
VTA
POSITION
SENSOR
IDL 3 Y-L
Y-L 13
IDL
E2
4 BR
H WATER THERMO
BR
SENSOR
1 W
BR 1
2
C 1
THM 3
M-B
KNOCK SENSOR NO.1
M 11
KNK1
B1
1 W
M 10
KNK2
KNOCK SENSOR NO.2
Y-L
13
B-R 12
B
OX 4
TO ECT ECU
B2
B-R
FP
VF 13
GR
GR 18
VF
M-B 10
E2
T 6
R-G
R-G 15
T
B 16
IG- E1 3
BR
R-G
BR
21
TO SUPER MONITOR
R-G
M CHECK CONNECTOR
COMPUTOR
B1
T
P VSV
1 G-W
G-W 8
ISC2
VALVE
3 R-B
R-B 17
ISC4
B-R
B-R 5
4 W-Y
W-Y 19
ISC1
W-B
L-R 18
B1
6 L-R
ISC3
W-B
5 B1
TO CRUISE CONTROL
15
B-Y
B-Y
B-Y
B1
CLUTCH S/W
(A/T)
B-W (A/T)
B-W
B-Y (A/T) 1
NSW
B-W
B-L
B-L 3
STA
W
W 8
#30 U
M-R
M-R 9
#20
M-L
M-L 4
#10
M-B
B
B
TO TACHO METER
BR
B
BR
B
LEFT
FENDER