
100%
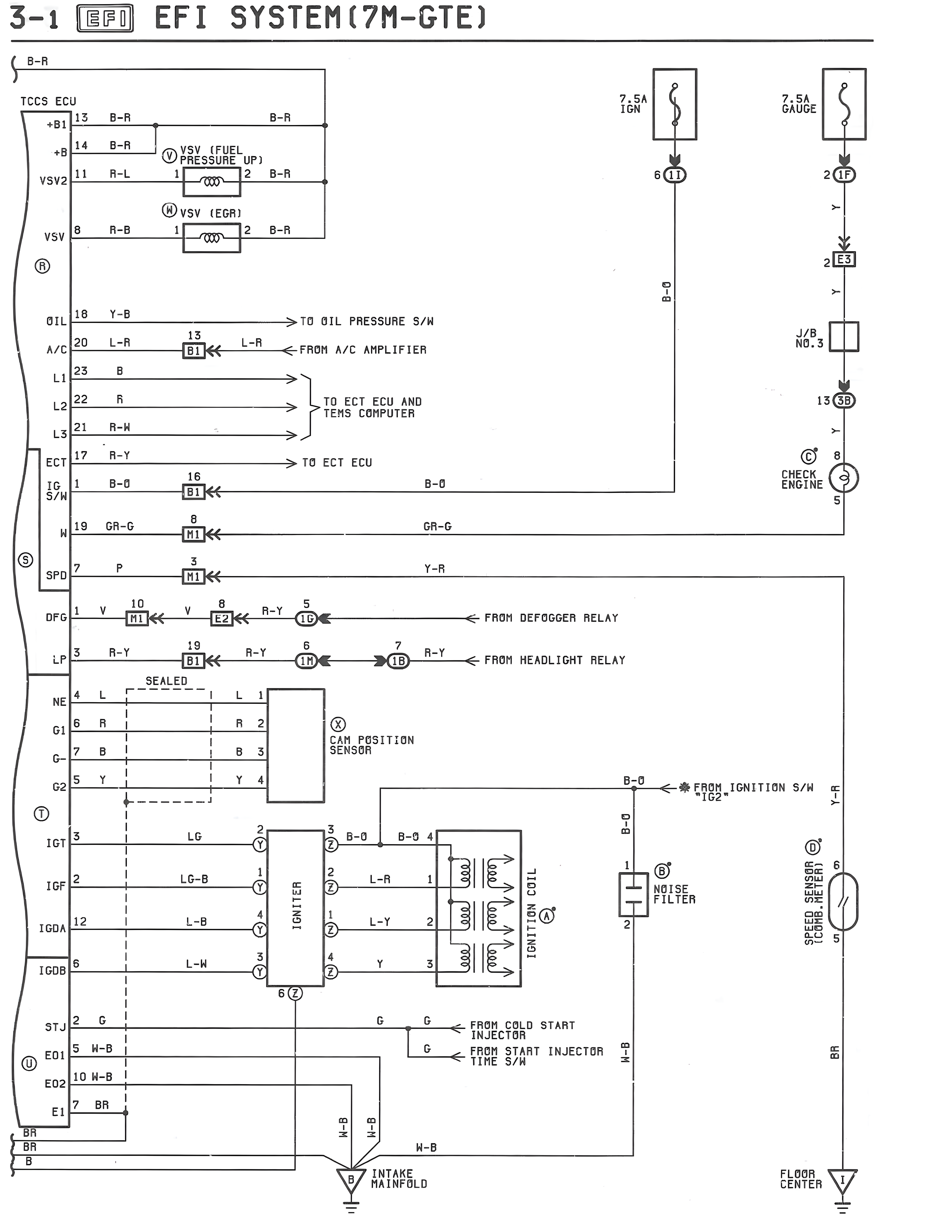
3-1 [EFI] EFI SYSTEM(7M-GTE)
B-R
TCCS ECU
+B1 13 B-R B-R
+B 14 B-R
7 VSV (FUEL PRESSURE UP)
VSV2 11 R-L 1 2 B-R
N VSV (EGR)
VSV 9 R-B 1 2 B-R
R
OIL 18 Y-B TO OIL PRESSURE S/W
A/C 20 L-R 15 L-R FROM A/C AMPLIFIER
B1
L1 23 B TO ECT ECU AND
TEMS COMPUTER
L2 22 R
L3 21 R-W
ECT 17 R-Y TO ECT ECU
16 1 B-O 16 B-O
S/W B1
W 19 GR-G 8 GR-G
HI
S
SPD 7 P 3 Y-R
HI
DFC 1 V 10 V 8 R-Y 5 FROM DEFOGGER RELAY
HI E2 IG
LP 5 R-Y 19 R-Y 6 R-Y FROM HEADLIGHT RELAY
B1 LD IF
SEALED
NE 4 L L 1
G1 6 R R 2 2
CAN POSITION
SENSOR
G- 7 B B 3
G2 5 Y Y 4
B-O FROM IGNITION S/W
IG2
I
IGT 3 LG 2 3 B-O B-O 4
1 2
IGF 2 LG-B 1 L-R 1
4 2
IGDA 12 L-B 4 L-Y 2 IGNITION COIL W
1 2
IGDB 8 L-W 3 Y 3
1 2
G 2
STJ 2 G G G FROM COLD START
INJECTOR
EO1 5 W-B G FROM START INJECTOR
TIME S/W
EO2 10 W-B
E1 7 BR
W-B W-B
BR
BR W-B
B
W INTAKE
W AIR MANIFOLD
7.5A
IGN
2.5A
GAUGE
6 IF
2 IF
2 E3
B-O
J/B
NO.2
13 SD
C 8
CHECK
ENGINE S
B-R
1-1
B-O
D
NOISE
FILTER B
1 F
2
D
NOISE
FILTER S
FLOOR
CENTER