
100%
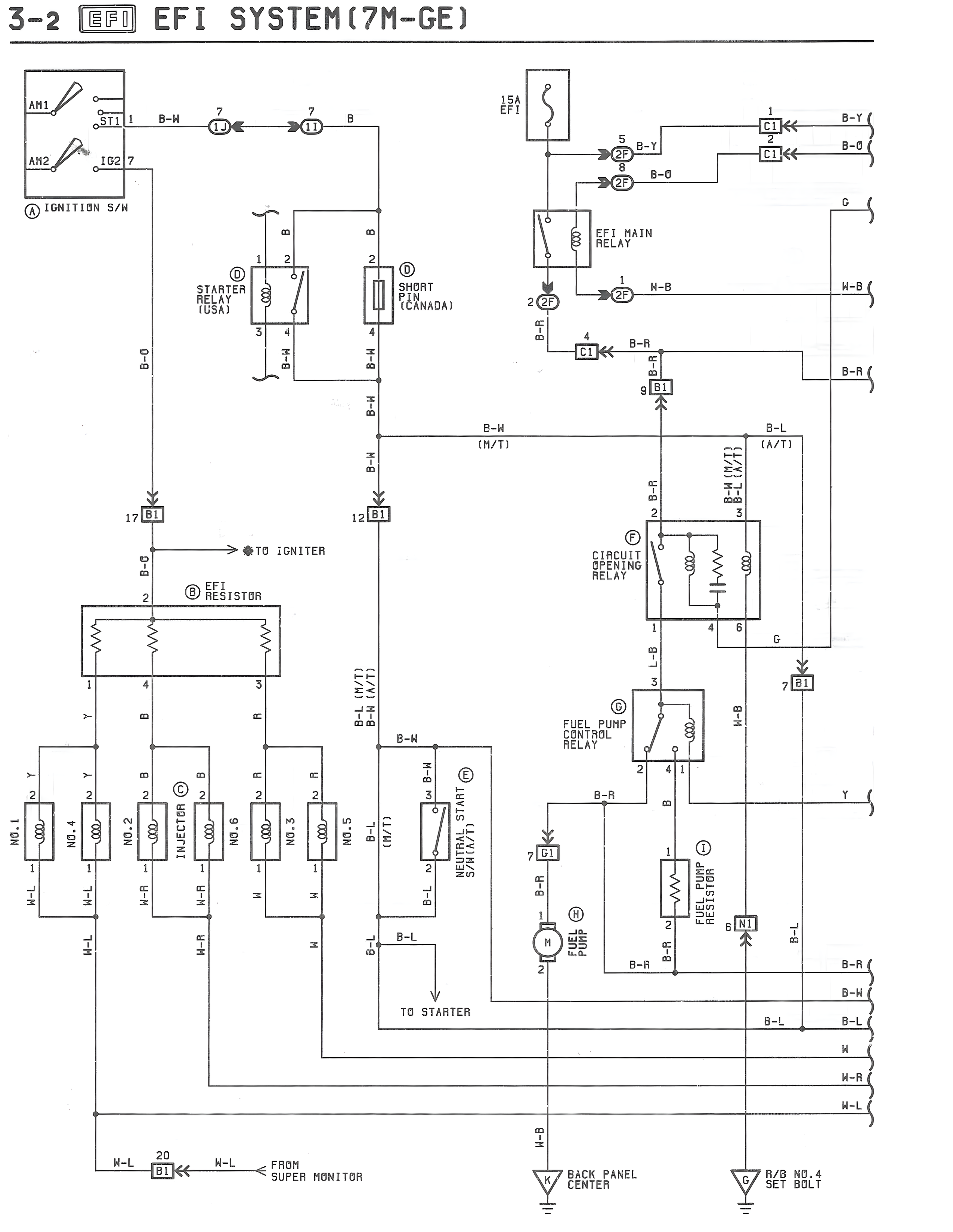
3-2 EFI EFI SYSTEM(7M-GE)
AM1
ST1 1 B-W 7 2 B
AM2
IG2 7
A IGNITION S/W
B D
1 2 2
&7 STARTER RELAY (85A) SHORT P/N (CANADA)
3
B-L B-L
B-W B-L
B-W
17 B1 12 B1
※TO IGNITER
B-L
2 B EFI RESISTOR
2 3
1 4 3
Y B R
Y Y B B R R
2 2 2 C 2 2 2
NO.1 THW NO.4 NO.2 THM NO.6 NO.3 NO.5 N-L
IG2 TW IG2 IG2 IG2 IG2 IG2 M(T)
1 1 1 1 1 1
W-L W-L W-L W-L N N
THI THI THI THI
B-L M
ISA EFI
B-Y B-Y C1 B-Y
B-O C1 B-O
B-O ZL
G
I2 EFI MAIN RELAY
2 ZF M-B M-B
B-R
C1 B-R
B1
9 B-R
B-W B-L (M/T) (A/T)
B-R B-R
2 3
F CIRCUIT 0 OPENING RELAY
1 4 6
G
3 2 B1
G
FUEL PUMP CONTROL W-B
RELAY
2 4 1
B-R B Y
I
7 G1 FUEL TANK
DIFF
1 B-R
2
TEMP
6 WI
B-SR
B-L
H FUEL PUMP
B-R B-R
2
B-W B-W
B-L B-L
W W
W-B W-B
W-L W-L
W-L 20 N-L FROM B1 SUPER MONITOR
BACK PANEL B/B NO.4 CENTER BOLT
B-L(M/T) M-B
B-W
E NEUTRAL START S/W(A/T)
3
B-L
2
B-W
TO STARTER