
100%
3-2
B-R
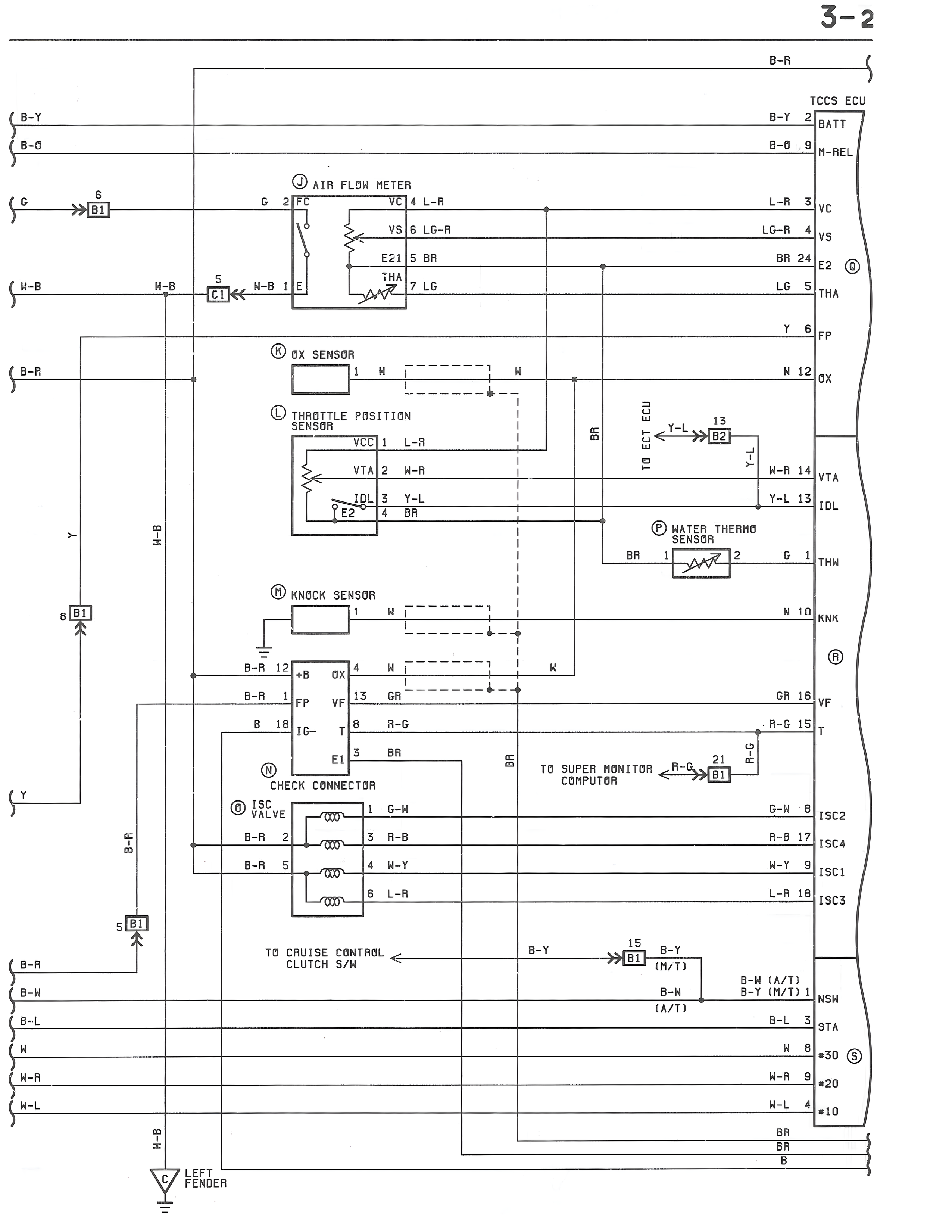
TCCS ECU
B-Y
B-Y 2 BATT
B-O
B-O 9 M-REL
J AIR FLOW METER
G
6 B1
G 2 FC
VC 4 L-R
L-R 3 VC
L
VS 6 LG-R
LG-R 4 VS
E2I 5 BR
BR 24 E2 D
THA
H-B
M-B
M-B 1 E
7 LG
LG 5 THA
E
5 G1
Y 6 FP
K OX SENSOR
B-R
1 M
M
M 12 OX
L THROTTLE POSITION
SENSOR
BR
TO C1 ECU
13
Y-L
B2
VCC 1 L-R
Y-L
VTA 2 M-R
M-R 14 VTA
IDL 3 Y-L
Y-L 13 IDL
E2
4 BR
P WATER THERMO
SENSOR
BR 1
2
G 1 THM
M-B
M KNOCK SENSOR
1 M
M 10 KNK
6 B1
BR 12 +B
OX 4 M
M
R
B-R 1 FP
VF 13 GR
GR 16 VF
B 16 IG-
+ 8 R-G
R-G 15 +
E1 3 BR
BR
R-G
N
TO SUPER MONITOR R-G 21
COMPUTOR
B1
CHECK CONNECTOR
S ISC
VALVE
1 G-M
G-M 8 ISC2
B-G
B-R 2
3 R-B
R-B 17 ISC4
B-R 5
4 M-Y
M-Y 9 ISC1
6 L-R
L-R 18 ISC3
5 B1
TO CRUISE CONTROL
B-Y
B-Y 15 B1
CLUTCH S/M
(M/T)
B-M (A/T)
B-M
B-Y (M/T) 1 NSH
B-L
(A/T)
B-L 3 STA
M
M 8 #30 S
M-R
M-R 9 #20
M-L
M-L 4 #10
M-B
BR
BR
B
B
LEFT
FENDER