
100%
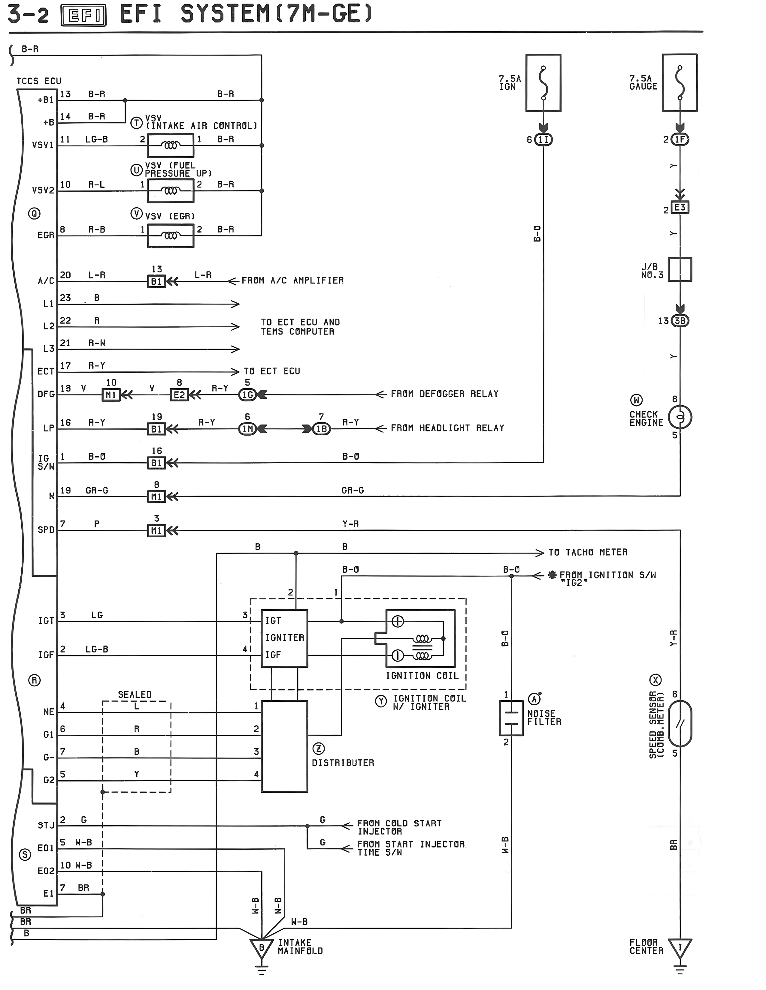
3-2 EFI EFI SYSTEM(7M-GE)
B-R
TCCS ECU
+B1 13 B-R B-R
+B 14 B-R ① VSV (INTAKE AIR CONTROL)
VSV1 11 LG-B 2 1 B-R
② VSV (FUEL PRESSURE UP)
VSV2 10 R-L 1 2 B-R
⑩
③ VSV (EGR)
EGR 9 R-B 1 2 B-R
A/C 20 L-R D1 L-R FROM A/C AMPLIFIER
L1 23 B TO ECT ECU AND
L2 22 R TEMS COMPUTER
L3 21 R-W
ECT 17 R-Y TO ECT ECU
DFC 18 V 10 V 9 R-Y FROM DEFOGGER RELAY
D1 D1 D5
LP 16 R-Y 19 R-Y 6 7 R-Y FROM HEADLIGHT RELAY
D1 D4 D6
16 1 B-O 16 B-O
SW D1
M 19 GR-G 8 GR-G
D1
SPD 7 P 3 Y-R
D1
B B TO TACHO METER
B-O B-O FROM IGNITION S/W
"IG2"
2 1
IGT 3 LG 3 IGT
1 IGNITER
IGF 2 LG-B 1 IGF
⑪
IGNITION COIL
⑤ IGNITION COIL
SEALED W/ IGNITER
L NOISE
NE 4 1 FILTER
2
D1 8 R 2
② DISTRIBUTER
G- 7 B 3
G2 5 Y 4
STJ 2 G G FROM COLD START
INJECTOR
E01 5 W-B G FROM START INJECTOR
TIME S/W
E02 10 W-B
E1 7 BR
BR
BR
B W-B
W-B
INTAKE AIR
MANIFOLD FLOOR
CENTER
7.5A
IGN 6 2
7.5A
GAUGE
2 E3
J/B
NO.3
13 SB
⑥ 8
CHECK
ENGINE 5
⑧ 6
NOISE
FILTER
NOISE
FILTER
NOISE
FILTER 5
W-B
W-B
BR
BR