
100%
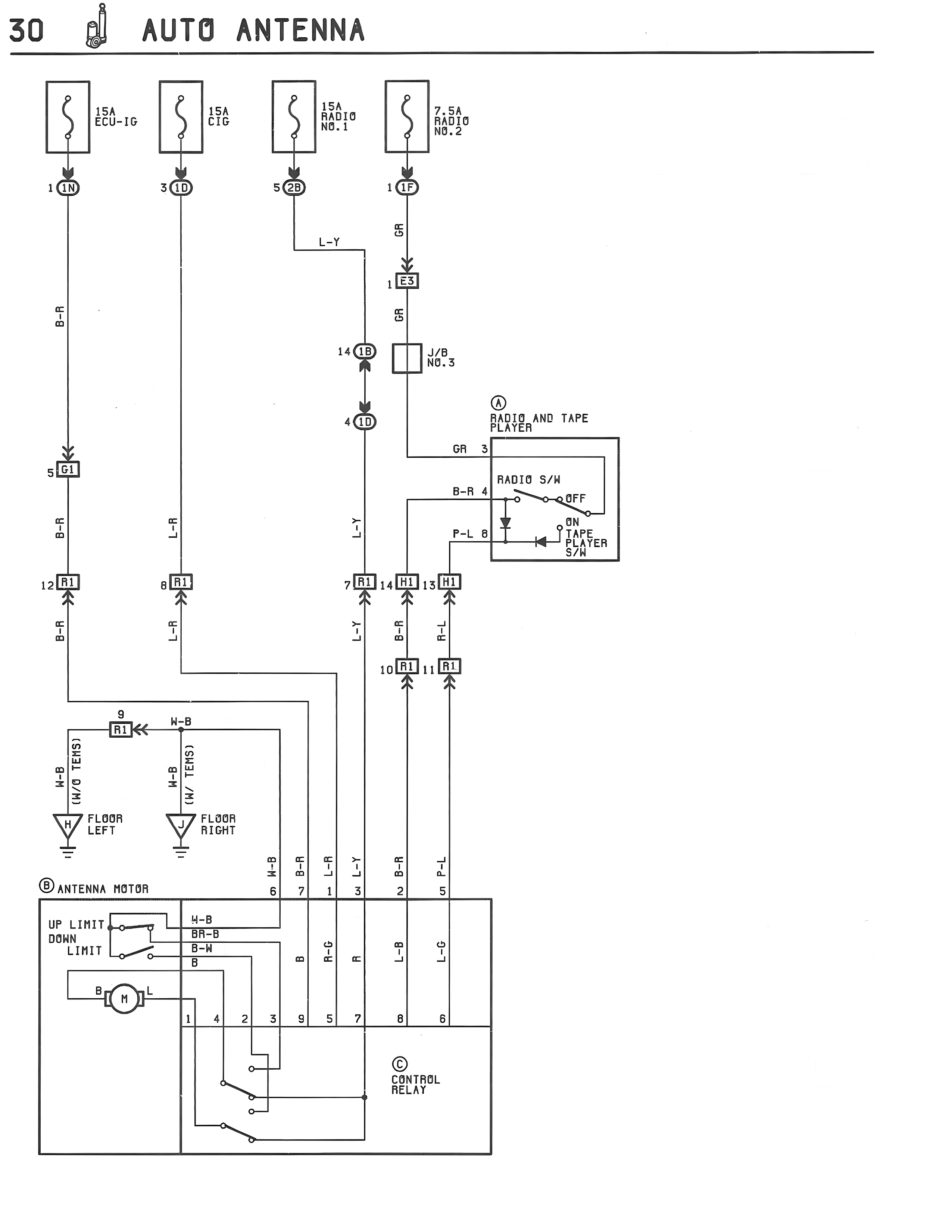
30 AUTO ANTENNA
15A ECO-IG
15A EFI
15A RADIO NO.1
7.5A RADIO NO.2
1 M
3 M
5 2B
1 LF
B-H
L-Y
GR
E3
GR
14 LB
J/B NO.5
4 LB
A RADIO AND TAPE PLAYER
GR 3
RADIO S/M
B-R 4 OFF
ON
P-L 8 TAPE PLAYER S/N
5 G1
B-R
L-R
L-Y
12 R1
8 R1
7 R1 14 R1 3 R1
B-R
L-R
L-Y
B-R
P-L
10 R1 9 R1
9 R1 M-B
M-B SEDIS
M-B (M/T SEDIS)
FLOOR LEFT
FLOOR RIGHT
B ANTENNA MOTOR
UP LIMIT
DOWN LIMIT
M-B
BR-B
B-M
B
M
1 4 2 3 9 5 7 8 6
C CONTROL RELAY
6 M-B
7 B-R
1 L-R
3 L-Y
2 B-R
5 P-L
B
R-G
R
L-B
L-G