
100%
33
L-R L-R
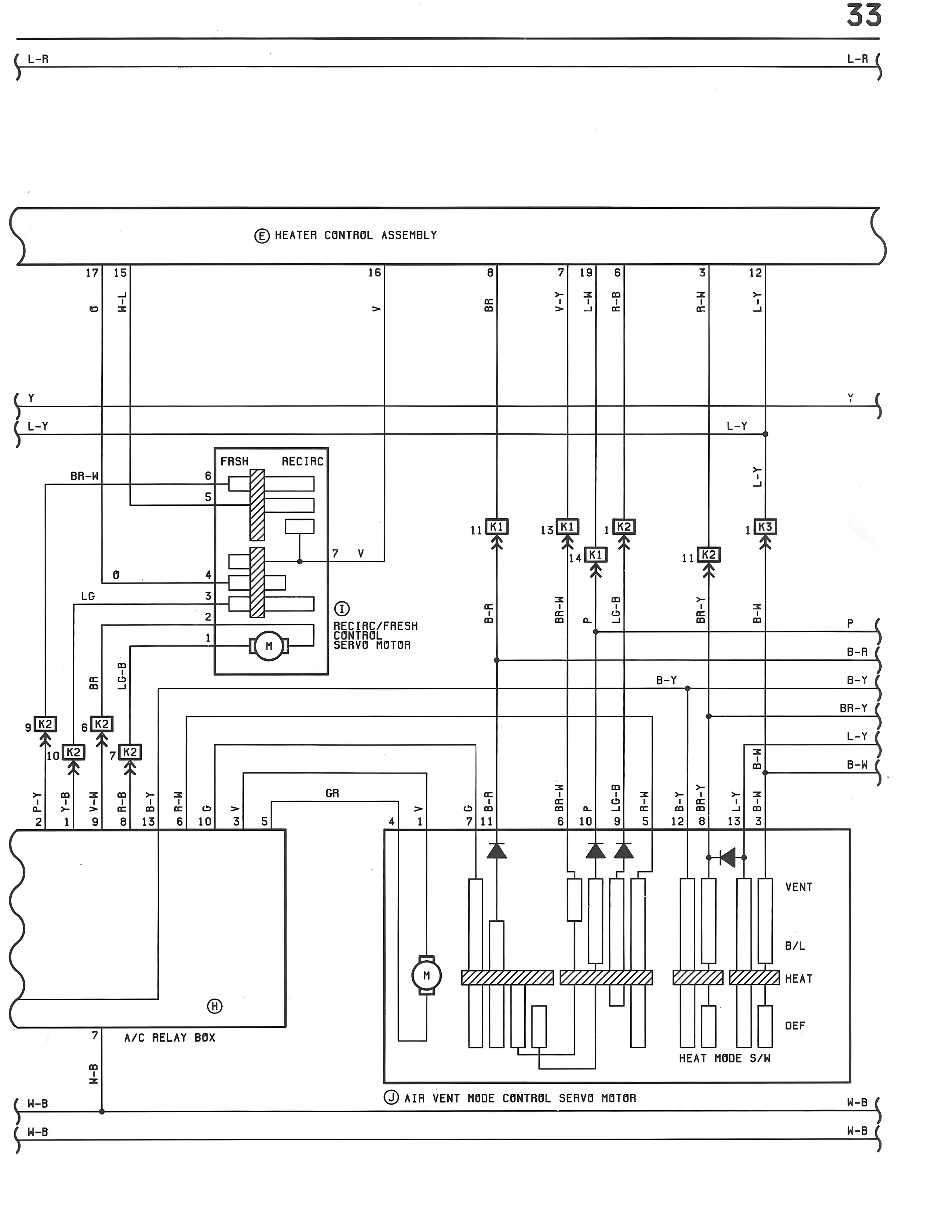
© HEATER CONTROL ASSEMBLY
17 15 16 8 7 18 6 3 12
O T+ > BR Y-Y L-T L-B P-L L-Y
Y Y
L-Y L-Y
FRSH RECIRC
BR-W 6 L-Y
5
11 K1 13 K1 11 K2 11 K3
0 4 7 V 10 K1
LG 3 B-B B+-H P L-G-B
2
1 M
① RECIRC/FRESH B-Y B+-Y P
SERVO MOTOR B-R
BR LG-B B-Y
BR-Y
9 K2 6 K2 L-Y
10 K2 7 K2 B-W
Y B+-Y H-B H-Y H-B Y-Y H-B Y-Y B+-W
2 1 9 8 13 6 10 3 5 GR 4 1 7 11 6 10 9 5 12 8 13 3
VENT
B/L
H
HEAT
DEF
7 A/C RELAY BOX HEAT MODE S/W
W-B
② AIR VENT MODE CONTROL SERVO MOTOR W-B
W-B W-B