
100%
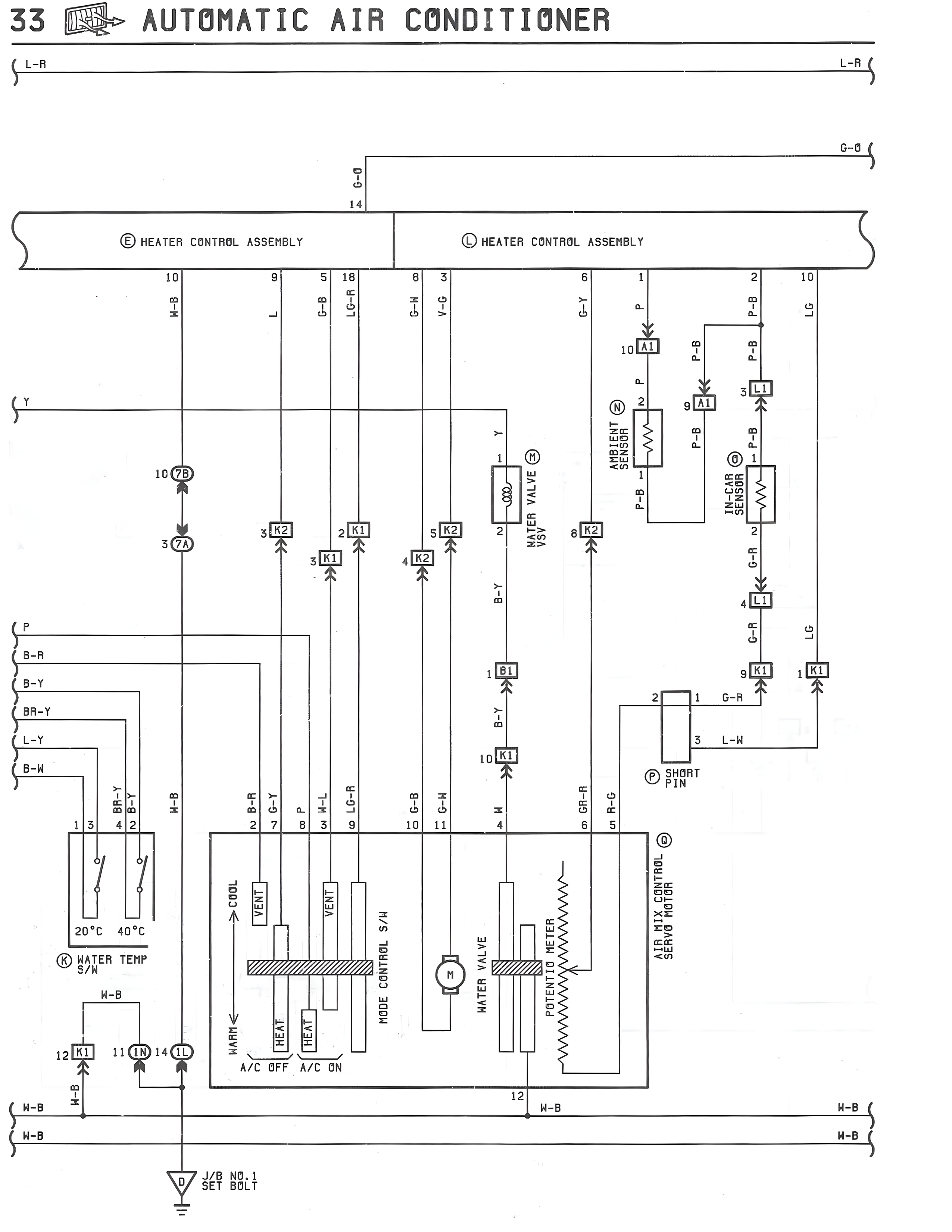
33 AUTOMATIC AIR CONDITIONER
L-R L-R
G-O
G-O
14
E HEATER CONTROL ASSEMBLY L HEATER CONTROL ASSEMBLY
10 9 5 8 8 3 6 1 2 10
H-B L G-B LG-B G-A V-G G-A P P-B LG
P-B
10 A1
3 E1
P
P-B
9 A1
R AMBIENT 2 P-B
Y SENSOR
1
H 1 D 1 P-B
THERMO
10 ZA TOU- WATER VALVE 6 K2 SWITCH 2
3 ZA 3 K2 2 K1 5 K2 2 G-R
B-Y
3 K1 4 K2 4 E1
B-Y
G-R
4 E1
P
LG
B-R 2 K1 1 K1
1 G-R
B-Y 2 1
BR-Y 3 L-W
L-Y P SHORT
PIN
B-W
10 B1
1 3 4 2 2 7 8 3 9 10 11 4 6 5
W-B P-R P-Y L-L L-R W-B V-W BR-R BR-G
Q
A/C CONTROL
SERVO MOTOR
COOL VENT VENT
MODE CONTROL S/W
WATER VALVE
POTENTIOMETER
WARM HEAT HEAT
A/C OFF A/C ON
12
W-B W-B
20°C 40°C
K WATER TEMP
S/W
W-B
12 K1 11 H 14 L
W-B
W-B W-B
W-B W-B
J/B NO.1
SET BOLT