
100%
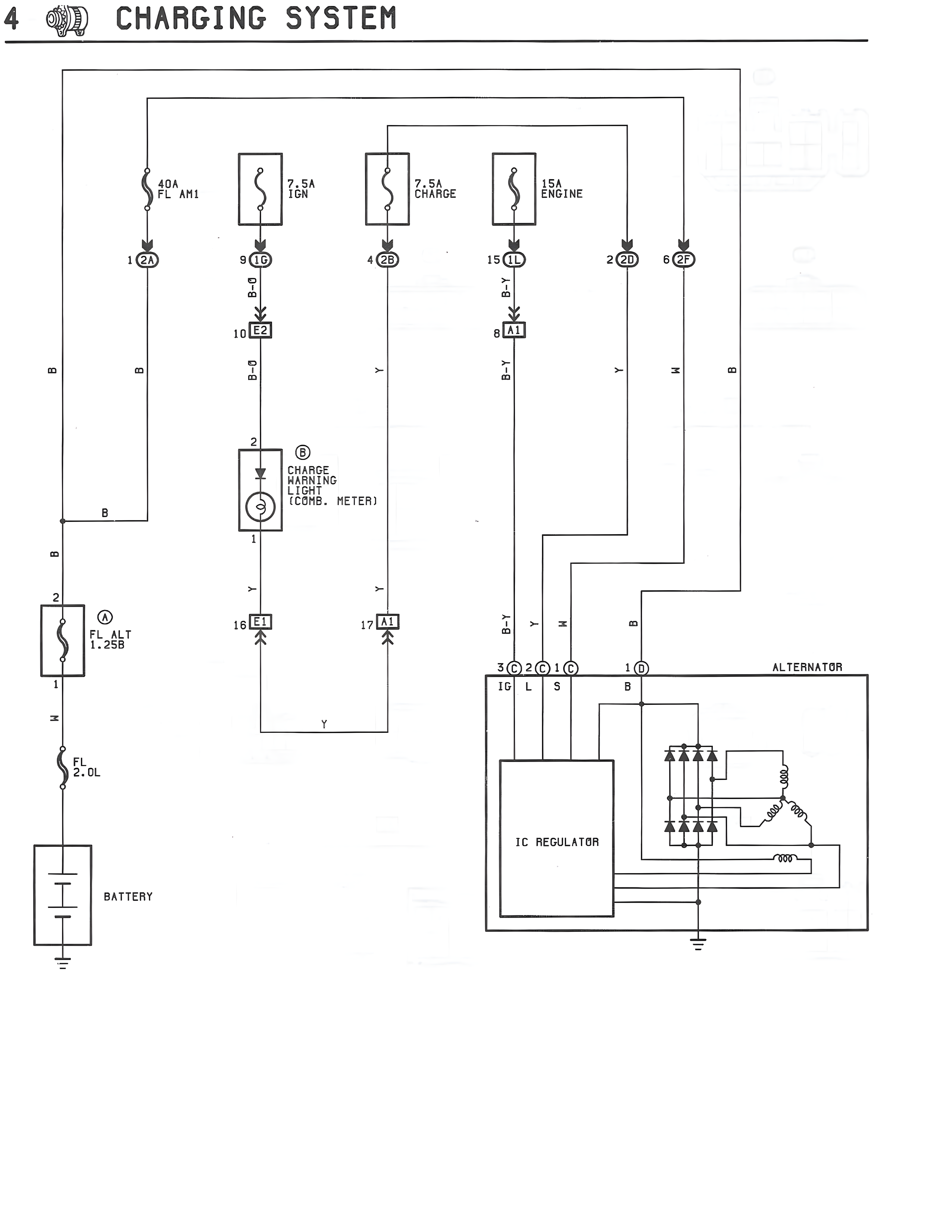
4 CHARGING SYSTEM
40A FL AM1
7.5A IGN
7.5A CHARGE
15A ENGINE
1 2A
9 IG
B-G
4 2B
15 IL
2 2D
6 2F
10 E2
B-G
8 A1
Y
Y
W
B
2
B CHARGE WARNING LIGHT (COMB. METER)
1
B
B
2
A FL ALT 1:25B
1
16 E1
17 A1
B+
Y
W
B
FL 2:0L
W
3 D 2 G 1 C
16 L S
1 D
B
ALTERNATOR
IC REGULATOR
BATTERY