
100%
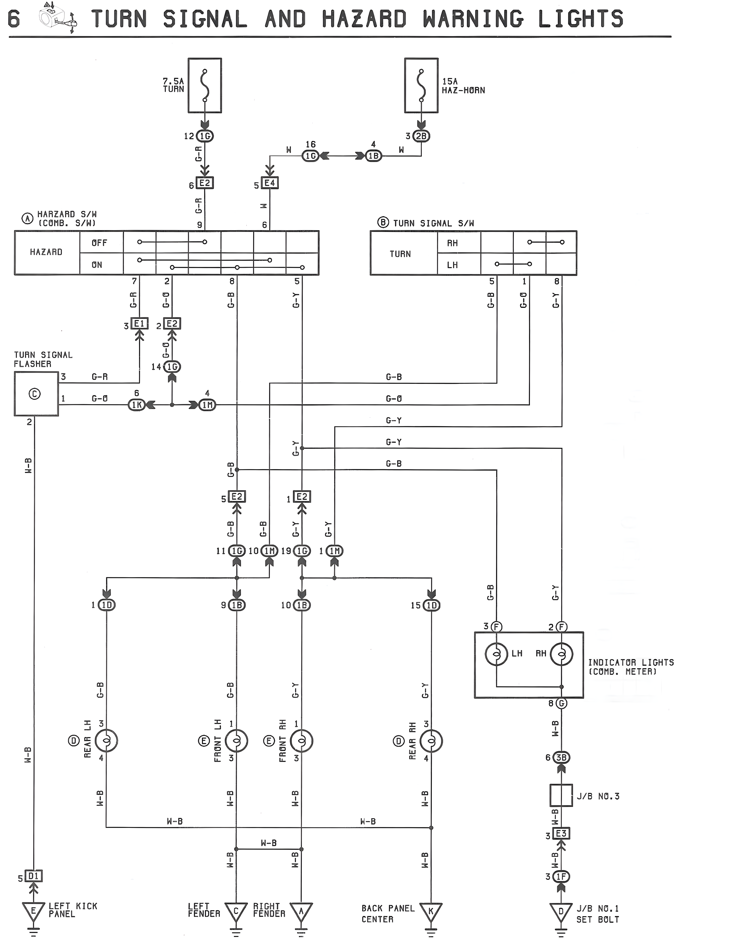
6 TURN SIGNAL AND HAZARD WARNING LIGHTS
7.5A TURN
15A HAZ-HORN
12 1D
G-L
6 E2
3 2D
16
W 1D 4 1B W
5 E1
G-Y
G-R N
9 6
A HAZZARD S/W (COMB. S/W)
HAZARD OFF
HAZARD ON
7 2
G-R G-Y
8 5
G-B G-Y
3 E1 2 E2
G-Y
TURN SIGNAL FLASHER
C 3 G-R 14 1D
1 G-O 6 4
1D 1D
2
A-B
B TURN SIGNAL S/W
TURN RH
TURN LH
5 1 8
G-B G-Y G-Y
G-B
G-O
G-Y
G-Y
G-B
5 E2 1 E2
G-B G-Y G-Y
11 1D 10 1D 19 1D 1 1D
1 1D 9 1B 10 1B 15 1D
G-B G-Y
3 F 2 F
LH RH
INDICATOR LIGHTS (COMB. METER)
8 C
W-B
6 3B
W
J/B NO.3
W
3 E3
W-B
5 C
J/B NO.1
SET BOLT
D REAR LH E FRONT LH F FRONT RH G REAR RH
3 3 3 3
4 4 4 4
G-B G-B G-Y G-Y
W-B W-B W-B W-B
W-B W-B
W-B
5 D1
LEFT KICK PANEL LEFT FENDER RIGHT FENDER BACK PANEL CENTER
W-B