
100%
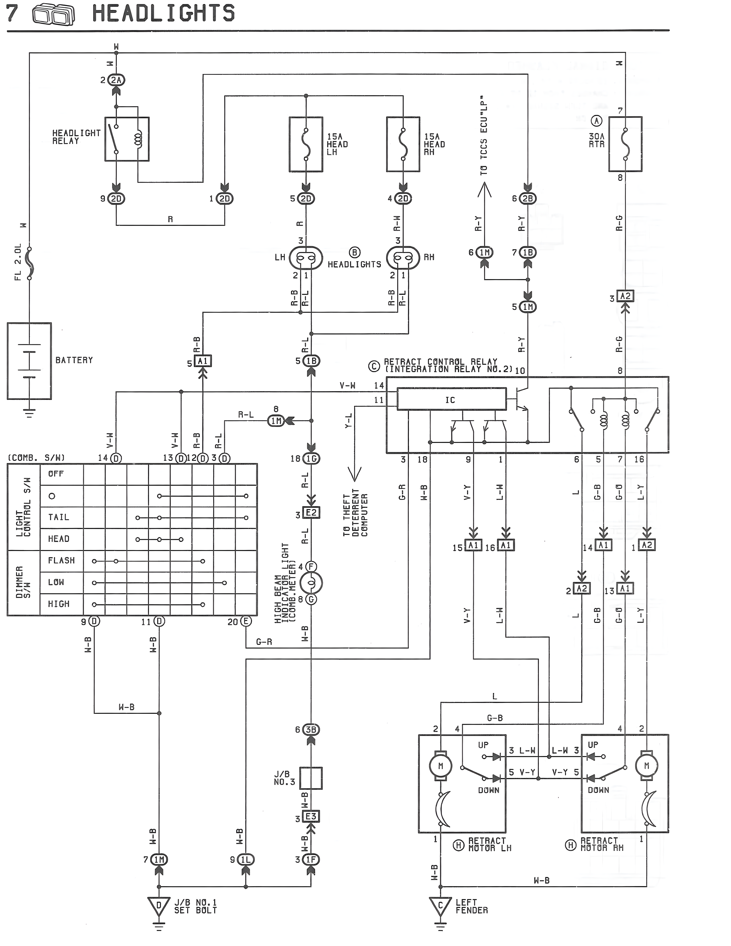
7 HEADLIGHTS
W
2 2D
HEADLIGHT RELAY
9 2D
1 2D
15A HEAD LH
5 2D
15A HEAD RR
4 2D
TO TCCS ECU I/F
6 25
30A HTR
B
W
R
R
R-W
Y
Y
R-G
FL 2-DL
LH
B
HEADLIGHTS
2 1
RH
6 1H
7 1B
R-B
R-L
R-B
R-L
5 1O
3 A2
BATTERY
R-B
R-L
5 A1
5 CD
C RETRACT CONTROL RELAY (INTEGRATION RELAY NO.2) 10
R-Y
R-G
8
Y-W
14
IC
R-L
1H
L
W-B
11
100
100
3
18
9
1
6
5
7
18
(COMB. S/W)
14 D
13 D 12 D 3 D
18 1G
C-R
W-B
Y-R
L-W
L
C-B
C-D
L-Y
R-L
OFF
DIMER
TO THEFT DETERRENT DOOR OPEN
LIGHT CONTROL S/W
O
o——o
3 E3
R-L
TAIL
o——o
15 A1
16 A1
14 A1
1 A2
HEAD
o——o
FLASH
o
2 A2
13 A1
LOW
o——o
REAR RETRACT MOTOR RIGHT
TURN LIGHT
4 1G
HIGH
o——o
1 1G
W-Y
L-W
L
C-B
C-D
L-Y
8 1G
9 D
11 D
20 E
C-R
W-B
W-B
G-R
W-B
L
G-B
6 5B
2
4
4
2
W-B
UP
3 L-W
L-W 3
UP
M
M
J/B NO.3
5 Y-Y
Y-Y 5
DOWN
DOWN
W-B
3 E3
1
1
D RETRACT MOTOR LH
D RETRACT MOTOR RH
W-B
W-B
W-B
7 1O
8 1L
3 1F
W-B
J/B NO.1 SET BOLT
LEFT FENDER