
100%
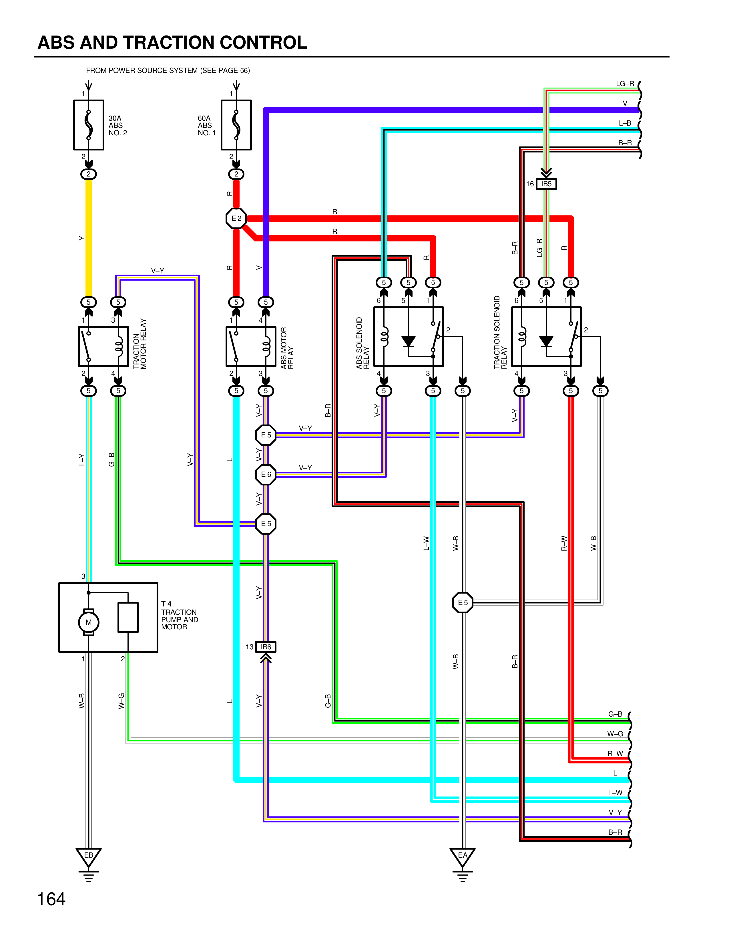
ABS AND TRACTION CONTROL
FROM POWER SOURCE SYSTEM (SEE PAGE 56)
1
V
30A
ABS
NO. 2
60A
ABS
NO. 1
2
E3
3
E4
LG-R
V
L-B
B-R
16 15A
E-2
R
R
R
>
B-R
LG-R
R
>
L
E3
E3
E5
E2
E2
E3
3
5
1
MOTOR
TRACTION SOLENOID
RELAY
2
1
2
3
ABS
W-Y
W-Y
ABS MOTOR
ABS MOTOR
SOLENOID
RELAY
RELAY
7
6
1
E3
E4
E4
E5
E4
E4
L-Y
G-B
L-Y
L
B-B
V-Y
V-Y
B-W
L-Y
R-W
R-W
E1
E1
V-Y
E6
V-Y
E7
V-Y
E6
W-B
W-B
R-W
E3
3
T4
TRACTION
PUMP AND
MOTOR
1
13 15A
1
2
W-B
W-G
L
V-Y
G-B
W-B
G-B
W-G
R-W
L
L-W
V-Y
B-R
E3
E3
164