
100%
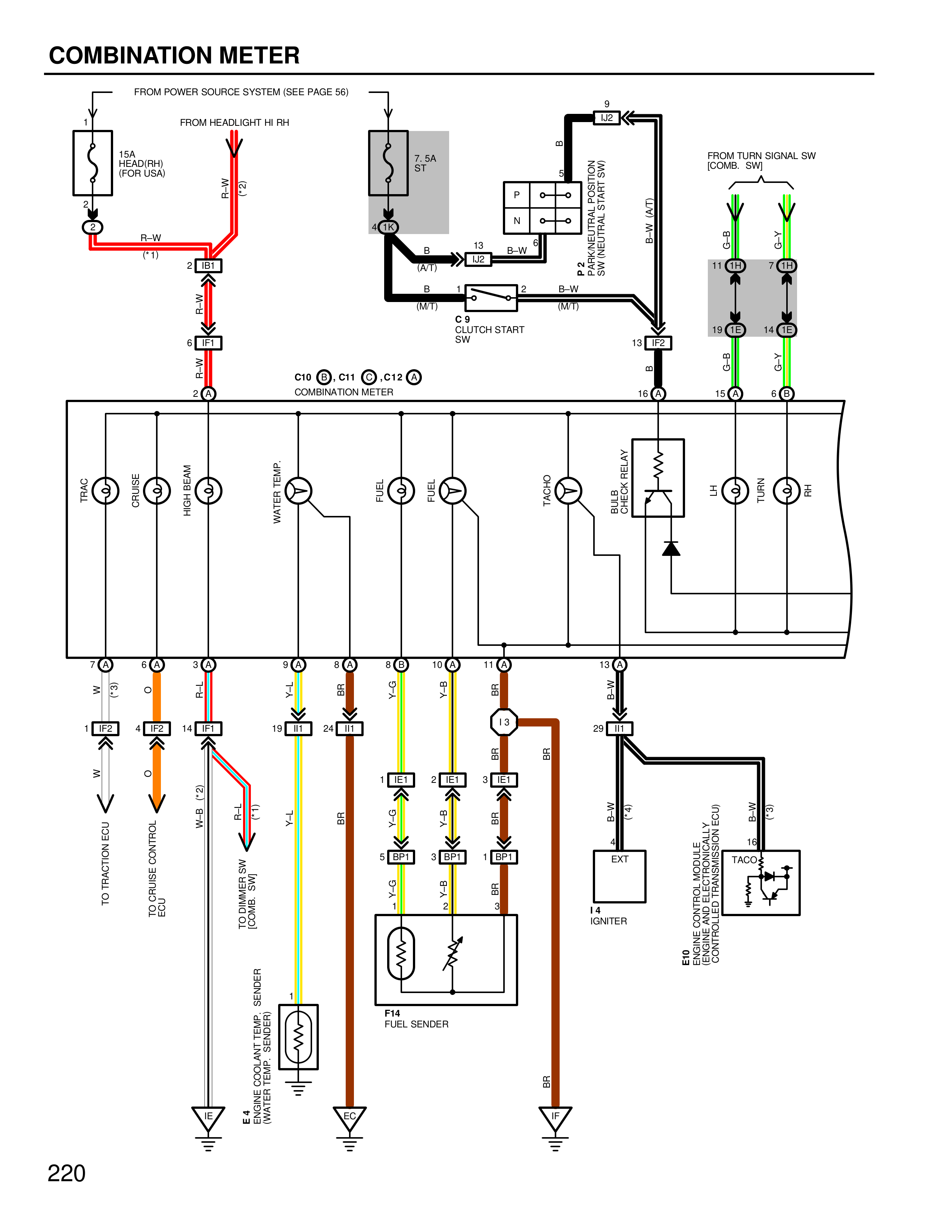
COMBINATION METER
FROM POWER SOURCE SYSTEM (SEE PAGE 56)
15A HEADLRH (FOR USA)
FROM HEADLIGHT HI RH
R-W
(M1)
2 LP1
LP1
6
2
C10 C C11 C C12 C
COMBINATION METER
RPMx100
CRUISE
HIGH BEAM
WATER TEMP
FUEL
TAIL
TACHO
BULB
OIL RELAY
H
TURN
RH
7 C
5 C
3 C
9 C
8 C
8 C
10 C
11 C
13 C
W
O
L
R
Y-G
Y-B
BR
B-W
1 M2
4 M2
14 M1
19 M1
24 M1
13
26 M1
W
O
L
R
Y-L
BR
Y-G
Y-B
BR
B
BR
B-W
TO TRACTION ECU
TO CRUISE CONTROL ECU
M2
M1
Y-L
TO DIMMER SW IG1
CLOUD
E44
COOLANT TEMP SENDER
(WATER TEMP)
F14
FUEL SENDER
EXT
4
IGNITER
E/D ENGINE CONTROL MODULE (DEFI TRANSISTOR-DASH ECU)
TACO 2
B-W
IG1
IGI
16
220
7.5A ST
B-W (A1)
B (M1)
C9
CLUTCH START SW
P2
SW NEUTRAL POSITION SW [NEUTRAL START SW]
13 M2
B-W
13
B
15
1
2
B-W
0
M2
2
M11
P1
N
AZR
B
FROM TURN SIGNAL SW [COMB. SW]
G
G-Y
11 LB1
11 LB1
G-B
G-Y
13 LB1
14 LB1
6
1 LB1
2 LB1
3 LB1
1 G21
Y-G
Y-B
BR
IG1
13