
100%
*1 : USA
*2 : CANADA
*3 : 2JZ-GTE
*4 : 2JZ-GE
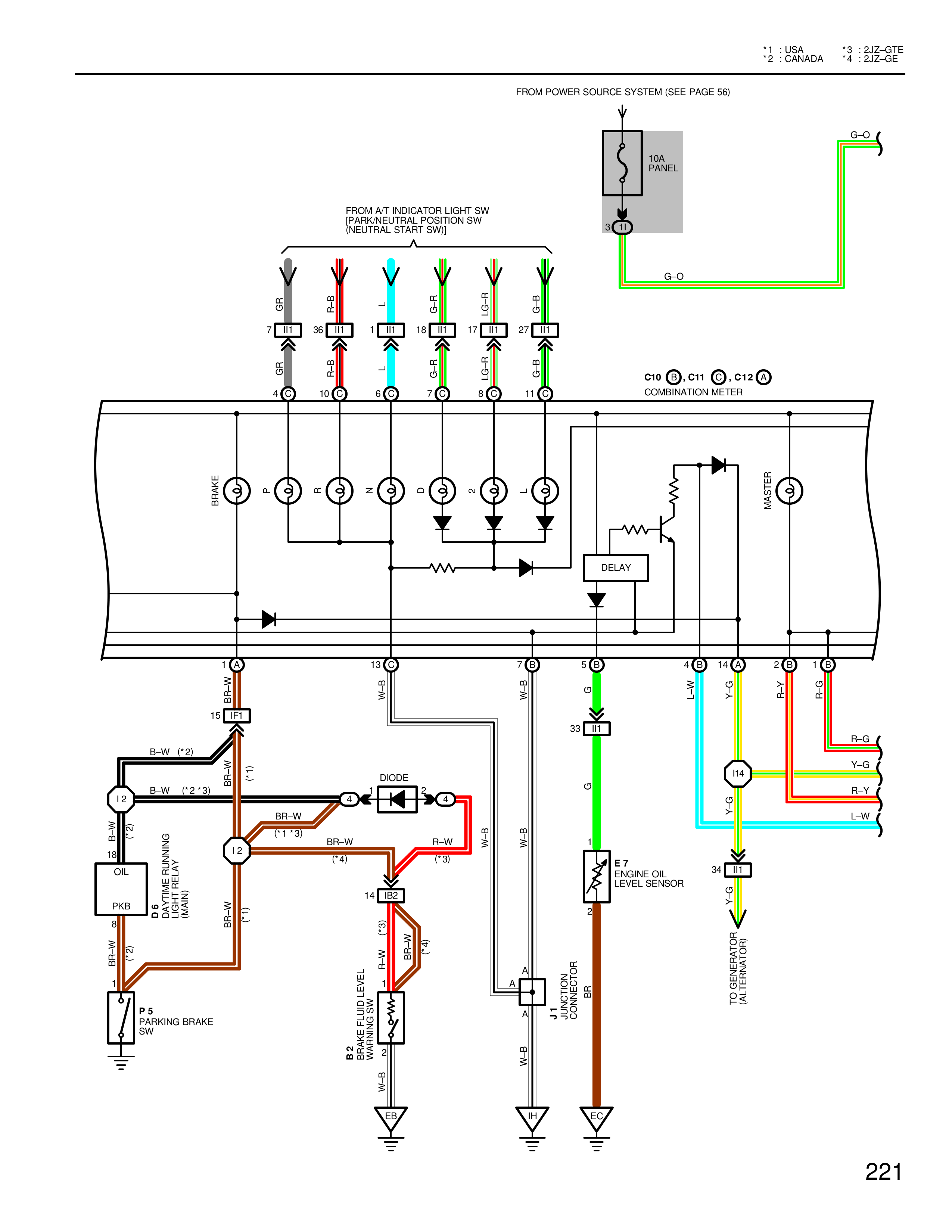
FROM POWER SOURCE SYSTEM (SEE PAGE 56)
10A
PANEL
G-O
FROM A/T INDICATOR LIGHT SW
(PARK/NEUTRAL POSITION SW
(NEUTRAL START SW))
GR
B-R
L
G-R
G-P
G-B
4 38 B-L 5 L 14 L-B 17 L-Y 27 L-R
GR
B-R
L
G-R
G-P
G-B
4 10 5 7 8 11
C10 C11 C12
COMBINATION METER
BRAKE
+ - + Z - Z - Z -
MASTER
DELAY
1 13 7 5 6 14 2 1
B-W
R-W
W-B
G
W-G
Y-G
R-Y
B-R
15 L-B
B-W (*2)
33 L-R
R-G
Y-G
R-Y
L-W
12
B-W (*2 *3)
14
DIODE
B-W
12
BR-W
(*1 *3)
BR-W
R-W
12
W-B
W-B
(*4)
(*3)
OIL
DAY TIME RUNNING
LIGHT RELAY
MAIN
14 M23
E7
ENGINE OIL
LEVEL SENSOR
34 L-R
PKB
BR-W
R-W
W-R
R-Y
B-W
Y-G
TO GENERATOR
ALTERNATOR
13
P5
PARKING BRAKE
SW
R8
BRAKE FLUID LEVEL
WARNING SW
A
J1
INDICATOR
CONNECTOR
JR
A
A
W-B
ECU
221